Study of motion control system of unmanned boat
- Authors: Filippova E.R.1, Yasinskaya Y.V.1
-
Affiliations:
- Saint Petersburg State Marine Technical University
- Issue: Vol 4, No 1 (2025)
- Pages: 61-68
- Section: Mechanical engineering
- Submitted: 09.02.2025
- Accepted: 10.02.2025
- Published: 15.04.2025
- URL: https://freezetech.ru/2414-1437/article/view/654334
- DOI: https://doi.org/10.52899/24141437_2025_01_61
- ID: 654334
Cite item
Full Text
Abstract
BACKGROUND: The study may improve the viability, safety, and environmental friendliness of the maritime industry. The development of such technologies is in line with global digital transformation and automation trends and the strategic interests of the State. Research in this area helps develop innovative solutions applicable in various industries—from logistics to national security.
AIM: The article discusses the parameters of the motion control system of an unmanned boat, the development of an unmanned boat controlled movement simulation diagram, and how results that may be used to design a specific unmanned boat are achieved.
METHODS: The authors used linear and nonlinear functions to control the boat’s motion, developed and transformed mathematical models into structural diagrams.
RESULTS: The authors analyze parameters of the unmanned boat control system as part of the study.
CONCLUSIONS: The study resulted in the development of mathematical models of the unmanned boat motion control system used to design a specific unmanned boat.
Keywords
Full Text
Во многих странах, в том числе и в Российской Федерации, был разработан целый ряд безэкипажных катеров (БК), которые могут улучшить безопасность на море, облегчить выполнение различных задач и снизить риски для людей, работающих на судах и катерах. Однако необходимо учитывать все сложности, связанные с автоматическими системами, и проводить их тестирование и обучение перед широким внедрением в жизнь.
Кроме того, БК могут быть использованы для выполнения различных силовых операций, в том числе разведывательных, противодиверсионных, контртеррористических, антисаботажных и других задач. Они способны быстро реагировать на изменения обстановки и поддерживать свои позиции на большом расстоянии от базы (рис. 1).
Рис. 1. Безэкипажный катер (Royal Navy taps Autonomous Vehicles. September 11, 2019. Marine Link. URL: https://www.marinelink.com/news/royal-navy-taps-autonomous-vehicles-470599).
Fig. 1. Unmanned surface vessel (Royal Navy taps Autonomous Vehicles. September 11, 2019. Marine Link. URL: https://www.marinelink.com/news/royal-navy-taps-autonomous-vehicles-470599).
Безэкипажные катера становятся все более популярными в различных сферах, от научных исследований до военных операций. Основным элементом их управления и функциональности служат современные датчики и оборудование, которые обеспечивают автономность и безопасность эксплуатации [1].
Среди ключевых датчиков можно выделить системы глобального позиционирования (GPS), которые обеспечивают точное определение местоположения и маршрутную навигацию без участия человека. Лидары и радары используются для обнаружения препятствий и мониторинга окружающей среды, что позволяет оснащенным катерам маневрировать в сложных условиях.
Кроме того, датчики, отвечающие за сбор данных о воде (температура, соленость, скорость течения), играют важную роль в научных исследованиях морских экосистем. Интеграция камер и других сенсоров позволяет проводить видеонаблюдение и мониторинг, что актуально как для охраны окружающей среды, так и для обеспечения безопасности судоходства.
Таким образом, современные технологии делают БК высокотехнологичными и многофункциональными инструментами, открывая новые горизонты для применения в различных областях (рис. 2).
Рис. 2. Катер-дрон на базе «Визира» от Кингисеппского машиностроительного завода (Холдинг KMZ может поставить армии катера-дроны типа «Визир» // РИА Новости. 11.09.2023. [Электронный ресурс]. URL: https://ria.ru/20230911/katera-1895436469.html).
Fig. 2. Drone boat based on Vizir by Kingisepp Machine-Building Plant.
К основным достоинствам БК можно отнести:
- возможность быстрых маневров и изменения направления движения, что повышает эффективность наблюдения и снижает риски для экипажа;
- возможность использования в зонах с высоким риском, таких как зоны боевых действий или места активной добычи ресурсов на морском дне;
- способность работать в погодных условиях, которые могут быть опасными для членов экипажа;
- возможность обеспечения непрерывного мониторинга и сбора данных на больших расстояниях.
Однако, несмотря на все преимущества и перспективы использования БК, они не являются универсальным решением для всех видов деятельности на море. Каждая операция требует комплексного подхода и выбора наиболее эффективных средств выполнения задачи, включая как традиционные корабли, так и БК. На данном этапе развития технологий БК имеют определенные ограничения в возможностях вооружения и наблюдения. Поэтому их применение требует тщательного анализа и оценки в каждом конкретном случае.
Помимо этого, БК может выполнять задачи связанные с обеспечением командования корабля, управлением полетом БПЛА, обнаружением и классификацией объектов на поверхности моря и под водой, а также с целевым наведением вооружения. В общем, БК обеспечивает эффективную работу корабля на море в самых различных условиях и задачах (рис. 3).
Рис. 3. Автономный безэкипажный необитаемый подводный аппарат «Искатель» (Безэкипажный катер «Искатель» на испытаниях в Кронштадте: bmpd — ЖЖ [Электронный ресурс]. URL: https://bmpd.livejournal.com/2725709.html).
Fig. 3. Autonomous unmanned underwater vehicle SKAT (URL: https://bmpd.livejournal.com/2725709.html).
Одной из задач БК является мониторинг побережья сложной конфигурации при разработке плана высадки десанта на это побережье. Это позволяет избежать потерь людей и вооружения во время десантирования [2].
Для начала исследования системы управления движением БК требуется указать линейные функции управления БК (табл. 1). Затем на основе полученных расчетов нужно построить структурную схему моделирования управляемого движения БК с использованием линейных функций (рис. 4).
Таблица 1. Линейные функции управления безэкипажного катера
Table 1. Linear control functions of an unmanned boat
№ | Вид маневра | Заданные параметры | Измеряемые параметры | Управляющая функция | Параметр, характеризующий качество движения |
1 | Движение БК по дуге окружности | ±ωy(1/RAD) | ωy(t) | δB = (ωy(t) – ωy) | — зависит от качества движения БК |
2 | Выход БК на задний курс | ±ψ(RAD) | ψ(t) | δB = Kψ (ψ(t) – ψ) | Kψ |
3 | Стабилизация БК на заднем курсе | ±ψ(RAD) | ψ(t), ωy(t) | δB = Kψ (ψ(t) – ψ) + (ωy(t) | Kψ, |
Примечание: БК ― безэкипажный катер.
Note: БК, unmanned boat.
Рис. 4. Структурная схема моделирования управляемого движения безэкипажного катера с использованием линейных функций.
Fig. 4. Structural diagram of the unmanned boat’s controlled motion simulated using linear functions.
Далее рассмотрим моделирование процесса отображения траектории БК с использованием нелинейных дифференциальных уравнений.
Для отображения траектории БК используем совмещенные системы координат (рис. 5).
Рис. 5. Совмещенные системы координат: V ― вектор линейной скорости, β ― угол дрейфа.
Fig. 5. Integrated coordinate systems: V ― linear velocity vector, β ― drift angle.
Проекции вектора линейной скорости на оси и связанные с ним системы координат:
(1)
Источником переменной β(t) является математическая модель объекта управления. Система (1) будет использоваться при построении математической модели отображения траектории движения БК. Эта модель представляет собой систему нелинейных дифференциальных уравнений:
(2)
Для решения системы (2) ее дополняют начальными условиями:
t =(0)
ζ(0) = ζ0
ξ(0) = ξ0.
Рассмотрим возможные формы записи решения уравнений системы (2). Если использовать решающие элементы аналогового типа, то решение записывается в виде:
(3)
Аналитическая форма записи позволяет сформировать два одномерных массива.
В качестве альтернативы решения системы (3) используют конечно-разностное представление дифференциальных уравнений системы (2) (рис. 6). Заменяя в системе (2) дифференциал зависимых переменных (1.1), можно систему (2) записать в конечно-разностной форме:
(1.1)
(4)
i =(0)
ζ0 = 0
ξ0 = 0.
Рис. 6. ζ(ξ) — траектория движения безэкипажного катера.
Fig. 6. ζ(ξ) — path of the unmanned boat.
Если скорость БК задана постоянной, то для решения системы (4) в качестве источника информации о текущих значениях углов дрейфа и курса выбирают математическую модель объекта управления (рис. 7) [3].
Рис. 7. Структура связи модели безэкипажного катера и отображения его траектории.
Fig. 7. Connection between the unmanned boat model and its path map.
Более наглядным способом представления процесса решения является разработка структурной схемы моделирования задачи (3). Она включает:
- источник входных данных ();
- датчик скорости БК (V);
- совокупность линейных и нелинейных решающих элементов для реализации подынтегральных функций в выражениях (3);
- средства графического отображения результатов решения системы (3).
Для исследования модели управляемого движения объекта БК при различных режимах его маневрирования необходимо преобразовать модель к виду, адекватному используемому инструменту моделирования.
(5)
Таким образом, структура модели для реализации системы будет выглядеть следующим образом (рис. 8).
Рис. 8. Структура модели для реализации системы.
Fig. 8. Model structure for system implementation.
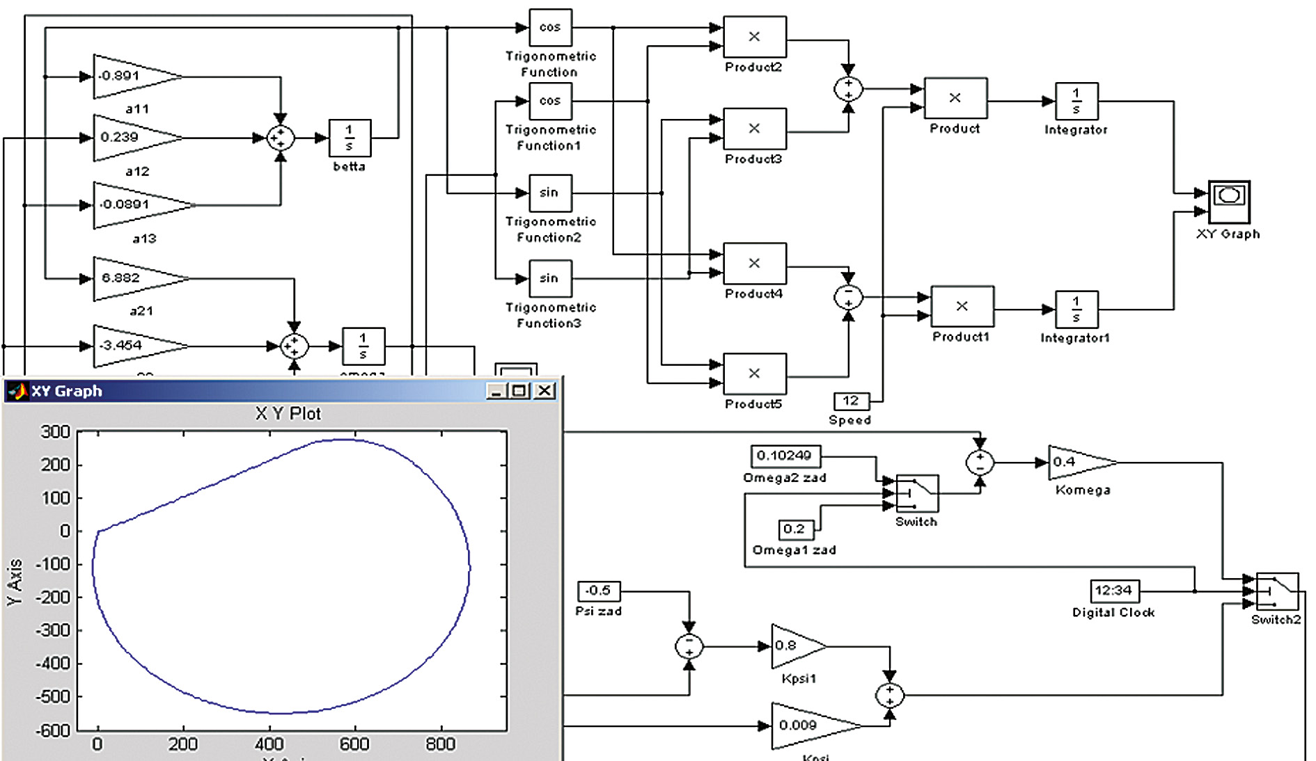
Используя измеряемые параметры нелинейных функций управления движением БК при моделировании сложных траекторий, реализуемых БК, можно получить структурную схему моделирования с нелинейными статическими характеристиками измерителей информации о курсе и угловой скорости БК, а также следующие результаты исследования модели системы управления движением БК (рис. 9 и 10) [4].
Рис. 9. Переходный процесс по угловой скорости безэкипажного катера.
Fig. 9. Unmanned boat rotation speed transient process.
Рис. 10. Траектория безэкипажного катера по обследованию экстремального объекта.
Fig. 10. Unmanned boat path for examination of an extreme object.
ВЫВОД
Разработаны математические модели системы управления движением БК. Полученные результаты могут быть использованы при проектировании конкретного БК.
ДОПОЛНИТЕЛЬНАЯ ИНФОРМАЦИЯ
Вклад авторов. Все авторы внесли существенный вклад в разработку концепции, проведение исследования и подготовку статьи, прочли и одобрили финальную версию перед публикацией. Личный вклад каждого автора: Е.К. Филиппова ― разработка концепции, проведение исследования, визуализация; Ю.В. Ясинская ― редактирование текста, утверждение окончательного варианта, ресурсное обеспечение исследования.
Источник финансирования. Авторы заявляют об отсутствии внешнего финансирования при проведении исследования.
Конфликт интересов. Авторы декларируют отсутствие явных и потенциальных конфликтов интересов, связанных с публикацией настоящей статьи.
ADDITIONAL INFORMATION
Authors’ contribution. All authors made a substantial contribution to the conception of the study, acquisition, analysis, interpretation of data for the work, drafting and revising the article, final approval of the version to be published and agree to be accountable for all aspects of the study. Personal contribution of each author: E.R. Filippova, concept development, study implementation, visualization; Yu.V. Yasinskaya, text editing, approval of the final version, resource support of the study.
Funding source. This study was not supported by any external sources of funding.
Competing interests. The authors declare that they have no competing interests.
About the authors
Ekaterina R. Filippova
Saint Petersburg State Marine Technical University
Author for correspondence.
Email: ERFilippova@yandex.ru
Master’s Degree student
Russian Federation, 3 Lotsmanskaya st, Saint Petersburg, 190121Yulia V. Yasinskaya
Saint Petersburg State Marine Technical University
Email: yasinskaya.spb@mail.ru
Cand. Sci. (Engineering), Associate Professor at the Department of Automatic Control Systems and On-board Computer Technology
Russian Federation, 3 Lotsmanskaya st, Saint Petersburg, 190121References
- Trushenkov VV, Kabanov AI, Sudarchikov VA, et al. Status and prospects of development of crewless boats. Proposals to the concept of development and application of crewless boats of the Russian navy. Saint Petersburg: SSC RF JSC “Concern ’Marine Underwater Weapons — Hydropribor’; 2016. (In Russ.)
- Pinskiy AS. E-navigation and unmanned ship navigation. Transport of the Russian Federation. 2016;(4):50–54. EDN: WMAHYT
- Krugleyevsky VN, Denisov VI. Special features, task and composition of «unmanned robotic boat». Shipbuilding. 2013;(5):23–25. EDN: REACTH
- Shmakov AS, Viktorov RV, Kornilov NA. Small forms of roboticist at unmanned surface vessels, its launch and recovery systems (devices). Science intensive technologie. 2020;(7):22–31. doi: 10.18127/j19998465-202007-03 EDN: WJQCAG
Supplementary files
