Mathematical Models and Circuits of Test Impulse Noise Generators for Electromagnetic Compatibility Calculations
- Authors: Vorshevsky A.A.1, Vorshevsky P.A.1, Kyaw M.T.1, Hein H.A.1
-
Affiliations:
- Saint Petersburg State Marine Technical University
- Issue: Vol 4, No 3 (2025)
- Pages: 393-400
- Section: Energy and electrical engineering
- Submitted: 16.03.2025
- Accepted: 24.06.2025
- Published: 23.09.2025
- URL: https://freezetech.ru/2414-1437/article/view/677203
- DOI: https://doi.org/10.52899/24141437_2025_03_393
- EDN: https://elibrary.ru/UJTAQB
- ID: 677203
Cite item
Full Text
Abstract
BACKGROUND: Marine electronic and electrical equipment may not be supplied to ships unless it meets the impulse noise immunity requirements. Tests of equipment designed without due regard of such requirements record its failures. It is important to be able to predict the effects of noise at the equipment design stage.
AIM: To provide mathematical models and circuit simulations of test impulse noise generators to verify the impulse noise immunity of circuits during their development.
METHODS: The study is based on the electromagnetic compatibility standards of the Russian Maritime Register of Shipping and IEC 61000-4 standards of the International Electrotechnical Commission. The study uses mathematical descriptions of pulse waveforms and electrical engineering software used to simulate circuits.
RESULTS: The study provides formulas describing standard impulse noise, detailed diagrams of test generators used in simulation software, examples of models, and errors of simulated noise parameters.
CONCLUSION: The proposed models and simulations allow predicting the effect of noise at the equipment design stage prior to noise immunity tests and reduce the time and cost of equipment modification.
Full Text
ВВЕДЕНИЕ
Правила Российского морского регистра судоходства, общие стандарты для оборудования промышленного, бытового, специализированного назначения, стандарты на различную продукцию регламентируют требования по устойчивости к импульсным помехам. Электронное и электротехническое оборудование должно проходить испытания на воздействие импульсных помех с определенными стандартными параметрами [1, 2]. Помехи создаются испытательными генераторами, характеристики которых приведены в базовых стандартах по электромагнитной совместимости, соответствующих международным стандартам серии IEC 61000-4. При проектировании и изготовлении различных технических средств важно обеспечить требуемую устойчивость к импульсным помехам, создаваемым испытательными генераторами. Опыт испытаний говорит, что импульсные помехи часто приводит к сбоям в работе оборудования, спроектированного без учета такого воздействия [3, 4]. На стадии проектирования и создания прототипа оборудования необходимо иметь возможность прогнозировать результат воздействия помех, для чего требуются математические модели помех и модели схем испытательных генераторов, соответствующих базовым стандартам.
МАТЕМАТИЧЕСКОЕ ОПИСАНИЕ ИМПУЛЬСНЫХ ПОМЕХ, ИСПОЛЬЗУЕМЫХ ДЛЯ ИСПЫТАНИЙ ОБОРУДОВАНИЯ
Параметры и формы импульсных помех, создаваемых при проведении испытаний, приведены в табл. 1. В первом столбце даны номера международных стандартов, на основе которых разработаны отечественные стандарты [5–7], а также наименования помех, используемых в России. В скобках приведен дословный перевод названий, применяемых в международных стандартах. Во втором столбце приведена форма создаваемого при испытаниях импульсного напряжения. Амплитуда импульсных помех Um регламентируется в требованиях на конкретный вид оборудования по его месту установки, например, для судового оборудования в [1, 2], но выбирается из приведенного в третьем столбце табл. 1 ряда.
Таблица 1. Требования базовых стандартов, определяющих методику испытаний на устойчивость к импульсным помехам
Table 1. Basic standards defining the impulse noise immunity test methods
Стандарт и вид помехи | Форма помехи | Параметры |
IEC 61000–4–4 Наносекундные импульсные помехи (Быстрые переходные процессы или пачки). | Амплитуда Um = 0,5; 1; 2; 4 кВ + 10% Время нарастания (фронт) tФ = 5 нс + 30% на уровнях 10–90% от Um на нагрузке 50 Ом Длительность tИ = 50 нс + 30% по уровню 50% от Um на нагрузке 50 Ом Выходное сопротивление 50 Ом | |
IEC 61000–4–5 Микросекундные импульсные помехи (Выбросы напряжения) | Амплитуда Um = 0,5; 1; 2; 4 кВ + 10% Время нарастания (фронт) tФ = 1 мкс+30% на уровнях 10–90% от Um Длительность tИ = 50 мкс +20% по уровню 50% от Um на холостом ходу Выходное сопротивление 2 Ом Параметры тока короткого замыкания генератора Im = 0,25; 0,5; 1; 2 кА + 10% tФ = 6,4 мкс + 30% tИ = 16 мкс + 20% | |
IEC 61000–4–18 Затухающие колебательные помехи (Затухающие колебательные волны) | Амплитуда Um = 0,5; 1; 2; 4 кВ + 10% Время нарастания (фронт) tФ = 75 нс + 20% на уровнях 10–90% от Um Частота колебаний f = 0,1 и 1 МГц + 10%. Затухание менее 50% за первые 5 полупериодов и более 50% за 10 полупериодов колебания Выходное сопротивление 200 Ом |
Наибольшие значения амплитуды применяются для оборудования, работающего в жесткой электромагнитной обстановке или определяющего безопасность. Указанное время нарастания (длительность фронта) импульсов определяется на уровнях 10–90% от амплитуды, но в стандартах возможно и другое определение этой величины. Необходимо всегда уточнять в нормативном документе как проводится измерение интересующего параметра. Длительность импульса напряжения определяется на уровне 50% от амплитуды.
Приведенная в табл. 1 форма импульсных помех по стандартам ГОСТ IEC 61000-4-4-2016 [1], ГОСТ IEC 61000-4-5-2017 [2] может быть описана биэкспоненциальным импульсом:
.
Для получения длительности фронта 5 нс, длительности импульса 50 нс и единичной амплитуды импульса Um = 1 по ГОСТ IEC 61000-4-4-2016 следует положить E = 1,261, τ1 = 3,3 ∙ 10-9 с, τ2 = 56 ∙ 10-9 с.
Для получение длительности фронта 1 мкс, длительности импульса 50 мкс и единичной амплитуды импульса Um = 1 по ГОСТ IEC 61000-4-5-2017 следует положить E = 1,04, τ1 = 0,5 ∙ 10-6 с, τ2 = 68 ∙ 10-6 с.
ГОСТ IEC 61000-4-5-2017 предусматривает также испытание соединительных линий большой протяженности импульсами напряжения с длительностью фронта 6,5 мкс при длительности импульса 700 мкс. Для получения таких параметров при единичной амплитуде Um = 1 следует положить E = 1,022, τ1 = 3,15 ∙ 10-6 с, τ2 = 983 ∙ 10-6 с.
Колебательные затухающие помехи по ГОСТ IEC 61000-4-18-2016 [3] описываются выражением:
.
Для получения длительности фронта 75 нс и колебаний с частотой 100 кГц при амплитуде Um = 1 следует положить E = 1,018, τ1 = 37 ∙ 10-9 с, τ2 = 40 ∙ 10-6 с, ω = 2π ∙ 100000.
СХЕМЫ ДЛЯ МОДЕЛИРОВАНИЯ ИСПЫТАТЕЛЬНЫХ ГЕНЕРАТОРОВ
Для оценки воздействия импульсных помех, в моделирующих SPICE программах, необходимо иметь схемные модели испытательных генераторов.
В качестве модели генератора наносекундных импульсных помех по ГОСТ IEC 61000-4-4-2016 предлагается использовать схему, приведенную на рис. 1.
Рис. 1. Модель испытательного генератора по IEC 61000-4-4.
Fig. 1. Test generator model compliant with IEC 61000-4-4.
В схеме, набираемой в моделирующей SPICE программе, идеальный источник V1 постоянного напряжения величиной Е = 1,11 обеспечивает заряд накопительного конденсатора С1 = 3,3 нФ, который затем разряжается через ключ Х1 на цепь L1 = 55 нГн, R2 = 20 Ом, формируя на выходе импульс напряжения u с требуемыми параметрами (рис. 2). Ключ управляется источником V2, который в момент t = 0 подает на ключ ступеньку напряжения, изменяющую сопротивление ключа от бесконечности почти до нуля. Резистор R3 = 50 Ом обеспечивает заданное выходное сопротивление генератора. Резистор R4 является нагрузкой. В режиме близком к холостому ходу при R4 = 10 кОм амплитуда выходного напряжения равна Um = 1. При подключении нагрузки R4 = 50 Ом амплитуда должна уменьшиться в 2 раза. Погрешность значения амплитуды при моделировании не превышает 2,4% при допустимой величине до 10%. Стандартная длительность фронта обеспечивается на нагрузке 50 Ом и на холостом ходу генератора с погрешностью менее 12% при допустимой погрешности 30%. Длительность импульса также соответствует требованиям стандарта при нагрузке от 50 Ом до 10 кОм с погрешность менее 8%. Для моделирования генератора, создающего заданную амплитуду помехи, необходимо пропорционально изменить напряжение источника V1. Например, для создания помехи с амплитудой 4000 В на холостом ходу необходимо установить Е = 1,11 ∙ 4000 = 4440 В.
Рис. 2. Изменение напряжения u на выходе модели испытательного генератора по IEC 61000-4-4 при нагрузке RH = R4 с сопротивлением 50 Ом и 10 кОм.
Fig. 2. Change in voltage u at the output of the IEC 61000-4-4 test generator model (load: RH = R4; resistance: 50 Ohm and 10 kOhm).
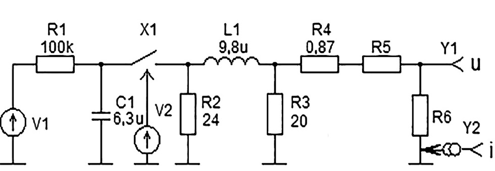
Генератор микросекундных импульсных помех длительностью 50 мкс по ГОСТ IEC 61000-4-5-2017 моделируется схемой, представленной на рис. 3.
Рис. 3. Модель испытательного генератора по IEC 61000-4-5 для длительности 50 мкс.
Fig. 3. IEC 61000-4-5 test generator model for 50 µs width.
Источник V1 постоянного напряжения величиной Е = 1,03 обеспечивает заряд накопительного конденсатора С1 = 6,3 мкФ, который по сигналу управления от источника V2 разряжается через ключ Х1 на цепь R2 = 24 Ом, L1 = 9,8 мкГн, R3 = 20 Ом, формируя на выходе импульс напряжения амплитудой Um = 1 (рис. 4). Указанные элементы и резистор R4 = 0,87 Ом обеспечивают требуемое выходное сопротивление генератора 2 Ом при условии R5 = 0. Схема обеспечивает стандартные параметры напряжения холостого хода и тока короткого замыкания генератора. Дополнительный резистор R5 = 10 Ом используется при подаче помех несимметрично в цепи питания и полагается равным R5 = 40 Ом при вводе помех в линии связи. Резистор R6 изображает нагрузку генератора. Погрешность значения амплитуды напряжения холостого хода и тока короткого замыкания при моделировании не превышает 1%. Длительность фронта и длительность создаваемого импульса соответствует требованиям стандарта с погрешностью менее 5% при допустимой погрешности соответственно 30% и 20%.
Рис. 4. Изменение напряжения u на выходе модели испытательного генератора 50 мкс по IEC 61000-4-5 на холостом ходу и тока I при коротком замыкании выхода.
Fig. 4. Change in voltage u at the output of the 50 µs test generator model (IEC 61000-4-5) at idle and current I during output short circuit.
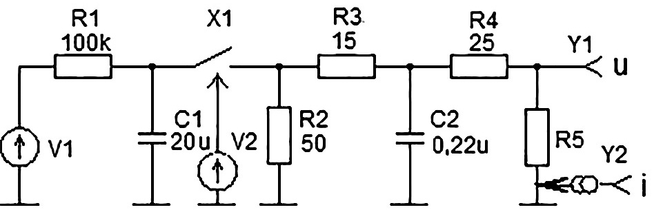
Генератор микросекундных импульсных помех длительностью 700 мкс по ГОСТ IEC 61000-4-5-2017 моделируется схемой на рис. 5.
Рис. 5. Модель испытательного генератора по IEC 61000-4-5 для длительности 700 мкс.
Fig. 5. IEC 61000-4-5 test generator model for 700 µs width.
Источник V1 постоянного напряжения величиной Е = 1,02 обеспечивает заряд накопительного конденсатора С1 = 20 мкФ, который по сигналу управления от источника V2 разряжается через ключ Х1 на цепь R2 = 50 Ом, R3 = 15 Ом, С2 = 0,22 мкФ, формируя на выходе импульс напряжения амплитудой Um = 1 (рис. 6). Указанные элементы и резистор R4 = 25 Ом обеспечивают требуемое выходное сопротивление генератора 40 Ом. Схема обеспечивает стандартные параметры напряжения холостого хода и тока короткого замыкания генератора. Резистор R5 изображает нагрузку генератора. Погрешность значения амплитуды напряжения холостого хода и тока короткого замыкания при моделировании не превышает 1%. Длительность фронта и длительность создаваемого импульса соответствует требованиям стандарта с погрешностью менее 4% при допустимой погрешности соответственно 30% и 20%.
Рис. 6. Изменение напряжения u на выходе модели генератора импульсов 700 мкс по IEC 61000-4-5 на холостом ходу и тока i при коротком замыкании выхода.
Fig. 6. Change in voltage u at the output of the 700 µs generator model (IEC 61000-4-5) at idle and current I during output short circuit.
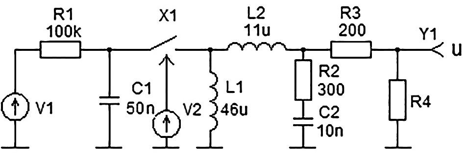
Генератор колебательных затухающих помех с частотой колебаний 100 кГц по ГОСТ IEC 61000-4-18-2016 моделируется схемой на рис. 7.
Рис. 7. Модель испытательного генератора по IEC 61000-4-18 для частоты 100 кГц.
Fig. 7. IEC 61000-4-18 test generator model for the frequency of 100 kHz.
Заряд и разряд накопительного конденсатора С1 до напряжения Е = 1 осуществляется аналогично рассмотренному выше. Частота колебаний в основном определяется параметрами элементов C1 = 50 нФ и L1 = 46 мкГн, а длительность фронта индуктивностью L2 = 11 мкГн и резистором R2 = 300 Ом. Резистор R3 = 200 Ом определяет требуемое выходное сопротивление генератора. Нагрузка изображается резистором R4. Погрешность значения амплитуды напряжения холостого хода, полученного моделированием по приведенной схеме, не превышает 1% Длительность фронта и частота колебаний (рис. 8) соответствуют требованиям стандарта с погрешностью менее 4% при допустимой погрешности соответственно 20% и 10%. Для моделирования импульсных помех с амплитудой, отличной от 1 необходимо пропорционально изменить напряжение источника V1.
Рис. 8. Изменение напряжения u на выходе модели генератора колебаний 100 кГц по IEC 61000-4-18.
Fig. 8. Change in voltage u at the output of a 100 kHz oscillator model (IEC 61000-4-18).
ВЫВОДЫ
Импульсные помехи наносекундной, микросекундной длительности способны вызвать сбои в работе различных технических средств. Правила Российского морского регистра судоходства и многочисленные стандарты по электромагнитной совместимости требуют обеспечить устойчивость оборудования к этим видам помех.
Предложенные математические описания импульсных помех и модели схем испытательных генераторов дают возможность моделировать воздействие помех на схемы электронного и электротехнического оборудования на стадии проектирования для предварительной оценки его соответствия требованиям по электромагнитной совместимости.
ДОПОЛНИТЕЛЬНАЯ ИНФОРМАЦИЯ
Вклад авторов. Представленная статься является коллективным трудом авторов и охватывает анализ нормативной документации, разработку математического описания стандартных импульсных помех, разработку схем, имитирующих помехи, проверку моделей, оценку погрешностей.
Источники финансирования. Авторы заявляют об отсутствии внешнего финансирования при проведении исследования.
Конфликт интересов. Авторы декларируют отсутствие явных и потенциальных конфликтов интересов, связанных с публикацией настоящей статьи.
Генеративный искусственный интеллект. При создании настоящей статьи технологии генеративного искусственного интеллекта не использовали.
Рассмотрение и рецензирование. Настоящая работа подана в журнал в инициативном порядке и рассмотрена по обычной процедуре. В рецензировании участвовали один внешний рецензент, член редакционной коллегии и научный редактор издания.
ADDITIONAL INFORMATION
Author contributions: All authors made substantial contributions to the conceptualization, investigation, and manuscript preparation, and reviewed and approved the final version prior to publication.
Funding sources: No funding.
Disclosure of interests: The authors have no relationships, activities, or interests for the last three years related to for-profit or not-for-profit third parties whose interests may be affected by the content of the article.
Generative AI: No generative artificial intelligence technologies were used to prepare this article.
Provenance and peer review: This paper was submitted unsolicited and reviewed following the standard procedure. The peer review process involved one external reviewer, a member of the editorial board, and the in-house scientific editor.
About the authors
Alexander A. Vorshevsky
Saint Petersburg State Marine Technical University
Email: elemcom@rambler.ru
SPIN-code: 6357-8486
Dr. Sci. (Engineering), Associate Professor, Head of the Department of Electrical Engineering and Electrical Equipment of Ships
Russian Federation, Saint PetersburgPyotr A. Vorshevsky
Saint Petersburg State Marine Technical University
Email: petekw@rambler.ru
SPIN-code: 9819-0704
Cand. Sci. (Engineering), Associate Professor at the Department of Electrical Engineering and Electrical Equipment of Ships
Russian Federation, Saint PetersburgMyat Thu Kyaw
Saint Petersburg State Marine Technical University
Email: kyawhsu314@gmail.com
Postgraduate Student at the Department of Electrical Engineering and Electrical Equipment of Ships
Russian Federation, Saint PetersburgHtet Aung Hein
Saint Petersburg State Marine Technical University
Author for correspondence.
Email: heinhtetaung5338@gmail.com
Postgraduate Student at the Department of Electrical Engineering and Electrical Equipment of Ships
Russian Federation, Saint PetersburgReferences
- ND № 2-020101-174. Pravila klassifikacii i postrojki morskih sudov, Chast' XI «Elektricheskoe oborudovanie». Saint Petersburg: Rossijskij morskoj registr sudohodstva; 2025. (In Russ.)
- GOST R IEC 60945-2007. Morskoe navigacionnoe oborudovanie i sredstva radiosvyazi. Obshchie trebovaniya. Metody ispytanij i trebuemye rezul'taty ispytanij. Moscow: Standartinform; 2009. (In Russ.)
- Agafonov AM, Worshevsky AA, Vorshevskij PA, et al. Ensuring electromagnetic compatibility of intelligent control systems when interference occurs in ship cable routes. Morskie intellektual'nye tekhnologii. 2020;1-3(47):115–120. doi: 10.37220/MIT.2020.47.1.072 EDN: GXVXOJ
- Worshevskij AA, Galperin VE. Electromagnetic compatibility of ship technical equipment. Saint Petersburg: SPbGMTU; 2010.
- GOST IEC 61000-4-4-2016. Electromagnetic compatibility (EMC) – Part 4-4: Testing and measurement techniques. Electrical fast transient/burst immunity test. Moscow: Standartinform; 2016. (In Russ.)
- GOST IEC 61000-4-5-2017. Electromagnetic compatibility (EMC) – Part 4-5: Testing and measurement techniques. Surge immunity test. Moscow: Standartinform; 2017. (In Russ.)
- GOST IEC 61000-4-18-2016. Electromagnetic compatibility (EMC) – Part 4-18: Testing and measurement techniques. Damped oscillatory wave immunity test. Moscow: Standartinform; 2016. (In Russ.)
Supplementary files
