Features of the design of ventilation and air conditioning in the buildings of medical institutions
- Authors: Board E.
- Issue: Vol 93, No 11 (2004)
- Pages: 42-43
- Section: Articles
- URL: https://freezetech.ru/0023-124X/article/view/103978
- DOI: https://doi.org/10.17816/RF103978
- ID: 103978
Cite item
Full Text
Abstract
The material is printed without changes according to the reference book “Ventilation and air conditioning systems. Recommendations for design, testing and commissioning, chapter 17.
Full Text
Материал печатается без изменений по справочнику «Системы вентиляции и кондиционирования. Рекомендации по проектированию, испытаниям и наладке», глава 17.Области применения приведенных выше способов вентилирования “чистых” помещений приведены в таблице 17.12. Принципиальные схемы приточно-вытяжной вентиляции приведены на рис. 17.14-17.19.
Приведенные способы распределения воздуха ламинарными потоками дают возможность обеспечить большой воздухообмен при малых допустимых скоростях потока и создать тип воздушной завесы, отсекающий поле деятельности от остального помещения. В помещениях палат, родовых залов и других помещений приточные и вытяжные решетки должны быть разведены и приближены к противоположным боковым стенам помещений.
Очистка воздуха. Наружный воздух, подаваемый системами приточной вентиляции и кондиционирования воздуха, следует очищать в фильтрах.
Таблица 17.12
Область применения воздухораспределения в “чистых ” помещениях
Способ воздухорапределения | Назначение помещения |
Потолочная вентиляция слаботурбулентными и турбулентными потоками | Ультрастерильная хирургия: ортопедические, кардиологические операционные, операционные пересадки спинного мозга, ортопедические кабинеты, стерильные спальни, нейрохирургия. Помещения приготовления лекарственных средств |
Однонаправленный (ламинарный) поток через потолок (стену) | Ультрастерильная хирургия, приготовление лекарственных средств в асептических условиях |
Неоднонаправленный (турбулентный) поток через потолочный или пристенный воздухораспределитель | Стерильная хирургия: операционные урологические, гинекологические и т.д., родовые залы, палаты для ожоговых больных |
Однонаправленный поток через ламинарные воздухораспределители | Классическая хирургия, реанимационные залы, палаты интенсивной терапии |
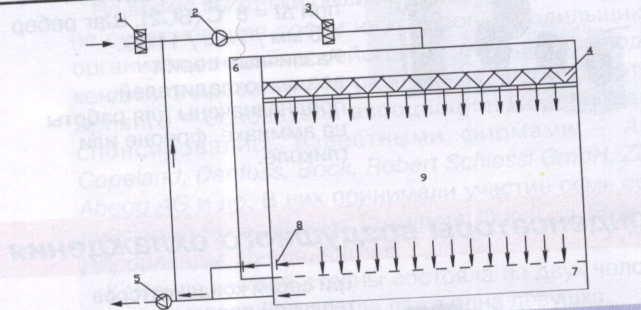
Рис. 17.14. Схема вентиляции в помещении с однонаправленным вертикальным потоком:1. Фильтр грубой очистки. 2. Приточный вентилятор. 3. Фильтр тонкой очистки.4. Абсолютный фильтр. 5. Вытяжной вентилятор. 6. Боковое пространство для вытяжного воздуха. 7. Промежуточная камера для вытяжного воздуха. 8. Вытяжное устройство. 9. Чистое пространство
Рис. 17.15. Схема вентиляции в помещении с однонаправленным горизонтальным потоком:1. Фильтр грубой очистки. 2. Приточный вентилятор. 3. Фильтр тонкой очистки. 4. Вытяжной вентилятор. 5. Абсолютный фильтр. 6. Боковое пространство для вытяжного воздуха. 7. Вытяжное устройство
Рис. 17.16. Схема вентиляции в помещении с неоднонаправле ным потоком воздуха и устройством шкафа с ламинарным потоком:1. Фильтр грубой очистки. 2. Приточная установка. 3. Фил1 тонкой очистки. 4. Воздухораспределитель турбулентного потока. 5. Шкаф с воздухораспределителем ламинарного потока. 6. Вытяжной вентилятор из шкафа. 9. Чистое пространство. 10. Вытяжной вентилятор
ХОЛОДИЛЬНАЯ ТЕХНИКА ХОЛОДИЛЬНАЯ ТЕХНИКАХОЛОДИЛЬНАЯ ТЕХНИКА ХОЛОДИЛЬНАЯ ТЕХНИКА ХОЛОД.
Рис. 17.17. Схема вентиляции помещения с турбулентными потоками: Фильтр грубой очистки. 2. Приточный вентилятор.Фильтр тонкой очистки. 4. Воздухораспределитель турбулентного потока. 5. Вытяжное устройство. 6.Чистое пространство. 7. Вытяжной вентилятор
Рис. 17.18. Схема вентиляции в помещении с воздухораспределителем ламинарного потока: 1. Приточная установка.2. Воздухораспределитель ламинарного потока. 3. Чистая зона. 4. Вытяжное устройство. 5. Вытяжная шахта. 6. Подмешивание воздуха.7. Наружный воздух.8. Рециркуляционный воздуховод.9. Решетки для рециркуляционного потока.10. Абсолютный фильтр.11. Приточный воздуховод
Рис. 17.19. Схема распределения воздуха в операционных
Рис. 17.20. Схема очистки воздуха:а) двухступенчатая; б) трехступенчатая1. Фильтр первой ступени. 2. Фильтр второй ступени. 3. Фильтр третьей ступени. 4. Магистральный воздуховод. 5. Приточная установка. 6. Воздухораспределитель. 7. Помещение
Фильтры классифицируют по назначению и эффективности на:
- фильтры общего назначения: фильтры грубой очистки; фильтры тонкой очистки;
- фильтры, обеспечивающие специальные требования к чистоте воздуха, в том числе для “чистых” помещений:
- фильтры высокой эффективности; фильтры сверхвысокой эффективности.
Обозначения классов фильтров по ГОСТ Р 51251-99 приводятся в таблице 17.13.
Таблица 17.13.
Группа фильтров | Класс фильтра |
Фильтры грубой очистки | G1 G2 G3 G4 |
Фильтры тонкой очистки | F5 F6 F7 F8 F9 |
Фильтры высокой эффективности | Н10 Н11 Н12 Н13 Н14 |
Фильтры сверхвысокой эффективности | U15 U16 U17 |
Для лечебно-диагностических, реабилитационных, профилактических, вспомогательных помещений, помещений палат для взрослых и детей нетрудного возраста больниц, медицинских центров и т.д. следует предусматривать двухступенчатую очистку воздуха.
Для помещений операционных, наркозных, предродовых, родовых, послеоперационных палат, реанимационных залов, палат интенсивной терапии, одно- двухкоечных палат для больных с ожогами, палат для новорожденных, грудных, недоношенных и травмированных детей, стерильных производственных помещений, а также для помещений вивариев (помещений для научно-исследовательских работ с животными) предусматривается трехступенчатая очистка воздуха (рис.17.20).
About the authors
Editorial Board
Author for correspondence.
Email: info@eco-vector.com
Russian Federation
References
Supplementary files










