Climate systems of urban electric buses
- Authors: Lavrov N.A.1, Savinov M.A.1,2
 - 
							Affiliations: 
							
- Bauman Moscow State Technical University
 - LATRAC
 
 - Issue: Vol 112, No 1 (2023)
 - Pages: 13-20
 - Section: Reviews
 - URL: https://freezetech.ru/0023-124X/article/view/595872
 - DOI: https://doi.org/10.17816/RF595872
 - ID: 595872
 
Cite item
Abstract
This article considers the climate systems of urban electric buses from different manufacturers, as well as presents and compares their characteristics and diagrams. Climate systems with two vapor compression refrigeration machines, a dependent evaporator of the driver’s cabin, and a chiller-fan coil circuit are analyzed, the existing domestic microclimate system for an electric bus is considered, and the advantages and disadvantages of these systems are presented. The influence of the features of electric buses, such as the limited battery capacity and absence of an internal combustion engine as a heat source, on the concept and design features of their microclimate systems is shown. The features of climate systems for electric buses intended for operation in the territory of the Russian Federation are considered, including the following technical requirements of organizations operating city electric buses: dual-zone climate control, i.e., separately for the passenger salon and driver’s cabin, and the possibility of using an auxiliary heater operating by burning diesel fuel only at ambient temperatures below 0 ℃ and at relatively low ambient temperatures during the cold season. The review conducted in this article aims to identify ways to further improve the climate systems of urban electric buses and demonstrate the various criteria when comparing them and assessing their efficiency.
Full Text
ОСОБЕННОСТИ КЛИМАТИЧЕСКИХ СИСТЕМ ДЛЯ ГОРОДСКИХ ЭЛЕКТРОБУСОВ
Первый электромобиль появился в первой половине XIX века, более чем на век раньше первого кондиционера на автомобиле, причём, в настоящее время наличие системы обеспечения микроклимата является практически обязательным требованием для любых автомобильных транспортных средств [1, 2]. Особо сложной задачей является реализация климатической системы для электробусов [3]. Это объясняется как ограниченным запасом энергии в аккумуляторных батареях на электробусе по сравнению с традиционным автобусом с двигателем внутреннего сгорания, так и значительно большей тепловой нагрузкой на климатическую систему по сравнению с легковыми электромобилями.
Системы обеспечения микроклимата для электробусов в основном создаются на базе климатических систем для автобусов и трамваев ввиду тождественности области применения и требуемых тепловых нагрузок. Поэтому в тёплый период года режим охлаждения реализуется в электробусе по аналогии с трамваями [4], т.е. путем применения компрессора с электродвигателем, при необходимости с частотным преобразователем, а не сальниковым компрессором с приводом через муфту от двигателя внутреннего сгорания. Естественно, ещё одной отличительной особенностью электробусов является отсутствие двигателя внутреннего сгорания, как источника теплоты для реализации отопления в холодный период года. Потому отопление на электробусах реализуется тепловым насосом и (или) за счёт сжигания дизельного топлива для нагрева промежуточного теплоносителя, что резко ухудшает экологичность такого электробуса. Использование электрических калориферов (воздушных или жидкостных) для отопления электробуса, очевидно, весьма затратно в условиях ограниченной ёмкости аккумуляторных батарей, так, например, на первых отечественных электробусах [5] энергоёмкость батарей составляла около 80 кВт·час, а требуемая тепловая мощность климатической системы при температуре окружающей среды минус 40 °С составляет примерно 35 кВт, т.е. почти половина ёмкости батареи из условия часового пробега должна расходоваться на нужды отопления.
Основным заказчиком электробусов в РФ является Мосгортранс, согласно требованиям которого [6] к климатическим системам электробусов необходимо использование: двухзонного климат-контроля, отдельно для салона и для кабины водителя; применение вспомогательного нагревателя, работающего за счёт сжигания дизельного топлива (дизельного нагревателя) при температурах окружающей среды ниже 0 °С. Поэтому при положительных температурах окружающей среды (условно, от 0 до плюс 10 °С) отопление необходимо реализовывать либо с помощью электрокалориферов, либо тепловым насосом, что более предпочтительно вследствие ограниченной ёмкости аккумуляторных батарей электробуса.
Все вышеперечисленные требования и ограничения безусловно создают для проектировщиков климатической системы электробуса, в общем, весьма сложную многокритериальную задачу. При этом, необходимость обеспечения параметров микроклимата по требованиям [1, 2], например, заданного распределения поля температур в салоне или кабине электробуса, также предполагает соответствующие конструктивные решения. Например, для реализации режима отопления необходимо использовать салонные нагреватели, а также предусмотреть подогрев приточного воздуха в крышевой климатической установке. Поэтому, в случае использования дизельного нагревателя необходимо использовать промежуточный теплоноситель и применять теплообменники нагрева приточного воздуха в крышевой установке от дизельного нагревателя.
КЛИМАТИЧЕСКАЯ СИСТЕМА С ДВУМЯ ПАРОКОМПРЕССИОННЫМИ ХОЛОДИЛЬНЫМИ МАШИНАМИ
В настоящее время существуют несколько концепций систем обеспечения микроклимата в электробусе. Компания Songz [7] предлагает системы без промежуточного теплоносителя (рис. 1) за счет использования реверсирования кондиционера в тепловой насос для поддержания климатических условий в салоне электробуса. Характеристики системы представлены в таблице 1. Так же применяются дизельные нагреватели для подвода в салон теплоты. Для кабины водителя используется отдельная крышевая установка. Тем самым для обеспечения существующих требований применятся два отдельных кондиционера, однако подогрев приточного воздуха в крышевой установке от дизельного нагревателя требует применения отдельных жидкостных теплообменников. Стоит отметить, что производитель заявляет опцию двухступенчатого теплового насоса для случая низких температур наружного воздуха. Данное решение требует более глубокого анализа для всех возможных параметров наружного воздуха ввиду очевидной неравномерности температур в салоне электробуса, поскольку тёплый приточный воздух лучше подавать снизу, и возможной низкой энергоэффективностью с учётом вспомогательных элементов, например, вентиляторов испарителя, что приближает данное решение по энергозатратам к отоплению электрокалориферами.
Рис. 1. Схема климатической системы компании Songz 1 — Крышевая установка салона; 2 — Крышевая установка кабины; 3 — Фронтальный отопитель с испарителем; 4 — Подогреватель жидкостной дизельный или электрический; 5 — Зависимые салонные отопители; 6 — Трубопроводы теплоносителя; 7 — Трубопроводы хладагента.
Таблица 1. Характеристики климатической системы электробуса компании Songz
Table 1. Characteristics of the Songz electric bus air conditioning system for electric buses
Параметр  | Значение  | 
Холодопроизводительность, кВт  | 22 (производителем не раскрываются параметры воздуха на входе в испаритель и конденсатор)  | 
Расход приточного воздуха, м3/ч  | 6000 (при нулевом сопротивлении воздуховодов)  | 
Потребляемая мощность, кВт  | 9,2 (только для крышевой установки)  | 
Масса крышевой установки, кг  | 271  | 
Габариты, мм  | 3170 × 2000 × 278  | 
Хладагент  | R407C  | 
КЛИМАТИЧЕСКАЯ СИСТЕМА С ЗАВИСИМЫМ ИСПАРИТЕЛЕМ КАБИНЫ ВОДИТЕЛЯ
В системах кондиционирования воздуха Thermo King [8] и Eberspaecher [9] для охлаждения кабины водителя применяется отдельный зависимый испаритель, к которому подводятся хладоновые трубопроводы (рис. 2). Также в крышевой установке размещается жидкостной калорифер для подогрева приточного воздуха при отоплении дизельным подогревателем. Характеристики систем представлены в таблицах 2 и 3. Недостатком предложенной схемы являются сложность реализации применения теплового насоса для отопления кабины, менее точное поддержание и регулирование температуры в салоне и кабине по той причине, что испарители обоих помещений объединены и работают при одном давлении кипения, однако, при этом, для кабины не требуется отдельного кондиционера.
Рис. 2. Схема климатической системы компаний Thermo King и Eberspaecher 1 — Крышевая установка салона; 2 — Фронтальный отопитель с испарителем; 3 — Подогреватель жидкостной дизельный или электрический; 4 — Зависимые салонные отопители; 5 — Трубопроводы теплоносителя; 6 — Трубопроводы хладгента.
Таблица 2. Характеристики климатической системы электробуса компании Thermo king
Table 2. Characteristics of the Thermo King bus air conditioning system for electric buses
Параметр  | Значение  | 
Холодопроизводительность, кВт  | 21,6 (при температуре воздуха на входе в конденсатор 35 °С, температуре воздуха на входе в испаритель 27 °С, температуре влажного термометра воздуха на входе в испаритель 19 °С (относительной влажности 47%))  | 
Расход приточного воздуха, м3/ч  | 6200 (при нулевом сопротивлении воздуховодов)  | 
Потребляемая мощность, кВт  | 12 (только для крышевой установки)  | 
Масса крышевой установки, кг  | 235  | 
Габариты, мм  | 2500 × 1850 × 305  | 
Хладагент  | R407C  | 
Таблица 3. Характеристики климатической системы электробуса компании Eberspaecher
Table 3. Characteristics of the Eberspaecher bus air conditioning system for electric buses
Параметр  | Значение  | 
Холодопроизводительность, кВт  | 24 (при температуре воздуха на входе в конденсатор 35 °С, температуре воздуха на входе в испаритель 27 °С, относительная влажность воздуха на входе в испаритель производителем не заявлена)  | 
Расход приточного воздуха, м3/ч  | 6100 (при нулевом сопротивлении воздуховодов)  | 
Потребляемая мощность, кВт  | 9,6 (только для крышевой установки)  | 
Масса крышевой установки, кг  | 219  | 
Габариты, мм  | 2360 × 2010 × 380  | 
Хладагент  | R134a  | 
КЛИМАТИЧЕСКАЯ СИСТЕМА СО СХЕМОЙ ЧИЛЛЕР-ФАНКОЙЛ
Для более точного поддержания и регулирования температуры используется концепция чиллер-фанкойл (рис. 3), которая реализована в климатической системе Heavac [10]. Теплоноситель подготавливается (нагревается в холодный период года или охлаждается в тёплый период года) в крышевой установке и далее подаётся в теплообменники кабины и салона. В этот же контур теплоносителя встроен дизельный нагреватель. Основные характеристики системы представлены в таблице 4. К недостаткам данной схемы можно отнести несколько большую инерционность из-за наличия промежуточного теплоносителя во всех режимах работы и дополнительные потери на недорекуперацию в теплообменниках с промежуточным теплоносителем. К достоинствам данной климатической системы следует отнести возможность прецизионно поддерживать параметры микроклимата внутри транспортного средства и реализовывать индивидуальное регулирование температуры для салона и кабины.
Рис. 3. Схема климатической системы компаний Heavac 1 — Крышевая установка; 2 — Крышевые фанкойлы; 3 — Задний отопитель кабины; 4 — Фронтальный отопитель кабины; 5 — Подогреватель жидкостной дизельный или электрический; 6 — Зависимые салонные отопители; 7 — Трубопроводы теплоносителя.
Таблица 4. Характеристики климатической системы электробуса компании Heavac
Table 4. Characteristics of the Heavac bus air conditioning system for electric buses
Параметр  | Значение  | 
Холодопроизводительность, кВт  | 27 (при температуре воздуха на входе в конденсатор 35 °С, температуре воздуха на входе в испаритель 27 °С, относительная влажность воздуха на входе в испаритель 46%)  | 
Расход приточного воздуха, м3/ч  | 4000 (при нулевом сопротивлении воздуховодов)  | 
Потребляемая мощность, кВт  | 11,7  | 
Масса крышевой установки и двух крышевых фанкойлов, кг  | 390  | 
Габариты, мм  | 2372 × 1165 × 424 (крышевой чиллер) 1720 × 525 × 200 (габарит одного крышевого фанкойла)  | 
Хладагент  | R407C  | 
ПУТИ СОВЕРШЕНСТВОВАНИЯ КЛИМАТИЧЕСКИХ СИСТЕМ ЭЛЕКТРОБУСОВ
В рамках обзора существующих климатических систем стоит отдельно отметить пути их дальнейшего совершенствования. Очевидной является тенденция, связанная с переходом на экологичные холодильные агенты вследствие требований Кигалийской поправки к Монреальскому протоколу [11]. Исходя из этого необходимо обратить внимание на установку Konvekta UltraLight 500 CO2 [12], в которой в качестве хладагента используется двуокись углерода. Установка оснащена тепловым насосом и предназначена для электробусов.
Также перспективным выглядит использование для отопления теплоты, выделяемой электродвигателями и объединение климатической системы электробуса с системой термостатирования аккумуляторных батарей.
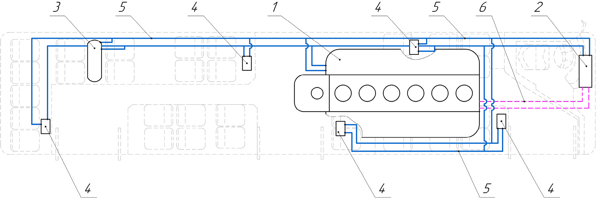
ОТЕЧЕСТВЕННЫЕ КЛИМАТИЧЕСКИЕ СИСТЕМЫ ДЛЯ ГОРОДСКИХ ЭЛЕКТРОБУСОВ
Для отечественных предприятий, специализирующихся на разработке и изготовлении транспортных климатических систем, электробусы являются новым направлением со всеми вышеперечисленными особенностями и требованиями. Поэтому, несмотря на массовую эксплуатацию в Российской Федерации и особенно в Москве отечественных электробусов, к сожалению, российские предприятия практически не представлены в области климатических систем для данного транспорта. Единственным отечественным кондиционером для электробуса является установка СК ГЭ 01 [13] производства АО «Лаборатория транспортного климата». Данная установка успешно прошла испытания на экспериментальном стенде и всесторонние испытания совместно с электробусом, в том числе в климатических камерах, а также эксплуатировалась и продолжает эксплуатироваться в Набережных Челнах, Уфе и Москве. Данную систему отличает реализация двухзонного климат-контроля, наличие теплового насоса, функционирующего при температурах окружающей среды свыше минус 10 °С, точность поддержания температуры в салоне и кабине ± 1,0 °С, наличие датчика углекислого газа в салоне, который применяется для регулирования подачи наружного воздуха при изменении количества пассажиров.
ЗАКЛЮЧЕНИЕ
В итоге можно отметить, что климатическая система электробуса, имеющая множество критериев эффективности, требует тщательного проектирования и расчётов, анализа концепции реализации совместно с конструкцией самого транспортного средства. Появление новых образцов техники оставляет большое пространство для последующего повышения эффективности, в независимости от того, что под этим понимается: минимизация выбросов углекислого газа от сжигания дизельного топлива в жидкостном подогревателе; уменьшение мощности, потребляемой от аккумуляторных батарей и, следовательно, увеличение пробега электробуса; большая точность поддержания температуры в салоне и кабине; более широкий диапазон регулирования температуры с пульта управления или же какой-то иной критерий.
ДОПОЛНИТЕЛЬНАЯ ИНФОРМАЦИЯ
Вклад авторов. М.А. Савинов — обзор литературы, сбор и анализ литературных источников, написание текста статьи; Н.А. Лавров — формулировка темы и названий разделов, редактирование статьи. Все авторы подтверждают соответствие своего авторства международным критериям ICMJE (все авторы внесли существенный вклад в разработку концепции, проведение исследования и подготовку статьи, прочли и одобрили финальную версию перед публикацией).
Конфликт интересов. Авторы декларируют отсутствие явных и потенциальных конфликтов интересов, связанных с проведенным исследованием и публикацией настоящей статьи.
Источник финансирования. Авторы заявляют об отсутствии внешнего финансирования при проведении исследования и подготовке публикации.
ADDITIONAL INFORMATION
Authors' contribution. M.A. Savinov — literature review, collection, and analysis of literary sources, writing the text of the article; N.A. Lavrov — topic and section title wording, editing the article. All authors contributed substantially to the work’s conception, acquisition, analysis, and interpretation of data, drafting, and revision and the final approval of the version to be published and agreed to be held accountable for all aspects of the work.
Competing interests. The authors declare that they have no competing interests.
Funding source. This study was not supported by any external sources of funding.
About the authors
Nikolai A. Lavrov
Bauman Moscow State Technical University
														Email: 79035596471@yandex.ru
				                	ORCID iD: 0000-0003-2324-8247
				                	SPIN-code: 9187-7444
																		                								
Dr. Sci. (Tech.), Professor
Russian Federation, MoscowMikhail A. Savinov
Bauman Moscow State Technical University; LATRAC
							Author for correspondence.
							Email: sova89@mail.ru
				                	ORCID iD: 0009-0000-2495-7323
				                	SPIN-code: 8268-0560
																		                								
Senior Lecturer
Russian Federation, Moscow; MoscowReferences
- GOST 30593-2015. Motor vehicles. Heating, ventilation and conditioning systems. Requirements for efficiency and safety. Moscow: Standartinform; 2016. (In Russ).
 - GOST R 53828-2010. Vehicles. System of microclimate. Technical requirements and test methods. Moscow: Standartinform, 2010. (In Russ).
 - GOST R 52021-2003. Power-driven vehicles and trailers. Classification and definitions. Moscow: Gosstandart Rossii, 2003. (In Russ).
 - Boes J, Janssen E, Kauba M, et al. Active vibration reduction applied to the compressor of an air-conditioning unit for trams. In: Proceedings of the conference «Acoustics»; 2008 Jun 29-Jul 04; Darmstadt, Germany. Paris; 2008.
 - Evarestov VM, Maksimov VA, Pozhivilov NV, et al. Overview of the introduction of electric buses KAMAZ-6282-12 and LiAZ-6274 in the bus depots of the city of Moscow. In: Problems of technical operation and car service of the rolling stock of road transport: Collection of scientific papers of the EATiS department, dedicated to the 90th anniversary of MADI, based on materials from 78 scientific-methodical and scientific- research conference MADI. 2020 Jan 28–29. Moscow; 2020:32–37. (In Russ).
 - Specification for a large-capacity city electric bus with a low floor level. Official website of the Mayor of Moscow [internet] Accessed: 25.06.2023. Available from: https://www.mos.ru/dt/documents/obraztcy-dokumentov/view/184154220/
 - Electric bus air conditioner. SONGZ [internet] Accessed: 25.06.2023. Available from: https://www.songzac.com/electric-bus-air-conditioner/
 - Athenia MkII Series Electric Series. Thermo King [internet] Accesed: 25.06.2023. Available from: https://europe.thermoking.com/ru/bus-hvac/athenia-mkii-electric-series
 - Product datasheets. Eberspaecher [internet] Accessed: 25.06.2023. Available from: https://www.eberspaecher.com/en/download-center/product-datasheets
 - HVAC systems and components, the whole nine yards. Aurora [internet] Accessed: 25.06.2023. Available from: https://www.aurora-eos.com/en/products
 - Tsvetkov O.B., Laptev Y.A., Mitropov V.V., et al. Kigaliyskaya popravka v kontekste global’nykh klimaticheskikh imperativov. Refrigeration Technology. 2019;108(4):24–30. doi: 10.17816/RF104211
 - Electric bus and hybrid bus. Konvekta [internet] Accessed: 25.06.2023. Available from: https://www.konvekta.de/en/products/bus-air-conditioning/electric-hybrid-bus.html
 - Patent RUS № 193446 / 29.10.2019. Byul. № 31. Zakatov AS., Starkova MG, Bratyakin ZL, et al. Climate system of urban electric buse. (In Russ) Accessed: 25.06.2023. Available from: https://patents.s3.yandex.net/RU193446U1_20191029.pdf
 
Supplementary files
				
			
					
						
						
									





