Comparative analysis of air condensers
- Authors: Sayfetdinov A.G.1, Firsova Y.A.1, Dyuzhin D.D.1
-
Affiliations:
- Kazan National Research Technological University
- Issue: Vol 113, No 2 (2024)
- Pages: 84-89
- Section: Original Study Articles
- URL: https://freezetech.ru/0023-124X/article/view/631728
- DOI: https://doi.org/10.17816/RF631728
- EDN: https://elibrary.ru/BHZQBH
- ID: 631728
Cite item
Abstract
Background: The refrigeration industry continues to develop new technologies utilized in the daily operations of various businesses and plants. A clear example is the development of microchannel air heat exchangers. They are characterized by high energy efficiency, material savings and low refrigerant consumption. Despite all advantages, microchannel condensers have one major drawback — they are poorly known. Therefore, this paper studies these heat exchangers, including the experimental study of heat exchange parameters and comparative analysis of microchannel and tube plate air condensers.
Aim: To compare microchannel and tube plate condensers in relation to temperature gradient and thermodynamic efficiency of refrigeration units.
Methods: The problems are solved by an experimental study of microchannel and tube plate condensers in the laboratory, experimental data processing, measurement error assessment, and thermodynamic analysis of operating cycles of refrigeration units based on air condensers.
Results: We calculated the temperature gradient, subcooling temperatures of the studied heat exchangers, and refrigerating factors of the units.
Conclusion: The study shows that the difference between condensation and ambient temperatures in a microchannel condenser is smaller than in the tube plate heat exchanger. The microchannel refrigeration unit has a higher effective refrigerating factor.
Full Text
Обоснование
Такие новации, как появление микроканальных воздушных теплообменников, способствуют развитию техники низких температур, а также внедрению в промышленность природоохранных и экологических решений. Микроканальные теплообменники (МКТО) обеспечивают высокую интенсивность теплообмена, прочность конструкции аппаратов, а использование их в различных агрегатах позволяет существенно сократить объемы рабочих жидкостей, находящихся в системах. Такие аппараты нашли применение во многих отраслях промышленности: атомной энергетике, химии, нефтехимии, микроэлектронике, аэрокосмической индустрии, в микроэлектромеханических устройствах для биологических и химических исследований. Они незаменимы в технических устройствах, в которых главным требованием является возможность охлаждения различных сред в ограниченном пространстве [1].
Цель
Для сравнения характеристик микроканального и пластинчато-трубчатого воздушного конденсаторов (ПТТО) на базе лаборатории ООО «ПК «Интерколд» было проведено экспериментальное исследование.
Методы
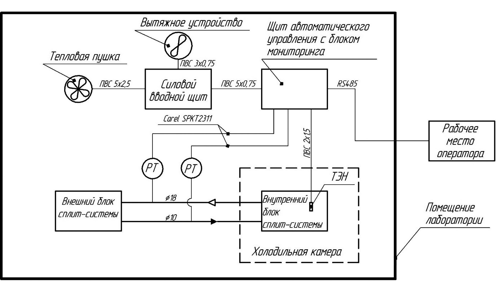
Теплообменники были установлены в смонтированные в помещении серийно выпускаемые сплит-системы. Агрегат состоит из поршневого компрессора Tecumseh TAJ4519z, воздушного конденсатора, фильтра-осушителя Sanhua DTG-F053s, дроссельной трубки, испарителя. Система была заправлена фреоном R404A. Схема стенда представлена на рис. 1.
Рис. 1. Схема испытательного стенда.
Fig. 1. Test bench configuration.
Внутри лаборатории располагается испытательный стенд. Испытуемые конденсаторы находятся во внешнем блоке сплит-системы. Внутренний блок находится в охлаждаемом объеме (камере). Управление агрегатом, внешними и внутренними блоками осуществляется через щит автоматического управления, который соединён с вводным силовым щитом. Линия жидкости и линия всасывания соединены с коллекторами высокого и низкого давления гибкими шлангами.
Для создания тепловой нагрузки внутри холодильной камеры находятся четыре трубчатых нагревательных элемента (ТЭН) номинальной мощностью 2000 Вт. Они, с целью регулировки производительности через цифровой ваттметр, соединены с лабораторным трансформатором (ЛАТР), который вынесен за пределы лаборатории на рабочее место оператора.
На щите автоматического управления располагается блок мониторинга «Индис», который соединён с соответствующими контроллерами для снятия показаний давлений и температур во всасывающей трубке компрессора и трубке на выходе из конденсатора, что позволяет замерить величины перегрева и переохлаждения холодильного агента. Связь блока мониторинга c персональным компьютером (ПК) на рабочем месте оператора обеспечивает передачу данных с контроллеров на экран ПК, а также на сервер «Индис».
Для обеспечения микроклимата в лаборатории установлена тепловая пушка, а также вытяжное устройство (осевой вентилятор), которые соединены с вводным силовым щитом.
В ходе эксперимента сравнивались такие характеристики, как производительность агрегата, давление и температура конденсации, градиент температур на конденсаторе, температура переохлаждения сконденсировавшейся жидкости. Замеры производились каждые 10 минут. После эксперимента была выполнена оценка погрешностей измерений.
Результаты
Эксперимент показал, что разница температур θ конденсации и окружающей среды на микроканальном конденсаторе составляет, в среднем, 9 К, а на пластинчато-трубчатом — около 12–13 К (рис. 2).
Рис. 2. Градиент температур на МКТО и ПТТО.
Fig. 2. Temperature gradient in MCHE (microchannel heat exchanger) and PTHE (plate tube heat exchanger).
Величина переохлаждения (рис. 3) у обоих аппаратов в установившемся режиме работы практически не отличается, и является оптимальной для холодильной машины.
Рис. 3. Величина переохлаждения жидкого хладагента в МКТО и ПТТО.
Fig. 3. Degree of liquid refrigerant supercooling in MCHE (microchannel heat exchanger) and PTHE (plate tube heat exchanger).
С целью получения величины холодильного коэффициента в агрегатах с микроканальным и пластинчато-трубчатым конденсаторами выполнен тепловой расчёт парокомпрессионной холодильной машины [2]. Расчетные данные показали, что машина на базе микроканального теплообменника обладает более высоким эффективным холодильным коэффициентом, ее энергоэффективность на 10–15% выше.
Обсуждение
По результатам исследования можно сделать следующие выводы. По сравнению с пластинчато-трубчатым аппаратом, градиент температур на микроканальном конденсаторе ниже на 3–4℃, что положительно влияет на работу компрессора, а также повышает энергетическую эффективность холодильной системы. Кроме того, внутренний объем МКТО почти в 3 раза ниже, чем у ПТТО, что позволяет снизить дозу заправки фреоном.
Более высокая интенсивность теплообмена в МКТО обьясняется применением в их конструкции микроканальных технологий, которые заключаются в применении каналов меньшей толщины. Коллекторы конденсатора соединены между собой тонкими пластинами с микроканалами, по которым движется хладагент. При этом толщина пластины с каналами составляет от 1 до 4,5 мм, а диаметр канала — от 0,79 до 3,5 мм. Кроме того, между пластинами создана система ребер имеющих множество прорезей, толщина которых составляет 0,1 мм. Такая конструкция позволяет добиться существенного увеличения поверхности теплообмена при небольших габаритах аппарата.
На основе анализа литературы и опыта эксплуатации ООО «ПК «Интерколд» рассмотрим другие преимущества, а также недостатки МКТО в сравнении с ПТТО. Достоинством микроканального теплообменника является его масса и стоимость. Так, если трубчато-ребристые аппараты предполагают использование медных трубок и алюминиевых ребер, то микроканальные изготовлены только из алюминия. Это приводит к тому, что при одинаковых площадях теплообмена, но разной глубине (обусловленной конструктивными различиями) масса микроканального конденсатора снижается до 40% в сравнении с пластинчато-трубчатыми конденсаторами. Благодаря конструктивным особенностям глубина микроканального конденсатора в 3–4 раза меньше, чем для аналогичного по площади теплообмена пластинчато-трубчатого конденсатора. Поэтому потеря давления по воздуху в МКТО снижается до 50%, энергопотребление до 45%. Кроме того, МКТО отличает повышенная коррозионная стойкость конструкции за счет применения алюминия и отсутствия гальванической коррозии, характерной для стыков двух разных металлов в традиционной конструкции. Микроканальные теплообменники могут использоваться в агрессивных средах.
Несмотря на множество достоинств новой технологии, у микроканальных теплообменников имеются некоторые недостатки. Во-первых, учитывая плотное расположение ребер, существует вероятность более быстрого загрязнения теплообменников. Во-вторых, толщина ребер очень мала, поэтому их проще замять и повредить, следовательно, чистка требует гораздо большей аккуратности от сервисных бригад. При утечке или повреждении трубок традиционные пластинчато-трубчатые конденсаторы более ремонтопригодны, ремонтируются даже вне сервиса, если есть доступ и инструмент в наличии. Микроканальные конденсаторы свариваются аргоном, где нужна высокая квалификация сварщика. Но сейчас на рынке появились специальные алюминиевые припои, позволяющие ремонтировать МКТО вне сервиса.
На определенном этапе эксплуатации своих изделий ООО «ПК «Интерколд» столкнулся со следующей проблемой. В случае, когда несущий швеллер микроканального конденсатора приваривался к коллектору, при резких перепадах температур стальной швеллер «рвал» алюминиевый коллектор из-за относительно высокого температурного коэффициента линейного расширения последнего.
Еще одним недостатком, характерным для микроканальных воздушных конденсаторов большой длины (свыше 800 мм), работающих на фреоне R404A, является высокое гидравлическое сопротивление. В ходе эксперимента с МКТО, имеющим габариты 2400х800х25 мм, было выявлено падение давления на выходе из конденсатора порядка 4 бар, вместо заявленных 1,6 бар. Это негативно сказывается на работе компрессора, на его энергопотреблении и энергоэффективности. При использовании теплообменников меньшей длины падение давления существенно снижается и по величине соразмерно с ПТТО. Испытание на других фреонах, например, R134a, такого серьёзного падения давления не показало.
Кроме того, нет возможности использовать МКТО в качестве испарителя ввиду того, что при сегодняшнем технологическом уровне не представляется возможным сконструировать правильный гидрораспределитель, соединяющий сотни, а то и тысячи микроканалов.
Заключение
В ближайшее время микроканальные конденсаторы не смогут полностью заменить пластинчато-трубчатые ввиду консервативности рынка холодильной техники и описанных выше недостатков МКТО. Но на них делается большая ставка в охлаждении микроэлектроники. С решением проблем, связанных с использованием этих аппаратов в качестве испарителей, можно будет ожидать перехода всего климатического оборудования на теплообменные секции нового типа. Традиционные пластинчатые теплообменники также могут быть переведены на микроканальную технологию при условии соблюдения чистоты обменивающихся тепловой энергией сред во избежание загрязнения микроканалов. Таким образом, процесс освоения данной технологии идет достаточно активно, и в обозримом будущем она сможет занять лидирующие позиции на рынке.
Дополнительная информация
Вклад авторов: А.Г. Сайфетдинов — обзор литературы, сбор и анализ литературных источников, выбор методики проведения эксперимента, анализ и обработка результатов исследования, написание текста и редактирование статьи; Ю.А. Фирсова — обзор литературы, сбор и анализ литературных источников, подготовка и написание текста статьи; Д.Д. Дюжин — участие в проведении экспериментального исследования, подготовка и написание текста статьи. Все авторы подтверждают соответствие своего авторства международным критериям ICMJE (все авторы внесли существенный вклад в разработку концепции, проведение исследования и подготовку статьи, прочли и одобрили финальную версию перед публикацией).
Источник финансирования. Экспериментальное исследование проведено при поддержке ООО «ПК «Интерколд».
Конфликт интересов. Авторы декларируют отсутствие явных и потенциальных конфликтов интересов, связанных с проведенным исследованием и публикацией настоящей статьи.
Additional information
Author contributions. A.G. Sayfetdinov: literature review, collection and analysis of literary sources, selection of the experimental methodology, analysis and processing of the research results, writing the text and editing the article; Yu.A. Firsova: literature review, collection and analysis of literary sources, preparation and writing of the article; D.D. Dyuzhin: participation in the experimental study, preparation and writing of the article. All authors made a substantial contribution to the conception of the work, acquisition, analysis, interpretation of data for the work, drafting and revising the work, final approval of the version to be published and agree to be accountable for all aspects of the work.
Competing interests. The authors declare that they have no competing interests.
Funding source. The experimental study was conducted with the support of the company «Intercold».
About the authors
Almaz G. Sayfetdinov
Kazan National Research Technological University
Author for correspondence.
Email: almazy_kstu@mail.ru
ORCID iD: 0009-0000-3192-5848
SPIN-code: 2464-6793
Cand. Sci. (Engineering), Associate Professor
Russian Federation, 68 K. Marx st, (Department of NKTT) Kazan, 420015Yuliya A. Firsova
Kazan National Research Technological University
Email: firsovay@mail.ru
ORCID iD: 0009-0000-9845-8957
SPIN-code: 3938-3442
Cand. Sci. (Engineering), Associate Professor
Russian Federation, 68 K. Marx st, (Department of NKTT) Kazan, 420015Danil D. Dyuzhin
Kazan National Research Technological University
Email: warriorcwz@gmail.com
ORCID iD: 0009-0005-8895-7249
68 K. Marx st, (Department of NKTT) Kazan, 420015
References
- Bulletin of the UCC APIC. Modern technologies used in refrigeration machines. Climate World. 2014;82:94–101. (In Russ.)
- Firsova Yu.A., Saifetdinov A.G. Calculations on refrigeration equipment and technology. Kazan: KNITU; 2020. (In Russ.)
Supplementary files






