Energy performance of integrated CO₂ refrigeration, heating and cooling system in real applications
- Authors: Karve N.1, Van de Velde K.1, Vandaele S.1
- 
							Affiliations: 
							- Daikin Europe N.V.
 
- Issue: Vol 112, No 4 (2023)
- Pages: 215-226
- Section: Original Study Articles
- URL: https://freezetech.ru/0023-124X/article/view/635369
- DOI: https://doi.org/10.17816/RF635369
- ID: 635369
Cite item
Abstract
Conveni-pack, a Daikin product, is an integrated refrigeration, cooling and heating system that recovers heat from the refrigeration to heat up the space. It additionally functions as a heatpump when additional heating is needed in winter and provides cooling in summer. In 2019, Daikin launches a new model that uses CO₂ as refrigerant, next to the existing R-410A model. The CO₂ version has comparable COP to the R-410A model so that TEWI is considerably lower and therefore an excellent product to reduce CO₂ emissions and meet the requirements set by the European F-gas regulation. Daikin Europe N.V. has engaged in an EU funded project (LIFE) in which the reduction of the CO₂ emissions using an integrated system in real shops across Europe and the impact of the raw materials used will be investigated. During 2020–2022, DENV will monitor 20 systems in real applications and research the potential of thermal storage to further reduce emissions.
This article is a translation of the article by Karve N, Van de Velde K, Vandaele S. Energy performance of integrated CO2 refrigeration, heating and cooling system in real applications. In: Proceedings of the 9th IIR Conference on the Ammonia and CO2 Refrigeration Technologies. Ohrid: IIF/IIR, 2021.
DOI: 10.18462/iir-nh3-co2.2021.0029 Published with the permission of the copyright holder.
Keywords
Full Text
СОКРАЩЕНИЯ
| TEWI | Общий коэффициент эквивалентного потепления (кг-CO₂экв.) | COPref | Коэффициент преобразования при охлаждении (-) | 
| Lannual | Годовой уровень утечки (кг/год) | n | Срок эксплуатации (годы) | 
| m | Заправка хладагента (кг) | αrecovery | Коэффициент регенерации хладагента (%) | 
| Eannual | Годовое потребление энергии (кВтч) | β | Косвенные выбросы (кг-CO₂ экв./кВтч) | 
| Tamb | Температура окружающей среды (℃) | SEPR | Сезонный коэффициент энергоэффективности | 
| COP | Коэффициент преобразования (-) | Refcap | Холодопроизводительность (кВт) | 
| Coolcap | Холодопроизводительность кондиционирования (кВт) | Heatcap | Теплопроизводительность (кВт) | 
| PHRcap | Производительность частичной рекуперации теплоты (кВт) | mref | Массовый расход для охлаждения (кг/с) | 
| mac | Массовый расход для кондиционирования/отопления (кг/с) | INV1rps | Частота вращения холодильного компрессора (об/мин) | 
| INV2rps | Частота вращения компрессора кондиционирования (об/мин) | INV3rps | Частота вращения компрессора 2-й ступени (об/мин) | 
| RP | Давление в ресивере (Па) | TL | Температура жидкости для холодильных шкафов/внутренних блоков (K) | 
| LPref | Давление всасывания холодильного компрессора (Па) | TSref | Температура всасывания холодильного компрессора (К) | 
| LPac | Давление всасывания компрессора кондиционирования (Па) | TSac | Температура всасывания компрессора кондиционирования (К) | 
| TDhigh | Температура нагнетания компрессора 2-й ступени (К) | TLavg | Средняя температура жидкости во внутренних блоках (K) | 
| TID,liq | Температура жидкого хладагента во внутренних блоках (K) | TID,gas | Температура газообразного хладагента во внутренних блоках (K) | 
| TID,air | Температура всасываемого воздуха на внутренних блоках (K) | Kfact | Производительность на единицу температуры (кВт/К) | 
| Eng | Энергия (кВт-ч) | Cap | Производительность (кВт) | 
| Δt | Разница во времени (ч) | GWP | Потенциал глобального потепления | 
| RefEng | Холодопроизводительность охлаждения [кВт-ч] | HeatEng | Поставляемая тепловая энергия [кВт-ч] | 
| CoolEng | Холодопроизводительность кондиционирования [кВт-ч] | PHREng | Поставляемая тепловая энергия при частичной | 
| ConsEng | Энергия, потребляемая наружным блоком (Компрессоры, вентиляторы) [кВт-ч] | ||
1. ВВЕДЕНИЕ
Межправительственная группа экспертов по изменению климата (МГЭИК) Рамочной конвенции ООН по изменению климата (РКИК ООН) сообщила о необходимости сокращения к 2050 году выбросов парниковых газов на 80–95 % по сравнению с уровнем 1990 года для предотвращения нежелательных последствий изменения климата. Для достижения этой цели в «дорожной карте», разработанной Комиссией, предлагается сократить к 2030 году выбросы, не связанные с CO₂, включая фторированные парниковые газы, на 72% по сравнению с уровнем 1990 года. Это означает сокращение еще на 70 миллионов тонн выбросов фторированных парниковых газов в эквиваленте CO₂ по сравнению с предполагаемыми выбросами в 104 млн. тонн в эквиваленте CO₂ в 2030 году [1]. В соответствии с этой директивой, компания Daikin Europe N.V. реализовала проект под названием «Natural HVACR 4 Life», который направлен на замену фторированных газов в коммерческом секторе путем внедрения комбинированной системы охлаждения и кондиционирования, «Conveni-pack», в которой в качестве единственного хладагента используется CO₂. Проект направлен на демонстрацию целесообразности использования CO₂ в качестве хладагента (R-744) путем установки по меньшей мере 20 таких комбинированных систем и мониторинга их энергетической эффективности в супермаркетах по всему ЕС. Цель данной статьи — описать работу устройства, методы, используемые при расчете энергетической эффективности системы для различных режимов работы, предварительные результаты, полученные в результате мониторинга данных о тепловом комфорте в помещении и энергетической эффективности, а также сравнить систему с аналогичной эталонной системой, в которой используется R410A, и другой системой, в которой используется две обычные установки на базе CO₂ для холодильного оборудования и кондиционирования воздуха соответственно. Поскольку проект завершен только наполовину, в данной статье будут представлены только предварительные результаты. Однако, в будущем планируется выход работы, в которой будут рассмотрены более полные и окончательные результаты проекта.
2. МЕТОДЫ
В следующих разделах будет представлено описание системы, методы анализа ее работы как в экспериментальных, так и в реальных условиях. Наряду с предварительными результатами работы будут рассмотрены проблемы, с которыми сталкиваются подобные системы, а также возможности для дальнейшего развития и анализа.
2.1. Описание установки
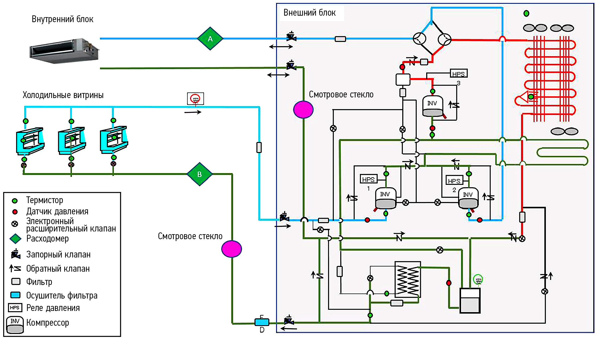
Установка CO₂ Conveni-pack компании Daikin представляет собой комбинированную холодильную систему и систему кондиционирования воздуха, использующую CO₂ в качестве хладагента, изображенную на рис. 1. Система способна обеспечивать одновременное холодоснабжение и обогрев или охлаждение помещений за счет использования двух независимых компрессоров низкой ступени, работающих в паре с одним компрессором второй ступени.
Рис. 1. Схематическое изображение типовой установки.
Fig. 1. Schematic Layout of a typical installation.
Обогрев помещения может осуществляться либо за счет рекуперации тепла от холодильных шкафов, либо с улицы через конденсаторный агрегат, который работает как тепловой насос.
В этой установке используются компрессоры с плавающим ротором, разработанные компанией Daikin. По принципу действия компрессоры с плавающими ротором схожи с ротационными, но вместо скользящей лопасти используется поворотная втулка, в которой размещается вращающийся поршень. Поскольку такое расположение поршней представляет собой единый блок, это уменьшает утечки и тем самым повышает эффективность работы компрессора.
2.2. Анализ по результатам измерений в испытательных камерах
2.2.1 Сравнение с системой на основе R410A
Чтобы сравнить производительность установки с ее аналогом на основе R410A, был проведен анализ измерений, зарегистрированных в испытательных камерах для обеих систем. Для этого сравнения был использован агрегат мощностью 15 л.с. обеих систем при одинаковых температурах окружающей среды и частоты их возникновения [2]. Исходя из этих условий окружающей среды, был рассчитан сезонный коэффициент энергоэффективности (SEPR) для обеих систем. На основании SEPR рассчитывается общий коэффициент эквивалентного потепления (TEWI) каждой системы. TEWI определяется как сумма прямых и косвенных выбросов в метрических тоннах эквивалента CO₂ рассматриваемого хладагента [3]. Этот коэффициент рассчитывается по следующему уравнению:
(1)
где GWP — это потенциал глобального потепления хладагента. Для R410A GWP составляет 2087,5, а для R744-1. m — расход хладагента в кг, Lannual — уровень утечки в кг в год, n — срок службы установки, αrecovery — коэффициент восстановления, значение которого находится в диапазоне от 0 до 1. Eannual — это годовое потребление энергии в кВтч, β — количество косвенных выбросов в эквиваленте килограмм CO₂ на каждый кВтч потребленной энергии. Входные данные для вышеупомянутых параметров приведены в табл. 1.
Таблица 1. Исходные данные для расчета TEWI
Table 1. Input for TEWI calculation
| Параметр | R-410A | R-744 | 
| GWP | 2087,5 | 1 | 
| m [кг] | 20 | 30 | 
| Lannual [кг/год] | 0,2 | 0,3 | 
| n [лет] | 10 | 10 | 
| αrecovery [%] | 50 | 50 | 
Для расчета Eannual использовались точки состояния обеих систем, измеренные в идентичных испытательных камерах, где были заданы значения холодопроизводительности при различных температурах окружающей среды. Расчет коэффициента преобразования, COPref, в этих точках состояния производился как отношение холодопроизводительности к мощности, потребляемой агрегатом для охлаждения.
Таблица 2. Точки состояния для расчета SEPR для R410A и R744
Table 2. Condition points for SEPR calculation for R-410A and R-744
| Точки состояния SEPR | R410A | R744 | |||
| Tamb [℃] | Производительность (кВт) | COPref [-] | Производительность (кВт) | COPref [-] | |
| 32 | 15,20 | 2,29 | 14,50 | 1,81 | |
| 25 | 13,63 | 3,47 | 13 | 2,35 | |
| 15 | 11,37 | 4,23 | 10,85 | 3,45 | |
| 5 | 9,12 | 4,30 | 8,75 | 5,24 | |
Эти точки состояния были использованы в качестве эталона для расчета SEPR для обеих систем в условиях «бункера», как упоминалось выше. Температура окружающей среды в бункере варьировалась от -19℃ до 38℃ с указанием частоты возникновения каждой температуры в часах. Используя эти частоты возникновения и интерполяцию производительностей и коэффициентов преобразования, указанных в таблице, для каждой системы при каждой температуре бункера были рассчитаны поставляемая и потребляемая энергия [2].
Рис. 2. Сравнение параметров R744 и R410A в зависимости от температуры в бункере и частоты возникновения.
Fig. 2. COPref comparison between R-744 and R-410A based on bin temperatures and occurrences.
На рис. 2 представлены частоты возникновения и COPref для каждой системы в зависимости от температуры бункера. Из этого графика видно, что хотя система на основе ГФУ показывает более высокий коэффициент преобразования при любой температуре выше 10℃, появление более низких температур сводит на нет это преимущество, где система на основе CO₂ показывает значительно более высокий COPref.
2.2.2. Сравнение между неинтегрированными и интегрированными системами охлаждения, обогрева и кондиционирования CO₂
С помощью этого анализа мы хотели показать важность рекуперации тепла в холодильной установке, интегрированной с системой отопления и охлаждения помещений. Для расчета предполагаемого количества рекуперированного тепла использовались номинальные мощности установки в точках состояния для охлаждения, отопления и кондиционирования, как указано в табл. 3.
Таблица 3. Точки состояния (температуры) для расчета влияния рекуперации теплоты
Table 3. Condition points (Temperatures) for calculation of impact of Heat Recovery
| Точки состояния [℃] | Неинтегрированная | Интегрированная (CVP) | ||||
| охлаждение | отопление | кондиционирование | охлаждение | отопление | кондиционирование | |
| 25 | -7 | 25 | 25 | -7 | 25 | |
| 15 | 2 | 30 | 15 | 5 | 32 | |
| 5 | 7 | 35 | 5 | |||
Рис. 3. Установка для мониторинга данных на демонстрационных площадках.
Fig. 3. Data monitoring setup at demo sites.
Было рассчитано влияние суммарного количества теплоты, полученного за год, на эффективность по сравнению с автономной, неинтегрированной системой на основе экспериментальных измерений этой установки без рекуперации теплоты. Неинтегрированная система, рассматриваемая в рамках данной статьи, — это система, обеспечивающая только охлаждение или только отопление/кондиционирование помещений, в отличие от комбинированной системы, обеспечивающей одновременно и то, и другое. Таким образом, в такой системе отсутствует возможность рекуперации теплоты. Годовая энергия, поставляемая на охлаждение, нагрев и кондиционирование, рассчитывалась с использованием аналогичных температур и частот их возникновения в бункере, как и в предыдущем разделе для расчетов SEPR. В соответствии с [4] температура переключения с нагрева на охлаждение считалась равной 16 ℃. Для охлаждения, обогрева и кондиционирования были приняты во внимание следующие параметры, соответственно.
2.3. Анализ по результатам измерений в реальных магазинах
2.3.1. Установка мониторинга
Для измерения различных параметров системы, в частности, давления, температуры и энергопотребления, использовалась установка, состоящая как из внутренних датчиков, так и из внешних измерительных приборов. Внутренние датчики использовались для контроля давления, температуры, работы расширительных клапанов, режимов работы, скорости вращения компрессора и т.д., в то время как внешние измерительные приборы использовались для измерения потребления энергии и расхода хладагента. Данные по каждой установке сохранялись на локальном сервере каждый вечер и использовались для расчетов энергоэффективности, как показано на рис. 3. Из-за высокой стоимости расходомеров они были установлены не на всех объектах, и поэтому был принят метод расчета расхода по частоте вращения компрессора. На рис. 4 представлена схема подключения наружного блока CVP.
Рис. 4. Сравнение TEWI для R744 и R410A.
Fig. 4. TEWI comparison between R-744 and R-410A.
2.3.2. Расчеты производительности
На основе измеренных данных были рассчитаны производительности для охлаждения, кондиционирования и отопления, как показано в приведенных ниже уравнениях. Холодопроизводительность Refcap была рассчитана, согласно уравнению (2), исходя из энтальпий на входе и выходе, которые зависят от давления в ресивере, RP, температуры жидкости, TL, давления всасывания и температуры в холодильном компрессоре, LPref и TSref соответственно, и частоты вращения холодильного компрессора, INV1rps.
(2)
Аналогично, холодопроизводительность кондиционирования, Coolcap, была рассчитана по характеристикам всасывания в компрессоре кондиционирования воздуха, INV2, а также по температуре жидкости и давлению в ресивере, согласно:
(3)
Теплопроизводительность, Heatcap, была вычислена по высокому давлению и температуре на нагнетании компрессора высокой ступени, INV3, как показано в уравнении (4). Энтальпия на выходе рассчитывалась по средней температуре жидкости на выходе из внутренних блоков. Аналогичным образом рассчитывается производительность в режиме полной рекуперации тепла. Однако, в режиме частичной рекуперации теплоты теплопроизводительность рассчитывается по коэффициенту Kfact, который рассчитывается по производительности при среднелогарифмической разности температур на стороне газа и жидкости и температурой всасывания воздуха в помещении, как указано в уравнении (5). Коэффициент Kfact получается для каждой установленной модели внутреннего блока согласно уравнениям:
(4)
(5)
Поставляемая энергия [кВт-ч] для всех производительностей рассчитывается по уравнению (6),
(6)
Коэффициент преобразования, COP, установки рассчитывается по уравнению (7),
(7)
2.3.3. Метод характеристики компрессора (Метод CC)
Как уже говорилось, из-за дороговизны расходомеры не всегда можно установить на всех объектах, поэтому для расчета различных значений производительности был использован метод, основанный на скорости вращения компрессора. Для этого на основе данных о производительности, полученных на экспериментальных стендах, где были установлены расходомеры, была рассчитана константа, представляющая собой описанный объем компрессора.
3. РЕЗУЛЬТАТЫ
3.1. Результаты измерений в испытательных камерах
3.1.1. Сравнение с системой R410A
Исходя из условий бункера и точек состояния, SEPR системы на R410A был рассчитан как 4,05, в то время как SEPR системы на R744 был рассчитан как 3,70. На основе годового потребления энергии, рассчитанного для каждой системы, был рассчитан показатель TEWI за 10-летний период. Даже при более низком эталонном COP можно заметить, что TEWI в течение срока службы системы на базе CO₂ примерно на 34% ниже, чем у системы на базе R410A, как видно из рис. 5.
Риc. 5. Производительность охлаждения, отопления и кондиционирования для интегрированных (слева) и неинтегрированных (справа) систем.
Fig. 5. Refrigeration, Heating and Cooling Capacities for Integrated (left) and Non-Integrated (right) systems.
Это обусловлено крайне незначительными прямыми выбросами в результате утечки хладагента и возможностью рекуперации.
3.1.2. Сравнение между неинтегрированной и интегрированной системами охлаждения, отопления и кондиционирования
По температурам в бункере, частоте их возникновения и производительности в точках состоянии для неинтегрированной системы и данной установки были рассчитаны годовые объемы энергии, выделяемой на охлаждение, отопление и кондиционирование, представленных на рис. 6, а также годовое потребление электроэнергии. По результатам экспериментальных измерений SEPR для интегрированной системы составил 4,92 по сравнению с 3,44 для неинтегрированной системы.
Рис. 6. Энергопотребление интегрированных (слева) и неинтегрированных (справа) систем.
Fig. 6. Power consumption for integrated (left) and non-integrated (right) systems.
Такое повышение эффективности интегрированной системы на 43% можно объяснить большим количеством тепловой энергии, получаемой в результате рекуперации теплоты. Из общего объема поставленной тепловой энергии, равного примерно 60.700 кВт*ч за год, на рекуперацию теплоты пришлось около 43.300 кВт*ч, что составляет около 71% от общей потребности в отоплении. Влияние рекуперации теплоты хорошо видно на рис. 7. Резкий скачок энергопотребления, наблюдаемый на рисунке справа для неинтегрированной системы, исчезает для интегрированной системы из-за рекуперации теплоты системой.
Рис. 7. Годовой обзор энергопотребления установки на реальном объекте в Пльзене, Чешская Республика.
Fig. 7. Annual Energy Overview of unit at actual site in Plzen, CZ.
Эти результаты были получены при температуре переключения с отопления на охлаждение и наоборот на уровне 16℃. Из указанного можно сделать вывод о еще большем влиянии рекуперации теплоты на такие системы при более высоких температурах переключения, что можно наблюдать в реальных условиях. Даже при сравнении системы с природным хладагентом, подобной этой установке, с неинтегрированной системой с ГФУ и более высоким SEPR, рекуперация теплоты оказывает положительное влияние, улучшая производительность интегрированной природной системы на 28%.
3.2. Результаты измерений в реальных магазинах
Приведенные ниже результаты были получены на установке, размещенной в магазине на территории компании Daikin Industries Czechia в Пльзене, Чешская Республика. Установка была смонтирована в конце июля 2020 года, поэтому будут рассмотрены результаты с июля по декабрь.
Рис. 8. Сравнение теплопроизводительность по методу CC с измеренным массовым расходом.
Fig. 8. Comparison of Heating Capacity using CC method with Measured Mass Flow.
На рис. 7, 8 показаны энергетические показатели, а также температура окружающей среды за последние 4 месяца. Холодопроизводительность для охлаждения, холодопроизводительность кондиционирования и теплопроизводительность, классифицированные как полностью рекуперированные, частично рекуперированные или в режиме теплового насоса, складываются в гистограмму по месяцам. Как и ожидалось, с понижением температуры окружающей среды наблюдалось увеличение потребляемой тепловой энергии. Увеличение количества тепловой энергии, поставляемой с помощью теплового насоса в октябре и марте по сравнению с августом и сентябрем, показывает, что потребность в отоплении можно покрыть, если рекуперированного тепла от холодильных шкафов недостаточно. Коэффициент COP колебался в пределах от 1,8 до 3,1.
3.2.1. Обоснование метода CC
Холодопроизводительность и теплопроизводительность, измеренные с помощью массового расходомера на демонстрационной площадке компании DENV в Остенде, были сопоставлены с производительностью, рассчитанной с использованием метода характеристики компрессора, для подтверждения последнего. В приведенных ниже таблицах сравниваются измеренные и рассчитанные производительности. Красная линия на графике указывает на «идеальное соответствие» между ними, что означает, что производительность, рассчитанная с использованием метода CC, равна производительности, рассчитанной с использованием массового расхода, измеренного с помощью расходомеров. Более темные участки на графике указывают на более частое появление точек данных за данный период времени.
Рис. 10. Сравнение холодопроизводительности по методу CC с измеренным массовым расходом.
Fig. 10. Comparison of Refrigeration Capacity using CC method with Measured Mass Flow.
Из графика на рис. 9, сравнивающего тепловые мощности, рассчитанные двумя методами, видны два участка, обведенные красным, с большим количеством точек данных. На одном участке мощность, рассчитанная с использованием обоих методов, приблизительно равна 9,5 кВт. Другой участок, но с несколько меньшей частотой возникновения, показывает мощность около 6 кВт при использовании обоих методов. Таким образом, из графиков на рис. 9 и 10, как для отопления, так и для охлаждения, соответственно, видно, что метод CC хорошо согласуется с измеренными значениями и может быть улучшен путем дальнейшей калибровки.
3.3. Сложности
Из-за высокого рабочего давления выбор специальных компонентов, в частности, предохранительных клапанов, холодильных шкафов и т.д., является сложной задачей для холодильных систем на основе CO₂. Учитывая низкую критическую температуру около 31℃ и критическое давление 74 бар, системы отопления, вентиляции, кондиционирования и охлаждения на основе CO₂ в регионах с высокой температурой окружающей среды часто должны работать в транскритическом режиме. Из-за характера кривой насыщения для эффективной работы важно выбрать оптимальную температуру или давление перехода от субкритического к транскритическому режиму и наоборот. Было замечено, что при высоких температурах окружающей среды (выше 37℃) производительность установки резко падает, что приводит к необходимости использования резервного механизма. В следующем разделе рассматривается предлагаемое решение, предусматривающее использование теплового накопителя для снижения транскритического режима работы и возможности снижения пиковой нагрузки в летний период. Анализ результатов ежедневных измерений на реальных объектах в разных местах может оказаться сложной задачей из-за большого количества обрабатываемых данных. Использование соответствующих инструментов управления данными и анализа с соответствующей фильтрацией имеет решающее значение для получения значимых результатов.
3.4. Предстоящая работа
Как видно из приведенных выше сложностей, важными технологическими барьерами в системах CO₂ являются транскритические режимы работы при высоких температурах окружающей среды. Поэтому изучаются способы избежать или ограничить работу в транскритическом режиме, и одной из наиболее привлекательных концепций является использование теплового накопителя для накопления «холода» в ночное время, когда температура окружающей среды ниже. Для хранения тепловой энергии будет использоваться резервуар для воды с PCM, т.е. материалом, меняющим фазу, с температурой плавления 20℃. Вода из этого накопителя будет использоваться в течение дня для охлаждения хладагента, выходящего из газоохладителя, а не окружающей среды с высокой температурой, а в подходящих условиях для охлаждения PCM будет использоваться нагревательный цикл установки. На рис. 11 слева представлена схема блока с тепловым накопителем, а справа — конструкция бака для хранения воды с пластинами PCM внутри.
Рис. 11. Схема и конструкция теплового накопителя.
Fig. 11. Schematic and construction of thermal storage.
Из рис. 12 видно, что при добавлении теплового накопителя после газового охладителя, поскольку хладагент поступает в ресивер гораздо холоднее, чем в обычной системе, через холодильные шкафы или внутренние блоки может проходить больший массовый поток жидкого хладагента, увеличивая производительность. Кроме того, преимуществом использования теплового накопителя является сохранение холодопроизводительности даже при высоких температурах окружающей среды, которые, как уже упоминалось, приводят к резкому снижению производительности.
Рис. 12. Диаграмма logP-h без теплового накопителя и с ним.
Fig. 12. LogP-h diagram without and with thermal storage.
На рис. 13 по оси Y показаны расчетные производительности для охлаждения и кондиционирования в кВт в зависимости от температуры окружающей среды по оси X. Можно видеть, что производительность снижается при температурах выше 37 град, как при охлаждении, так и при кондиционировании. Синяя линия соответствует холодопроизводительности, обеспечиваемой при работе установки только в режиме охлаждения, и, следовательно, показывает несколько более высокую производительность. Соответствующие пунктирные линии показывают ожидаемую максимальную производительность при включенном накопителе теплоты. Предполагается, что в будущем будет опубликована исследовательская работа, объясняющая концепцию и демонстрирующая результаты.
4. ВЫВОДЫ
Показатель SEPR для установки на CO₂ составляет 3,70 по сравнению с 4,05 для установки на R410A. Хотя производительность системы на основе гидрофторуглеводов выше, показатель TEWI для системы на основе CO₂ значительно ниже в течение 10 лет, при этом выбросы блока на базе R410A на 34% выше. Даже при высоком коэффициенте утилизации (около 80%) для системы на базе R410A, система на базе CO₂ оказывает гораздо меньшее воздействие на TEWI в течение 10 лет. Было замечено, что рекуперация теплоты оказывает весьма положительное влияние на производительность комбинированной системы охлаждения, отопления и кондиционирования, подобной Conveni-pack. По результатам расчетов, проведенных на основе экспериментальных измерений, было отмечено увеличение SEPR на 43% по сравнению с обычными неинтегрированными автономными холодильными установками и кондиционерами. По оценкам, такое увеличение SEPR будет происходить при более высоких реалистичных температурах переключения между отоплением и охлаждением, что приведет к более сильному влиянию рекуперации теплоты на производительность. Было также обнаружено, что интегрированная система демонстрирует более высокую производительность по сравнению с неинтегрированной системой на основе ГФУ в аналогичных условиях испытаний. В ходе ежемесячного обзора было установлено, что COP варьируется от 1,8 до 3,1 в магазине, выбранном в качестве демонстрационного объекта в городе Пльзень, Чешская Республика. Очевиден значительный вклад рекуперации теплоты и ее влияние на производительность, особенно в зимний период. Метод характеристики компрессора является эффективным методом расчета расхода в таких системах. Можно видеть, что при соответствующей калибровке можно избежать установки дорогостоящих расходомеров.
БЛАГОДАРНОСТИ
Компания Daikin Europe хотела бы выразить признательность за финансирование, предоставленное Европейским союзом для реализации проекта Natural HVACR4Life. Мы также хотели бы выразить благодарность компании VITO за проявленный интерес к изучению установки в Остенде, Бельгия.
ACKNOWLEDGEMENTS
Daikin Europe would like to acknowledge and appreciate the funding granted by the European Union for the Natural HVACR4Life Project. A vote of gratitude would also like to be conveyed to VITO for their interest in studying the unit at Ostend, Belgium.
ДОПОЛНИТЕЛЬНАЯ ИНФОРМАЦИЯ
Настоящая статья представляет собой перевод статьи Karve N, Van de Velde K, Vandaele S. Energy performance of integrated CO₂ refrigeration, heating and cooling system in real applications. In: Proceedings of the 9th IIR Conference on the Ammonia and CO₂ Refrigeration Technologies. Ohrid: IIF/IIR, 2021.
DOI: 10.18462/iir-nh3-co2.2021.0029
Публикуется с разрешения правообладателя.
ADDITIONAL INFORMATION
This article is a translation of the article by Karve N, Van de Velde K, Vandaele S. Energy performance of integrated CO₂ refrigeration, heating and cooling system in real applications. In: Proceedings of the 9th IIR Conference on the Ammonia and CO₂ Refrigeration Technologies. Ohrid: IIF/IIR, 2021.
DOI: 10.18462/iir-nh3-co2.2021.0029
Published with the permission of the copyright holder.
About the authors
Nishant Karve
Daikin Europe N.V.
							Author for correspondence.
							Email: karve.n@daikineurope.com
				                					                																			                												                	Belgium, 							Ostend, 8400						
Kris Van de Velde
Daikin Europe N.V.
														Email: vandevelde.k@daikineurope.com
				                					                																			                												                	Belgium, 							Ostend, 8400
						
Stefan Vandaele
Daikin Europe N.V.
														Email: vandaele.s@daikineurope.com
				                					                																			                												                	Russian Federation, 							Ostend, 8400
						
References
- European Commission Refulation (EU) No 517/2014 of the European Parilament and of the Council of 16 April 2014 on fluorinated greenhouse gases and repealing Regulation (EC) No 842/2006. Official Journal of the European Union. 2014.
- Technical Committee CEN/TC 113. Heat pumps and air conditioning units. European Standards EN 13215. European Committee for Standardization, 2016.
- North American Sustainable Refrigeration Council. What exactly is TEWI, anyway? [internet]. [Accessed 15 December 2020] Available from: https://nasrc.org/articles1/2017/1/23/what-exactly-is-tewi-anyway.
- Technical Committee CEN/TC 113. Heat pumps and air conditioning units. European Standard EN 14825. European Committee for Standardization, 2018.
Supplementary files
 
				
			 
					 
						 
						 
									

 Open Access
		                                Open Access Access granted
						Access granted Subscription or Fee Access
		                                							Subscription or Fee Access
		                                					











