Development of environmental control system for supersonic civil aircraft
- Authors: Tishchenko I.V.1,2, Abalakin S.A.1, Gornovskii A.S.1, Gubernatorov K.N.3
-
Affiliations:
- Public Joint Stock Company NPO «Nauka»
- Bauman Moscow State Technical University
- Federal Autonomous Institution «GosNIIAS»
- Issue: Vol 113, No 2 (2024)
- Pages: 63-75
- Section: Original Study Articles
- URL: https://freezetech.ru/0023-124X/article/view/636830
- DOI: https://doi.org/10.17816/RF636830
- EDN: https://elibrary.ru/JLSEVN
- ID: 636830
Cite item
Abstract
Background: Development of a new supersonic civil aircraft (SCA) requires a new environmental control system (ECS) to meet the improved fuel efficiency requirements to state-of-the-art passenger aircraft. It is proposed to increase energy efficiency to improve fuel efficiency of SCA by using electric compressors (EC) to compress air in the ECS.
Aim: This article aims at assessing the performance of the ECS configuration developed as a result of research and development (R&D) of the ECS for SCA.
Materials and methods: We developed a static mathematical model of the ECS for SCA with moisture content control to determine system parameters of the main expected operating modes.
Results: The article presents the basic parameters of the ECS for SCA and the calculation of ECS parameters for the main expected operating modes.
Conclusion: The article presents conclusions on the performance of the developed ECS design for SCA, the level of readiness of the developed ECS technology, the need for research and development of demonstrators of EC technologies and an ECS pack.
Full Text
Обоснование
В настоящее время в гражданской авиации применяются только дозвуковые самолеты. Для уменьшения продолжительности полетов необходимо создание сверхзвуковых гражданских самолетов (СГС). Для создания современного СГС требуется проведение большого количества исследований, в том числе, для разработки СКВ такого самолета. Эксплуатация СКВ СГС при этом будет проходить как на дозвуковых, так и на сверхзвуковых режимах полета.
На сегодняшний день известны два серийно выпускавшихся СГС — Ту-144 (СССР), Concorde (Великобритания-Франция) [1]. После завершения эксплуатации перечисленных самолетов разработка новых СГС была прекращена в связи со сложностями при эксплуатации (звуковой удар, высокий удельный расход топлива, шумность над аэропортом, сложность эксплуатации, высокие температуры нагрева элементов конструкции, что повлекло за собой необходимость дополнительной тепловой защиты гермокабины и ряда элементов конструкции СГС).
К современным летательным аппаратам (ЛА) предъявляются высокие требования надежности, топливной эффективности, комфорта пассажиров и экипажа. Совершенствование СКВ — одно из направлений, позволяющее удовлетворить перечисленным выше требованиям.
Для создания современного СГС необходимо создание опережающего научно-технического и технологического задела, для повышения технического совершенства энергоемких комплексных систем кондиционирования воздуха (КСКВ) для СГС. КСКВ самолета представляет собой совокупность СКВ и системы автоматического регулирования давления (САРД). КСКВ перспективного СГС — объект исследования, который может повысить конкурентоспособность отечественных воздушных судов и обеспечить выполнение высоких требований к надежности, топливной эффективности, комфорту пассажиров и экипажа.
Формирование облика перспективных СГС, обладающих конкурентным преимуществом за счет лучших технико-экономических, эксплуатационных показателей, является одним из ключевых направлений в обеспечении разработки отечественных СГС следующего поколения.
Назначение СКВ — создание и поддержание в гермокабине (ГК) ЛА комфортных параметров воздуха в соответствии с Нормами летной годности самолетов транспортной категории НЛГ 25. Для обеспечения работы СКВ и наддува ГК требуется бортовой источник сжатого воздуха. Установочная масса СКВ может достигать 2% от взлетной массы самолета, а расход топлива, затрачиваемый для подготовки сжатого воздуха на нужды СКВ может достигать 4–6% взлетной массы самолета [2].
С учетом жестких требований эффективности, предъявляемых к силовой установке СГС была выбрана СКВ с архитектурой без отбора воздуха от газотурбинного двигателя (ГТД) самолета, с электрокомпрессорами (ЭК), электропривод которых запитывается от системы электроснабжения самолета [3–5].
Известен положительный мировой опыт создания безотборных СКВ с электрокомпрессорами для дозвуковых самолетов Boeing 787, Airbus 350 [6–8]. Предлагается оценить возможность создания безотборной СКВ для перспективного СГС.
В настоящее время в России ведутся научно-исследовательские работы по созданию перспективного СГС. Концептуальный вид перспективного СГС приведен на рис. 1.
Рис. 1. Концептуальный вид перспективного СГС
Fig. 1. Conceptual view of the advanced SCA.
При проектировании ЭК безотборной СКВ СГС необходимо решить сложную техническую задачу по обеспечению эффективного охлаждения электропривода, блока регулирования частоты вращения и управления ЭК. Вопросы разработки электропривода ЭК СКВ дозвукового гражданского самолета рассмотрены в [9].
Охлаждение конструкции ЭК, описанного в работах [10, 11] осуществляется с помощью забортного воздуха. Следует отметить, что мощность описываемого ЭК достаточно небольшая 29,1 кВт. В случае необходимости проектирования более мощных электроприводов для ЭК СКВ самолетов большой размерности, система воздушного охлаждения конструкции будет достаточно габаритной и существенно повысит массу ЭК. В связи с этим необходимо рассматривать переход к жидкостному охлаждению элементов конструкции ЭК.
Для СГС воздушное охлаждение элементов ЭК неэффективно ввиду высоких температур окружающего воздуха при его полете.
В качестве хладоносителя для охлаждения элементов ЭК для СКВ СГС целесообразно использовать топливо, находящееся на борту.
Ввиду широкого диапазона измерения параметров окружающего воздуха ступень компрессора ЭК должна иметь регулируемый диффузор.
С точки зрения надежности, более приемлемо использование схемного решения на основе воздушной холодильной машины (ВХМ).
Типовые современные решения для СКВ дозвуковых пассажирских самолетов на основе ВХМ с трехколесным турбохолодильником не применимы для СГС ввиду высокой температуры забортного воздуха и довольно широкого диапазона параметров полета. В связи с этим, целесообразно разрабатывать СКВ СГС на основе ВХМ с двухколесным турбохолодильником-турбокомпрессором, при этом турбина турбохолодильника (ТХ) должна иметь регулируемый сопловой аппарат, и с применением в качестве 2-го и 3-го каскадов охлаждения топливо-воздушных теплообменников (ТВТ).
Цель работы
Оценить работоспособность схемы СКВ, разработанной в ходе научно-исследовательской работы (НИР) по разработке КСКВ перспективного СГС.
Методы
Исследование проведено в рамках научно-исследовательской работы (НИР), проводимой совместно с ФАУ «ГосНИИАС» для создания научно-технического задела (НТЗ) по КСКВ для перспективного СГС.
Работоспособность схемы СКВ оценивалась посредством тепло-влажностного расчета на основных ожидаемых режимах эксплуатации перспективного СГС.
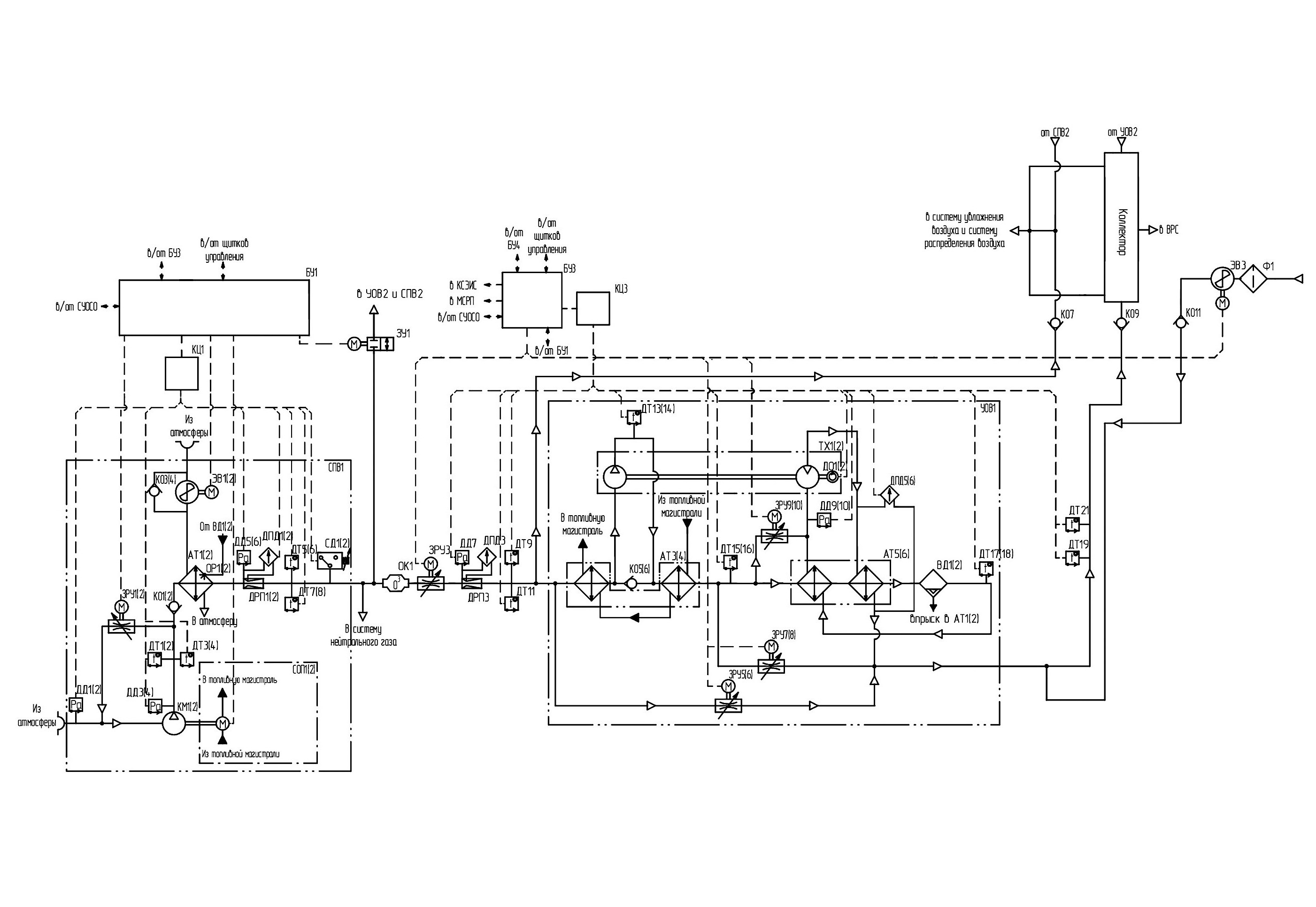
Исследование проводилось для одной подсистемы СКВ, схема которой приведена на рис. 2.
Рис. 2. Схема одной подсистемы исследуемой СКВ
Fig. 2. Subsystem diagram of the studied ECS.
Работа исследуемой СКВ описана ниже.
Воздух поступает в систему из атмосферы через специальный воздухозаборник. Далее воздух поступает в ЭК КМ1(2), где сжимается.
На входе и выходе КМ1(2) установлены датчики абсолютного давления ДД1(2) и ДД3(4) соответственно, при превышении давления на выходе ЭК отключается блоком управления (БУ1(2)) СКВ. На выходе из КМ1(2) установлены датчики температуры ДТ1(2), ДТ3(4). При превышении допустимой температуры на выходе из КМ1(2) производится отключение КМ1(2) БУ СКВ.
Обводные заслонки ЗРУ1(2) предназначены для защиты от помпажа и для подогрева воздуха в режиме обогрева при низких температурах окружающего воздуха при низкой температуре на выходе из КМ1(2). Для замера расхода воздуха служат датчик расхода ДРП1(2) вместе с датчиками абсолютного давления ДД5(6), датчиками перепада давления ДПД1(2), датчиками температуры ДТ5(6), ДТ7(8), датчик расхода ДРП3(4) вместе с датчиками абсолютного давления ДД7(8), датчиками перепада давления ДПД3(4), датчиками температуры ДТ9(10), ДТ11(12). Сигнализатор давления СД1(2) предназначен для отключения СКВ при превышении допустимого давления в случае отказа датчиков абсолютного давления ДД3(4). Обратные клапаны КО1(2), КО3(4) предназначены для предотвращения обратного тока воздуха.
Воздух, сжатый и нагретый в КМ1(2), охлаждается в теплообменнике АТ1(2) наружным воздухом. На земле продувочный воздух подается в АТ1(2) электровентилятором ЭВ1(2), на высоте продувка осуществляется в основном с помощью скоростного напора набегающего потока воздуха через обводную линию с обратным клапаном КО3(4).
Охлаждение электродвигателей КМ1(2) осуществляется топливом из топливной магистрали.
Для очистки от озона воздух проходит через озоновые конвертеры ОК1(2).
Заслонки ЗРУ3(4) регулируют расход воздуха через СКВ.
Заслонка ЗУ1 открывает-закрывает линию кольцевания трубопроводов.
Далее, воздух поступает в секцию 1 блока ТВТ АТ3(4), где охлаждается топливом, поступающим из секции 2 блока ТВТ. Затем воздух дожимается в компрессоре ТХ1(2) и, далее, поступает на охлаждение в секцию 2 блока ТВТ, в которой охлаждается топливом, поступающим из топливной магистрали. Обратный клапан КО5(6) предназначен для обвода компрессора с целью облегчения запуска ТХ1(2) в случае применения в его конструкции газодинамических опор. При превышении допустимой температуры на выходе из компрессора ТХ1(2), измеряемой датчиками температуры ДТ13(14), блок СКВ БУ3(4) отключает СКВ. Датчик ДТ15(16) предназначен для измерения температуры за блоком ТВТ АТ3(4) для возможности регулирования по его показаниям расхода топлива через блок ТВТ АТ3(4).
В схеме предусмотрено влагоотделение в петле высокого давления, в которую входят блок воздухо-воздушных теплообменников (ВВТ) АТ5(6), состоящий из перегревателя и конденсатора, и влагоотделитель ВД1(2). В турбине ТХ1(2) происходит окончательное охлаждение воздуха. Датчик температуры ДТ17(18) измеряет температуру за влагоотделителем для поддержания ее выше нуля. Влага, отделенная во влагоотделителе ВД1(2), с помощью оросителя ОР1(2) впрыскивается в продувочный тракт ВВТ АТ1(2) для использования испарительного охлаждения с целью повышения эффективности ВВТ.
С помощью заслонок ЗРУ5(6), ЗРУ7(8) поддерживается температура на выходе из установки охлаждения воздуха (УОВ). Данные заслонки открываются последовательно. При необходимости повышения температуры за УОВ открывается заслонка ЗРУ7(8). При ее полном открытии и недостаточном повышении температуры на выходе из УОВ открывается заслонка ЗРУ5(6).
Заслонка ЗРУ5(6) также используется для оттайки конденсатора. Данная заслонка открывается и пропускает горячий воздух при превышении гидравлического сопротивления конденсатора блока ВВТ АТ5(6) при его обмерзании. Гидравлическое сопротивление конденсатора измеряется датчиком перепада давления ДПД5(6).
Заслонка ЗРУ9(10) осуществляет обвод петли на высотных режимах, когда рабочий воздух практически сухой, с целью снижения гидравлического сопротивления выходного участка системы и исключения потерь холода в петле.
С помощью электровентиляторов ЭВ3(4) производится подмес рециркуляционного воздуха из кабины, очищенного в фильтрах Ф1(2).
После смешения с рециркуляционным воздухом воздух из УОВ поступает в коллектор и далее в систему распределения, которая подает воздух в кабину экипажа, пассажирский салон, туалеты, кухню. Также предусмотрен в составе системы блок увлажнения (на рис. 2 не показан) для увлажнения воздуха, подаваемого в кабину экипажа.
С целью эффективного распределения потоков тепловой энергии от внешних и внутренних источников теплоты отработанный воздух из кабины подается в панельную систему активной изоляции для обеспечения тепловой защиты гермокабины от аэродинамического нагрева фюзеляжа при сверхзвуковом полете. Затем сбрасываемый из панельной системы воздух используется для охлаждения бортового радиоэлектронного оборудования (БРЭО) и агрегатов, расположенных в негерметичных отсеках фюзеляжа. После охлаждения БРЭО и агрегатов воздух сбрасывается в атмосферу.
Перечень эксплуатационных режимов следующий:
Жаркий день, температура окружающей среды 37 °С при H = 0 м , влагосодержание dос = 18 г/кг.
Режим 1 H = 0 м, M = 0 (число Маха, характеризующее скорость полета).
Номинальный расход воздуха через одну подсистему СКВ G = 1710 кг/ч. Расход через рециркуляцию 855 кг/ч.
Температура топлива на входе в ТВТ — плюс 40 °С.
Расход топлива 6000 кг/ч.
Работает 2 УОВ и 2 узла рециркуляции.
Режим 2 H = 11000 м, M = 0,85.
Номинальный расход воздуха через одну подсистему СКВ G = 1710 кг/ч.
Расход через рециркуляцию 855 кг/ч.
Температура топлива на входе в ТВТ — плюс 40 °С.
Расход топлива 6000 кг/ч.
Работает 2 УОВ и 2 узла рециркуляции.
Режим 3 H = 18000 м, M = 1,9.
Номинальный расход воздуха через одну подсистему СКВ G = 1710 кг/ч. Расход через рециркуляцию = 855 кг/ч.
Температура топлива на входе в ТВТ — плюс 40 °С.
Расход топлива 6000 кг/ч, где H — высота над уровнем моря, м; M — число Маха.
Максимальное количество пассажиров (с учетом членов экипажа) — 83 человека:
- 2 члена экипажа в кабине экипажа;
- 77 пассажиров в пассажирской кабине;
- 4 бортпроводника.
Результаты и обсуждение
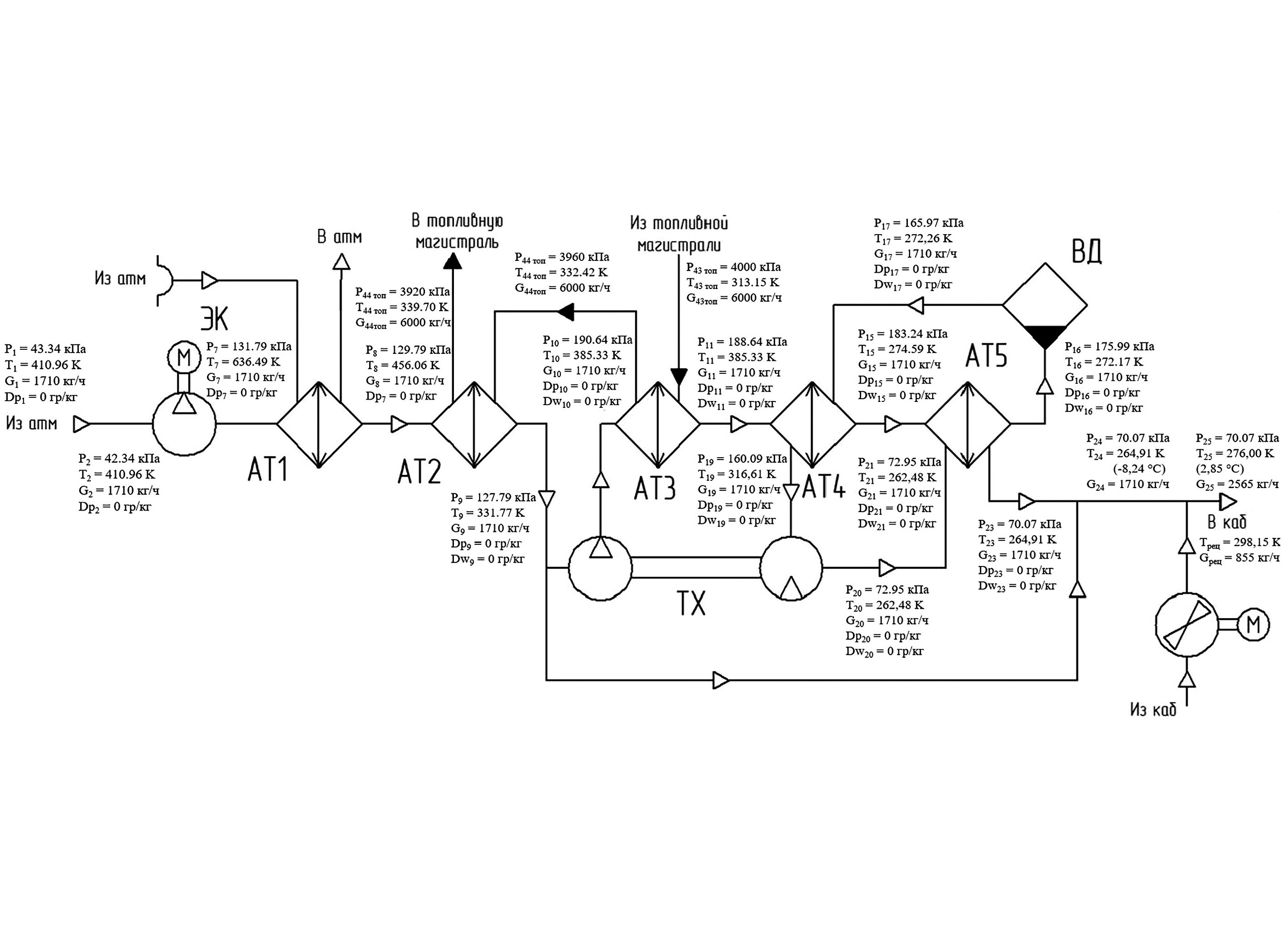
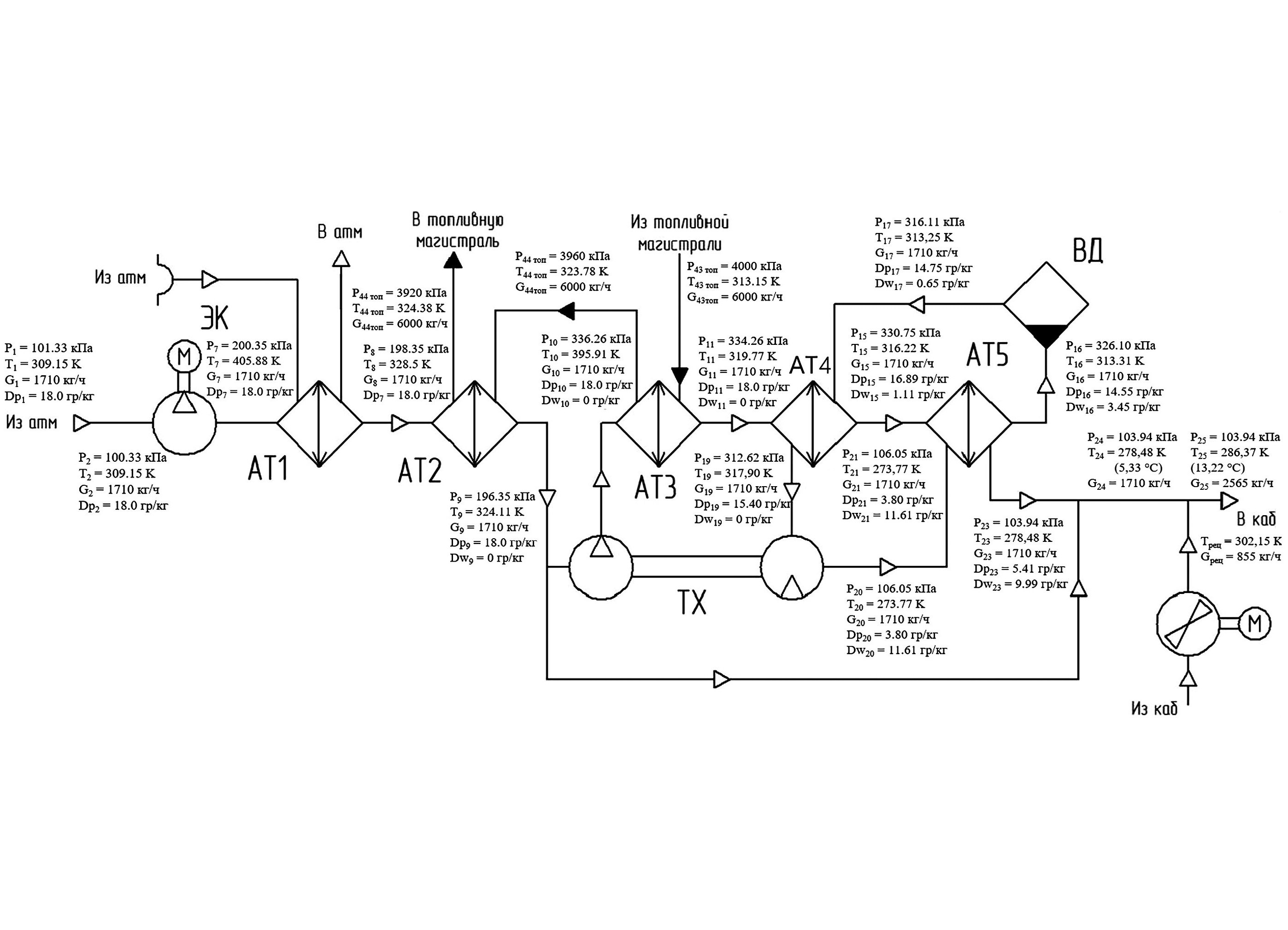
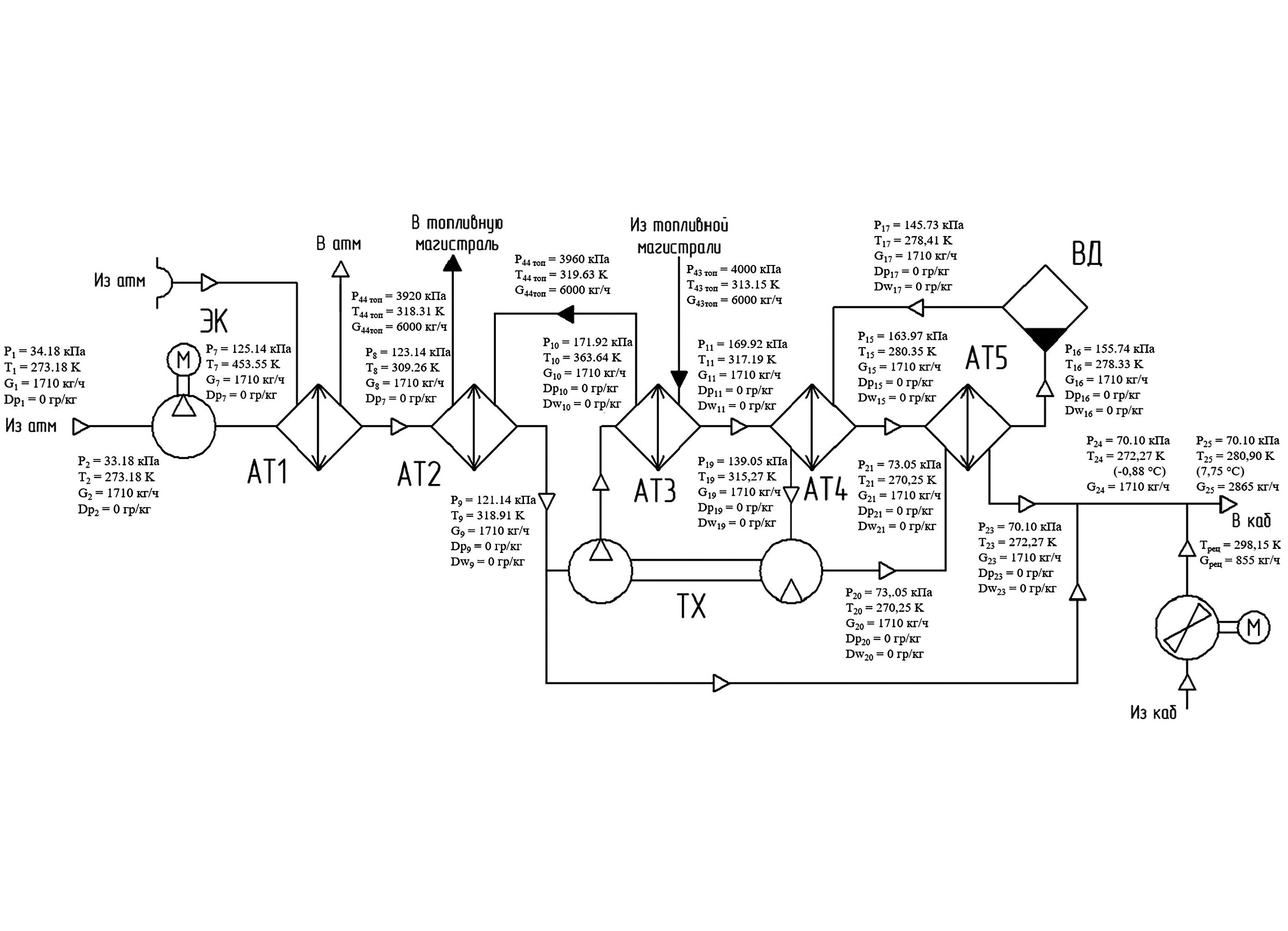
На рис. 3 приведена расчетная схема исследуемой СКВ. Расчитанные значения параметров воздуха в узловых точках схемы на ожидаемых режимах эксплуатации СГС, представлены на рис. 4–6, где T — температура воздуха, °С, P — давление воздуха, кПа, G — расход воздуха, кг/ч, D, Dw — влагосодержание воздуха суммарное и в жидкой фазе, г/кг сухого воздуха.
Рис. 3. Расчетная схема подсистемы исследуемой СКВ
Fig. 3. Analytical subsystem model of the studied ECS.
Риc. 4. Результаты расчета параметров воздуха в основных узлах на режиме 1
Fig. 4. Calculation of air parameters for the key node points in mode 1.
Рис. 5. Результаты расчета параметров воздуха в основных узлах на режиме 2
Fig. 5. Calculation of air parameters for the key node points in mode 2.
Рис. 6. Результаты расчета параметров воздуха в основных узлах на режиме 3
Fig. 6. Calculation of air parameters for the key node points in mode 3.
Математическая модель СКВ представляет собой программу в среде Matlab Simulink и используется для оценки изменения параметров воздуха на выходе из СКВ при изменении параметров воздуха на входе в СКВ и разработки оптимальных алгоритмов управления УОВ при разработке демонстратора технологий УОВ.
Математическая модель приближенного тепло-влажностного расчета СКВ (расчета параметров в узловых точках СКВ) представляет из себя многоитерационный цикл, в котором сводятся следующие величины:
- расход продувочного воздуха до сведения давления на выходе из СКВ до давления окружающей среды с учетом потери скоростного напора на выходе;
- давление, температура и влагосодержание на входе в перегреватель по холодному тракту;
- количество влаги, впрыскиваемой в продувочный тракт на входе в первичный теплообменник АТ1;
- подбор требуемой частоты вращения ротора турбохолодильника для обеспечения необходимых параметров на выходе из СКВ.
Общий цикл расчета модели представлен на рис. 7.
Рис. 7. Общий цикл расчета
Fig. 7. General calculation cycle.
Математическая модель построена на базовых зависимостях для агрегатов авиационных СКВ, приведенных, например, в источнике [3] с учетом особенностей рассматриваемой схемы СКВ.
Результаты моделирования работы СКВ на основных ожидаемых режимах эксплуатации СГС показывают, что:
- предложенная схема СКВ работоспособна (на всех 3 режимах полученные значения холодопроизводительности СКВ 34 кВт, 37 кВт, 47,6 кВт, соответственно, удовлетворяют заданным требованиям);
- требует меньших затрат на подготовку сжатого воздуха для СКВ по сравнению с традиционными схемными решениями с отбором воздуха от ГТД в связи с устранением энергетических потерь за счет дросселирования воздуха.
Для всех рассмотренных режимов определена потребная электрическая мощность для привода ЭК, а также холодопроизводительность одной подсистемы СКВ. Результаты приведены в табл. 1.
Таблица 1. Энергетические характеристики одной подсистемы СКВ
Table 1. Power performance of an ECS subsystem
№ режима | Потребная электрическая мощность ЭК, кВт | Холодопроизводительность одной подсистемы СКВ, кВт |
1 | 46,4 | 17,0 |
2 | 86,4 | 18,5 |
3 | 111,1 | 23,8 |
Был проведен сравнительный анализ затрачиваемой электрической мощности на подготовку сжатого воздуха для ЭСКВ и затрачиваемой пневматической мощности на подготовку сжатого воздуха для СКВ при традиционной схеме отбора от компрессора ГТД на примере параметров отбираемого от турбореактивного двухконтурного двигателя (ТРДД) НК-144 самолета Ту-144. Отбор от автономного источника менее энергозатратный, чем отбор от ГТД.
Расчет проводился для одной подсистемы при расходе воздуха G = 1710 кг/ч на двух режимах:
- H = 0 м, M = 0, tос = 37 ℃ при H = 0 м;
H = 18000 м, M = (1,9 для СГС, 2,0 для Ту-144), tос = 37 ℃ при H = 0 м, где H — высота над уровнем моря, м; M — число Маха; tос — температура окружающего воздуха, ℃.
Результаты расчета приведены в табл. 2 и 3.
Таблица 2. Мощность, затрачиваемая на сжатие воздуха для СКВ (режим 1)
Table 2. ECS air compression power (mode 1)
Источник сжатого воздуха | Мощность, кВт | Давление отбора, кПа |
СКВ СГС | 46,4 | 200,4 |
ТРДД НК-144 | 108,8 | 539,4 |
Таблица 3. Мощность, затрачиваемая на сжатие воздуха для СКВ (режим 2)
Table 3. ECS air compression power (mode 2)
Источник сжатого воздуха | Мощность, кВт | Давление отбора, кПа |
СКВ СГС | 111,1 | 131,8 |
ТРДД НК-144 | 399,7 | 1373 |
Были разработаны предварительные габаритные 3D-модели основных агрегатов СКВ. На рис. 8 и 9 приведен внешний вид блока топливо-воздушных теплообменников и турбохолодильника, соответственно.
Рис. 8. Внешний вид блока ТВТ
Fig. 8. Fuel-air heat exchanger (exterior view).
Рис. 9. Внешний вид ТХ
Fig. 9. Air cycle machine (exterior view).
Выводы
Построенная математическая модель СКВ для СГС подтверждает работоспособность рассмотренной схемы.
Ожидается уменьшение энергозатрат на подготовку сжатого воздуха для СКВ СГС по сравнению со схемой с традиционным отбором воздуха от ГТД.
Достигнут уровень готовности технологии УГТ3 в соответствии с ГОСТ Р 58048-2017 — критические функции и характеристики подтверждены аналитическим путем (в соответствии с математической моделью СКВ обеспечивает подачу воздуха в количестве необходимом для наддува кабины, обеспечивает комфорт пассажиров и экипажа на рассмотренных режимах с заданной холодопроизводительностью).
Полученные результаты могут быть использованы для разработки безотборной СКВ для сверхзвукового гражданского самолета.
Следующий этап разработки технологии — разработка конструкторской документации демонстраторов технологий электрокомпрессора и установки охлаждения воздуха СКВ.
Дополнительная информация
Вклад авторов. Все авторы внесли существенный вклад в разработку концепции, проведение исследования и подготовку статьи, прочли и одобрили финальную версию перед публикацией.
Конфликт интересов. Авторы заявляют об отсутствии конфликта интересов, связанного с подготовкой и публикацией статьи.
Финансирование. Работа выполнена в рамках Договора № 17705596339230000820/ДПСТ-337-2024 от 11.06.2024 г. между ПАО НПО «Наука» и ФАУ «ГосНИИАС».
Additional information
Competing interests. The author declares no any transparent and potential conflict of interests in relation to this article publication.
Author contributions. All authors made a significant contribution to the development of the concept, research and preparation of the article, read and approved the final version before publication.
Funding source. The work was carried out under Contract No. 17705596339230000820/DPST-337-2024 dated June 11, 2024, between PJSC NPO Nauka and FAI GosNIIAS.
About the authors
Igor V. Tishchenko
Public Joint Stock Company NPO «Nauka»; Bauman Moscow State Technical University
Author for correspondence.
Email: iv.tishchenko@npo-nauka.ru
ORCID iD: 0000-0001-6094-8723
SPIN-code: 5630-4301
Cand. Sci. (Engineering)
Russian Federation, Moscow; MoscowSergey A. Abalakin
Public Joint Stock Company NPO «Nauka»
Email: sa.abalakin@npo-nauka.ru
ORCID iD: 0009-0001-9193-1147
SPIN-code: 7580-9545
Russian Federation, Moscow
Artem S. Gornovskii
Public Joint Stock Company NPO «Nauka»
Email: as.gornovskiy@npo-nauka.ru
ORCID iD: 0000-0003-2676-3463
SPIN-code: 8087-8959
Russian Federation, Moscow
Konstantin N. Gubernatorov
Federal Autonomous Institution «GosNIIAS»
Email: guber47@yandex.ru
ORCID iD: 0009-0007-4795-5655
SPIN-code: 5063-7716
Cand. Sci. (Engineering)
Russian Federation, MoscowReferences
- Nikitevich NV, Romushkin AYu, Lukasov VV. Prospects of development of supersonic planes. Proceedings of the scientific and practical conference «Current issues in aviation and astronautics». 2015;1:654–656. (In Russ.)
- Smagin DI, Starostin KI, Savel’ev RS, et al. Analysis of competing variants of air conditioning systems without air extraction from engines at the stage of passenger aircraft onboard systems conceptual design . Computational nanotechnology. 2019;6(3):86–91. (In Russ.) doi: 10.33693/2313-223X-2019-6-3-86-91
- D’yachenko YuV, Sparin VA, Chichindaev AV. Aircraft life support systems. Novosibirsk: NGTU; 2019. (In Russ.)
- Kalliopin AK, Savel’ev RS, Smagin DI. Main trends designing air conditioning systems for future-technology vehicles. Engineering magazine: science & innovations. 2017;(6). (In Russ.) doi: 10.18698/2308-6033-2017-6-1627
- Cronin MJ. Design aspect of systems in all electric aircraft. SAE Technical Papers Series. 1982;821436.
- Voronovich S, Kargapol’tsev V, Kutakhov V. All-electric aircraft. Aviapanorama. 2009;2:23–27.
- Nelson T. B787 systems and performance. Boeing; 2005.
- Liebherr-Aerospace, Germany, Liebherr-International Deutschland GmbH. 2016. Accessed: 07.10.2024. Available from: https://www.liebherr.com/shared/media/aerospace-and-transportation/aerospace/downloads/magazines/aets-magazines-recent/liebherr-aerospace-magazine-2016-en.pdf
- Volokitina EV, Vlasov AI, Kopchak AL, et al. Compressor electric drive of air-conditioning system in ‘all electric aircraft’ concept . Electronics and electrical equipment of transport. 2011;4:44–49. (In Russ.)
- Tishchenko IV, Chizhikov VE, Tsarkov IA, et al. Development of an Air Electric Compressor for a No-Bleed Environmental Control System of an Advanced Regional Aircraft. Refrigeration Technology. 2022;111(2):115–122. (In Russ.) doi: 10.17816/RF110694
- Tsarkov IA, Demyanov AV, Petukhov AV, et al. Development of an air electric compressor for an air conditioning system for an aircraft with a hybrid power plant. In: Proceedings of the 6th International scientific and practical conference «Prospective directions of development of on-board equipment of civil aircraft». 2021;81–85. (In Russ.)
Supplementary files












