Management of the complex SKKV-refrigeration plant based on a multiprocessor system
- Authors: Vychuzhanin V.V.1
 - 
							Affiliations: 
							
- ONMU
 
 - Issue: Vol 93, No 12 (2004)
 - Pages: 28-31
 - Section: Articles
 - URL: https://freezetech.ru/0023-124X/article/view/101765
 - DOI: https://doi.org/10.17816/RF101765
 - ID: 101765
 
Cite item
Full Text
Abstract
The maximal effect of decrease (reduction) of the charge of energy in a complete set system of comfortable conditioned air refrigerating machinery is reached (achieved) at cumulative application of energetically rational structure of a complex and multiprocessor control system (MCS) by the equipment. MSC is carried out by controllers on the basis of the specialized digital processor DSP. The control system has low technological complexity, conformity to the standards on electrical parameters.
Keywords
Full Text
Обеспечение энергосберегающих режимов работы комплекса СККВ-ХУ (система комфортного кондиционирования воздуха-холодильная установка) путем поддержания комфортных условий воздушной среды, соответствующих санитарно-гигиеническим нормам [8], невозможно без использования современных технических и программных средств систем автоматического управления (САУ).
Максимальный эффект экономии тепла, холода, электроэнергии достигается при совокупном применении современных схем СККВ-ХУ и электронных устройств, реализующих алгоритмы управления энергосбережением.
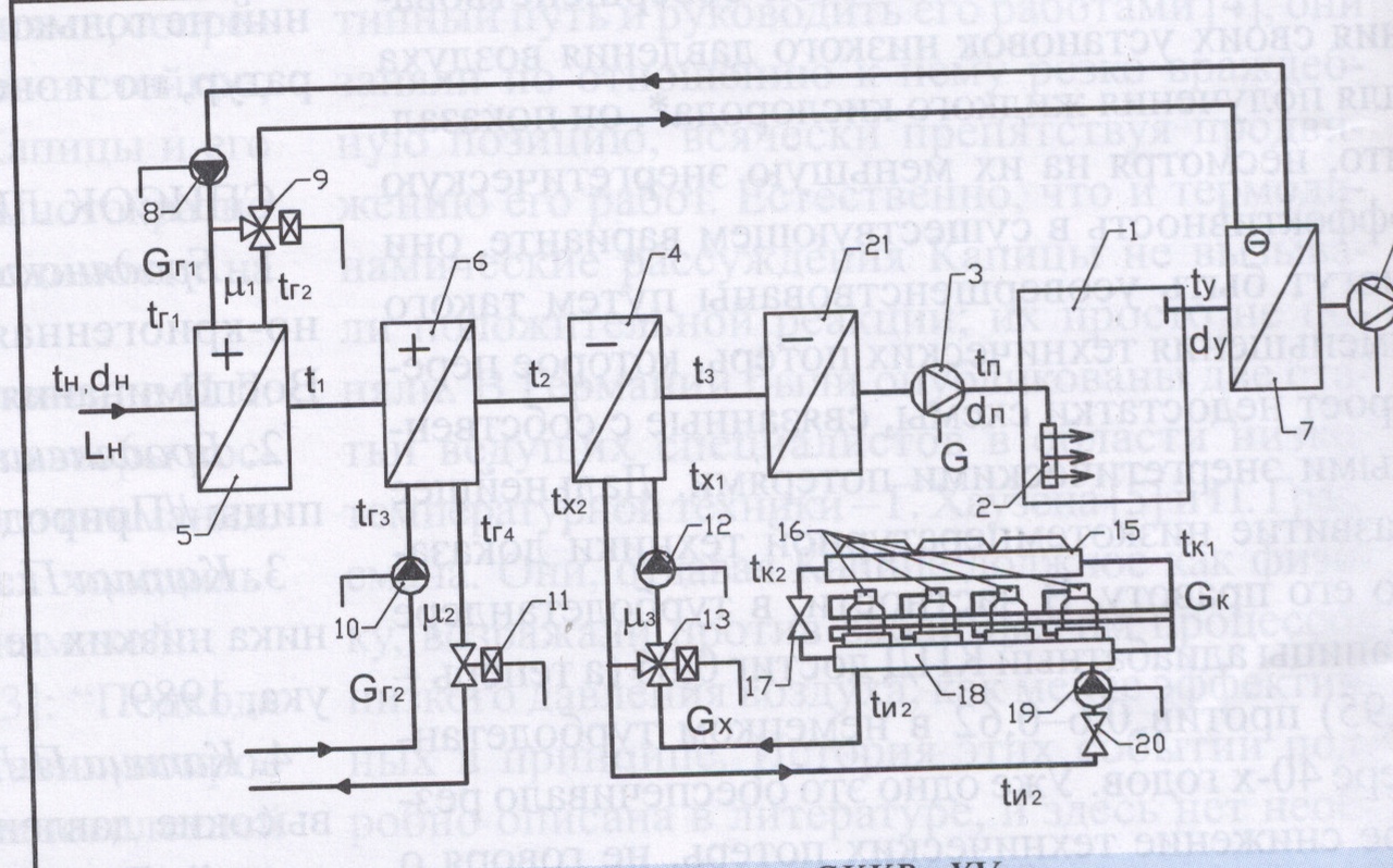
Известна энергетически рациональная структура местно-центральной СККВ [5] с холодильным агрегатом, состоящим из четырех спиральных компрессоров (рис.1).
Рис. 1. Функциональная схема комплекса СККВ—ХУ: 1 — обслуживаемое помещение; 2 — воздухораспределитель; 3, 14 — вентиляторы; 4 — воздухоохладитель; 5, 6 — воздухонагреватели первой и второй ступени; 7 — утилизационный теплообменник; 8. 10 12. 19-насосы; 9, 13 — трехходовые седельные регулируемые клапаны 11. 20 — клапаны; 15 — конденсатор; 16-спиральный компрессор, 17 — терморегулирующий вентиль (ТРВ); 18 — испаритель; 21 — увлажнитель воздуха
В теплый период года в воздухоохладитель 4 поступает вода, охлаждаемая ХУ. В переходный период первоначальный нагрев приточного наружного воздуха L осуществляется в установке утилизации теплоты удаляемого воздуха, в состав которой входят теплообменник 7, установленный в воздушном тракте агрегата, и воздухонагреватель первой ступени 5, установленный в тракте приточного воздуха. В переходном режиме в блоке 21 включается электродвигатель вращения ротора дискового увлажнителя для адиабатного увлажнения воздуха. Зимой при низких температурах наружного воздуха дополнительный нагрев приточного воздуха осуществляется в воздухонагревателе второй ступени 6, через который насосом 10 подается горячая вода. Для подачи горячей и холодной воды используют энергосберегающие насосы типа UPE фирмы “Грундфос” с переменной частотой вращения.
В приводах компрессоров и вентиляторов могут быть установлены преобразователи частоты AKD 5000 фирмы Danfoss, рассчитанные на нагрузку до 45 кВт. В качестве канальных аналоговых датчиков температуры воздуха могут использоваться QAM22, относительной влажности HIH-3602-A фирмы Honeywell или цифровой сенсор температуры и влажности SHT11 фирмы Sensirion, имеющий в корпусе на одном кристалле сенсоры температуры и влажности, аналогоцифровой преобразователь (АЦП) и цифровой интерфейс. Сенсор непосредственно связан с микропроцессорной системой управления через двухпроводный интерфейс. Для измерения расходов приточного и удаляемого воздуха можно установить датчики AWM1300V фирмы Honeywell.
При разработке САУ для рассматриваемого комплекса СККВ-ХУ необходим обоснованный выбор параметров контроля и регулирования. В основу работы предлагаемой многопроцессорной системы управления комплексом положен способ регулирования параметров воздуха помещениях, состоящий в определении энтальпии I и влагосодержания d наружного (индекс “н”), приточного (“п”) и удаляемого (“у”) воздуха, измерении расходов приточного и удаляемого воздуха G, а также энтальпии и влагосодержания приточного воздуха по отклонению их текущих значений от заданных [1].
Рис. 2. Энергетически эффективные режимы работы комплекса СККВ—ХУ на диаграмме 1—d
При определении энергосберегающих режимов работы СККВ-ХУ были построены соответствующие области в диаграмме I-d (рис. 2). Границы между областями установлены в соответствии со статическими характеристиками теплообменных аппаратов центрального агрегата СККВ [ 1, 7] с учетом эксергетического показателя эффективности комплекса η0 [2].
Допустимое изменение входных управляемых переменных по энтальпии ΔΙ= 25 кДж/кг, по влагосодержанию Δd = 7,5 г/кг. Каждому из сочетаний расходов рабочих сред (либо положения регулирующих органов системы), удовлетворяющих приведенным ниже уравнениям тепло и массообмена (1), соответствует конкретное значение ηе Оно определяется как отношение потока использованной в системе эксергии к сумме потоков располагаемой эксергии для теплообменных аппаратов и потока располагаемой эксергии, связанной с работой оборудования СККВ, и равной ей суммарной электрической мощности.
F1(Iн,Iп,Iу,dн,dп,dу,G,μ1,μ2,μ3)= 0;
F2(Iн,Iу,dн,dп,dу,G,μ1,μ3),= 0, (1)
где μ1,μ2,μ3-степень открытия регулирующих органов соответственно воздухонагревателей первой 5 и второй 6 ступеней и воздухоохладителя 4 (см. рис. 1).
Сочетание, при котором ηе имеет максимальное значение, обеспечивает работу комплекса в энергосберегающем режиме. Значение ηе вычисляется на основе предварительного определения КПД СККВ для всех периодов года:
(2)
где Еп -эксергия, отведенная от воздуха, обработанного в кондиционере;
Ео -эксергия, затраченная на тепловлажностную обработку воздуха.
Границы полученных режимов в диаграмме I-d (рис. 2) во многом совпадают с границами известных режимов, но степень загрузки оборудования комплекса в пределах каждой области может отличаться.
Реализация управления комплексом СККВ-ХУ в энергосберегающих режимах потребовала создания МСУ (многопроцессорной системы управления ) (рис. 3), что обусловлено:
- наличием десятков контролируемых и регулируемых параметров;
 - необходимостью вычислений энергосберегающих режимов и обеспечения работы оборудования в них;
 - потребностью в автоматическом регулировании с высокой точностью параметров воздуха в кондиционируемых помещениях;
 - необходимостью управления преобразователями частоты электроприводов компрессоров, насосов, вентиляторов, дискового увлажнителя;
 - требованиями защиты оборудования от аварийных ситуаций.
 
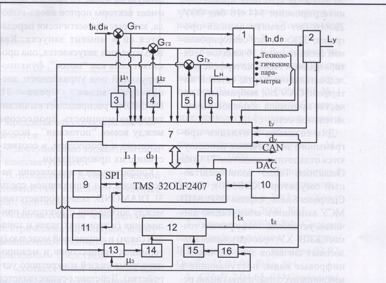
Рис. 3. Многопроцессорная система управления комплексом СККВ-ХУ:1 — кондиционер; 2 —помещение; 3, 4 — регулируемые клапаны воздухонагревателей первой и второй ступени; 5 — регулируемый клапан холодной воды; 6 — вентилятор; 7 — оптоэлектрическая развязка, буферные схемы, схемы согласования; 8 — процессор; 9 — панель управления; 10— персональный компьютер; 11 — блок задания; 12 — холодильная установка; 13 — регулятор положения; 14 — дроссельный вентиль; 15 — всасывающий клапан; 16 — регулятор холодопроизводительности
МСУ оснащена специализированными цифровыми процессорами (DSP) TMS320LF2407 [9] увеличенной производительности с объектно-ориентированной системой команд, адаптированной к решению задач цифрового регулирования в реальном времени. Интегрированные в кристалл процессора коммуникационные порты позволяют встраивать контроллеры в многопроцессорные системы. Число каналов ввода-вывода может быть увеличено подключением к процессорам периферийных расширителей. Процессор имеет 16-разрядную архитектуру, использует арифметику с фиксированной точкой. Тактовая частота процессора 38 МГц, время выполнения одной инструкции 33 нс, вычислительная мощность 30 MIPS. В кристалл процессора интегрировано: 544x16 бит ОЗУ; 2Кх16 бит памяти данных программ; 32Кх16 бит секторированной флэш-памяти; 16 каналов десятиразрядных АЦП; интерфейс последовательного порта; сетевой интерфейс CAN 2.0, выбранный в качестве протокола основной вычислительной сети.
Для создания и отладки программного обеспечения используются отладочные средства: Т1 Code Generation Touls; полномасштабный эмулятор (XDS510); Code Composer Studio; express DSP. АЦП МСУ выполняет: коммутацию датчиков, установленных в разных точках СККВ-ХУ; преобразование аналоговых сигналов этих датчиков в цифровые коды, поступающие в микропроцессоры; индексацию результатов преобразования.
Составной частью памяти схемы является блок задания 11, обеспечивающий хранение и изменение в заданных пределах уставок параметров и времени. Панель управления 9 и внешний ПК 10 используют для набора режима работы при ручном выводе информации о состоянии оборудования.
В целях успешного решения таких проблем, как загрузка программ, межпроцессорная коммуникация, синхронизация используется среда параллельного программирования 3L DIAMOND [10]. В данной среде МСУ описывается как единое целое. Основополагающим принципом построения среды 3L DIAMOND является концепция последовательных коммунициирующих процессоров, описывающая любое программное приложение в терминах независимых процессоров, которые синхронизируются и коммутируют между собой путем обмена сообщениями через каналы связи.
В среде 3L DIAMOND каждая решаемая задача представляет собой законченную, полностью скомпонованную исполнительную программу без внешних ссылок, написанную на языке С. Каждая задача имеет векторы портов ввода-вывода, которые автоматически передаются ей в момент запуска. Как только задача запускается, она проявляет себя как “поток”, функционирующий под управлением диспетчера задач. Среда 3L DIAMOND распределяет вычислительную мощность процессора между всеми “потоками” , исполненными в процессоре, в соответствии с их приоритетами.
Конфигурация в приложении, работающем под управлением среды 3L DIAMOND, задает соответствие между логической структурой приложения (в терминах задач и каналов связи) и аппаратной моделью (в терминах процессоров и межпроцессорных связей конкретного устройства). Действие осуществляется с помощью утилиты конфигуратора среды, объединяющей задачи со всеми программными модулями, необходимыми для запуска и исполнения конкретного приложения. Приложения имеют полный доступ к сервисам на управляющем ПК. Для этого используется приложение Windows Server, функционирующее в среде Windows.
МСУ на основании информации с портов ввода о значениях контролируемых и регулируемых параметров, состояниях электроприводов, органов управления и заданных значений параметров программно определяет:
- энергосберегающий режим работы комплекса;
 - вид управляющих воздействий на регулирующие органы;
 - контуры регулирования, законы регулирования (реализуемые программно) и его параметры;
 - задающие воздействия для контуров регулирования, относящихся к подклассу следящих систем.
 
Так как при изменениях режимов воздухообработки в кондиционере, являющемся частью объекта САУ, меняются его структура и параметры в МСУ, используется модель кондиционера, параметры которой определяются по [3].
Работа МСУ осуществляется в соответствии с обобщенным прикладным алгоритмом диагностики и функционирования комплекса (рис. 4). Алгоритм содержит систему интеллектуального обнаружения неисправностей и диагностики комплекса, что позволяет выявлять неисправности еще до того, как они дадут о себе знать.
Реализация алгоритма, а также повышенные требования к показателям качества регулирования электроприводов компрессоров, насосов, вентиляторов, дискового увлажнителя, использующих преобразователи частоты, требуют большой вычислительной мощности. Тем самым подтверждается целесообразность использования многопроцессорной системы на основе специализированного процессора DSP.
При разработке контуров управления электроприводами комплекса СККВ-ХУ за основу взята векторная система регулирования, синтезированная во вращающихся координатах, ориентированных по направлению обобщенного вектора потокосцепления [4]. Информация о векторе потокосцепления ротора восстанавливается программно на основе данных, получаемых с датчиков тока статора и частоты вращения ротора каждого из двигателей электроприводов комплекса. В МСУ вводятся значения минимальной и максимальной частоты, время интеграции заданного значения тока, предел момента, параметры, обеспечивающие защиту от заклинивания каждого привода. С целью повышения динамических показателей электроприводов все основные функции регулирования выполняются программно.
Рис. 4. Обобщенный алгоритм МСУ для управления и диагностики комплекса СККВ-ХУ
Предлагаемая структура МСУ отличается:
- доступностью элементной базы и комплектующих;
 - невысокой технологической сложностью изделия (печатных плат, монтажа);
 - соответствием стандартам по электрическим параметрам, коммуникационным протоколам и инструментальным средствам;
 
У соответствием средствам конфигурирования и прикладного программирования систем конечным пользователем.
Схема местно-центральная СККВ плюс ХУ с управлением посредством многопроцессорной системы при работе в энергосберегающих режимах снижает до 60 % годовые энергозатраты, обеспечивая комфортные условия воздушной среды. Использование преобразователей частоты в сочетании с микропроцессорным управлением улучшает энергетические показатели комплекса до 20 % и повышает точность поддержания заданных параметров регулирования.
Внедрение в практику МСУ должно решить ряд проблем управления СККВ-ХУ с повышением эксплуатационной надежности оборудования и сокращением энергозатрат.
About the authors
V. V. Vychuzhanin
ONMU
							Author for correspondence.
							Email: info@eco-vector.com
				                					                																			                								
Cand. tech, science
Russian FederationReferences
Supplementary files
				
			
					
						
						
									






