Procedure for the calculation and analysis of the basic transcritical cycle CO2
- Authors: Talyzin M.S.1
-
Affiliations:
- International Academy of Refrigeration
- Issue: Vol 110, No 2 (2021)
- Pages: 123-128
- Section: Short Communications
- URL: https://freezetech.ru/0023-124X/article/view/321521
- DOI: https://doi.org/10.17816/RF321521
- ID: 321521
Cite item
Full Text
Abstract
The increasingly strict legislations in the field of ecology have necessitated the search for novel refrigerants that can be alternatives to the existing refrigerants.
One option is the use of so-called “natural refrigerants,” including ammonia, СО2, and propane.
Although there is considerable research interest in the use of СО2 as a refrigerant, the required calculation procedures have not been sufficiently described in literature. In addition to the calculation of cycles and the determination of parameters at the base points, conducting an efficiency analysis to determine the optimal solution is necessary.
The purpose of this study was to develop a methodology for calculating and analyzing the basic transcritical СО2 cycle of.
The calculation related to the transcritical cycle is based on the fundamental laws of thermodynamics, and the analysis is based on the entropy-statistical method of thermodynamic analysis.
The calculation includes the analysis of compression loss with respect to system components.
A description of the operation of the basic transcritical СО2 cycle having two temperature levels and the procedure for calculating and analyzing losses in the elements of the refrigerating unit operating according to the basic transcritical СО2 cycle are reported herein.
Using this method, identifying the elements and processes with the maximum losses and taking measures to improve the efficiency of the refrigeration system would be possible.
Full Text
Расчеты классических холодильных циклов представлены в учебнике [1]. Для решения конкретной задачи требуется произвести анализ эффективности транскритического цикла.
В качестве метода термодинамического анализа применяется энтропийно-статистический метод [2] как наиболее предпочтительный для техники низких температур [3], [4].
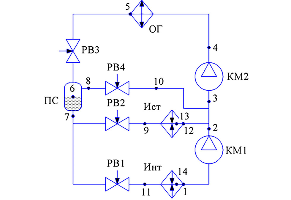
Приведем описание работы холодильной установки, работающей по транскритическому циклу СО2 с двумя температурными уровнями. На рис. 1 представлена принципиальная схема холодильной установки, а на рис. 2 – транскритический цикл в диаграмме энтальпия-давление.
Рис. 1. Принципиальная схема транскритической холодильной системы СО2 (Система 3): КМ1 – компрессор первой ступени сжатия, КМ2 – компрессор второй ступени сжатия, ОГ – охладитель газа, ПС – промежуточный сосуд, Ист – испаритель среднетемпературных потребителей, Инт – испаритель низкотемпературных потребителей, РВ1, РВ2, РВ3, РВ4 – регулирующие вентили.
Fig. 1. Schematic diagram of the transcritical CO2 cycle (System 3): KM1 – compressor of the first stage of compression, KM2 – compressor of the second stage of compression, OG - gas cooler, PS – intermediate vessel, East – evaporator of medium temperature consumers, Int – evaporator of low-temperature consumers, PB1, PB2, PB3, and PB4 – regulating valves.
Рис. 2. Транскритический цикл СО2.
Fig. 2. Transcritical CO2 cycle.
Пары хладагента, образовавшиеся при кипении на низком температурном уровне в испарителе Инт от тепловой нагрузки Qнт, сжимаются компрессором нижней ступени КМ1 от давления точки 1 до давления точки 2. Смешиваются с парами хладагента, образовавшимися при кипении хладагента на среднем температурном уровне в испарителе Ист от тепловой нагрузки Qст, и парами, образовавшимися при дросселированиив РВ4 от точки 8 до точки 10, после этого происходит сжатие в компрессоре второй ступени КМ2 от давления точки 3 до давления точки 4.
После этого пары попадают в охладитель газа ОГ, где охлаждаются от температуры нагнетания до температуры, превышающей температуру окружающей среды на величину недорекуперации. Процесс происходит в сверхкритической области.
Охлажденные пары дросселируются в РВ3 до давления промежуточного сосуда ПС, часть паров откачивается компрессором через дроссельный вентиль РВ4, энтальпия оставшейся части при этом понижается до состояния точки 7.
Далее насыщенная жидкость точки 7 дросселируется до среднетемпературного и низкотемпературного уровней в РВ2 и РВ1, соответственно. Цикл повторяется. Приведем ниже формулы для расчета основных характеристик цикла.
Удельная массовая холодопроизводительность среднетемпературного контура рассчитывается по формуле:
. (1)
Удельная массовая холодопроизводительность низкотемпературного контура определяется согласно:
. (2)
Массовые расходы низкотемпературного и среднетемпературного контуров
(3)
Относительные массовые расходы низкотемпературного и среднетемпературного контуров
(4)
Относительный массовый расход второй ступени сжатия g2 определяется из энергетического баланса промежуточного сосуда ПС.
(5)
Энтальпия точки 2 определяется по известному значению адиабатного КПД компрессора первой ступени:
(6)
Энтальпию точки 3 можно найти из уравнения смешения потоков:
(7)
Энтальпия в точке 4 находится из уравнения аналогичного (6).
Минимальная необходимая удельная работа для генерации холода определяется в форме
(8)
Адиабатная работа сжатия
(9)
Действительная затрачиваемая удельная работа сжатия
(10)
Степень термодинамического совершенства
(11)
Холодильный коэффициент при адиабатном процессе сжатия
(12)
Действительное значение холодильного коэффициента
(13)
Необходимые удельные затраты работы сжатия для компенсации производства энтропии в охладителе газа:
(14)
Необходимые удельные затраты работы сжатия для компенсации производства энтропии при дросселировании определяем для 4 процессов (верхний индекс указывает на сам процесс):
(15)
Необходимые удельные затраты работы сжатия для компенсации производства энтропии в испарителе при передаче теплоты от охлаждаемого объекта в цикле при средней температуре воздуха в потребителях (кипение жидкого хладагента):
(16)
Необходимые удельные затраты работы сжатия для компенсации производства энтропии в испарителе при передаче теплоты от охлаждаемого объекта в цикле при средней температуре воздуха в потребителях (перегрев хладагента в испарителе):
(17)
Общие необходимые удельные затраты работы сжатия для компенсации производства энтропии в испарителе:
(18)
Необходимые удельные затраты работы сжатия для компенсации производства энтропии в других процессах (смешение в точке 3, процессы в промежуточном сосуде):
(19)
Суммируя величины необходимых удельных затрат работы сжатия для компенсации производства энтропии во всех элементах холодильной системы, находим расчетную величину адиабатной работы сжатия:
(20)
Энергетические потери в компрессоре:
(21)
Расчетная работа сжатия:
(22)
Погрешность определения работы сжатия:
(23)
Результаты анализа являются удовлетворительными, если величина погрешности, определяемой по уравнению 23, находится в переделах 3 %.
Результаты, полученные по данной методике, представлены в [5].
ЗАКЛЮЧЕНИЕ
- Предлагаемая методика основана на известных зависимостях, широко применяемых при анализе холодильных циклов;
- Расчет цикла включает анализ потерь работы сжатия по компонентам системы;
- Применение данной методики позволяет определить элементы и процессы с наибольшими потерями и принять меры для повышения эффективности работы холодильной системы.
ДОПОЛНИТЕЛЬНО
Конфликт интересов. Автор декларирует отсутствие явных и потенциальных конфликтов интересов, связанных с публикацией настоящей статьи.
Источник финансирования. Автор заявляют об отсутствии внешнего финансирования при проведении поисково-аналитической работы и подготовке рукописи.
ADDITIONAL INFORMATION
Competing interests. The author declares that there is no conflict of interest
Funding source. This study was not supported by external sources of funding.
About the authors
Maksim S. Talyzin
International Academy of Refrigeration
Author for correspondence.
Email: talyzin_maxim@mail.ru
ORCID iD: 0000-0001-7244-1946
SPIN-code: 6524-3085
Cand. Sci. (Tech.)
Russian Federation, MoscowReferences
- Baranenko AV, Bukharin NN, Pekarev VI, et al. Refrigeration plants. St. Peterburg: Politekhnika; 2006. (in Russ.)
- Arkharov AM. Fundamentals of cryology. Entropy-Statistical Analysis of Low-Temperature Systems. Moskva: MGTU im NE Baumana; 2014. (in Russ.)
- Arkharov AM. About a single thermodynamic space, heat, cold, exergy and entropy, as the basic concepts of engineering cryology. Refrigeration technology. 2009;98(6):34–39. (in Russ.) doi: 10.17816/RF97641
- Arkharov AM. Why the exergetic version of thermodynamic analysis is not rational for the study of basic low-temperature systems. Refrigeration technology. 2011;100(10):8–12. (in Russ.) doi: 10.17816/RF98321
- Arkharov AM, Shishov VV, Talyzin MS. Comparison using entropy-statistical analysis of transcritical cycles on SO2 with cycles on traditional refrigerants for cold supply systems of retail. Refrigeration technology. 2017;106(2):34–41. (in Russ.) doi: 10.17816/RF99213
Supplementary files





