Procedure for calculation and analysis of transcritical cycle CO2 with parallel compression
- Authors: Talyzin M.S.1
-
Affiliations:
- International Academy of Refrigeration
- Issue: Vol 110, No 3 (2021)
- Pages: 179-184
- Section: Short Communications
- URL: https://freezetech.ru/0023-124X/article/view/321608
- DOI: https://doi.org/10.17816/RF321608
- ID: 321608
Cite item
Abstract
The use of CO2 as a refrigerant in transcritical cycles requires additional measures to increase the efficiency of the refrigeration system. Transcritical refrigeration systems are widely used at food processing facilities
Different modifications of the base cycle are used to increase efficiency, but the methods for calculating and analyzing such cycles are not sufficiently presented in the literature.
Along with the calculation of cycles and the determination of parameters at the base points, it is necessary to conduct an efficiency analysis in order to determine the optimal parameters.
The purpose of the study was to develop a method for calculating and analyzing the transcritical cycle of parallel compression CO2.
The calculation of the transcritical cycle is based on the fundamental laws of thermodynamics, the analysis method is based on the entropy-statistical method of thermodynamic analysis. Cycle calculation includes analysis of compression loss by system components.
The operation of the transcritical cycle of the parallel compression CO2 with two temperature levels is described, the procedure for calculating and analyzing losses in the elements of the refrigerating unit operating according to the transcritical cycle of the parallel compression CO2 is given.
The use of this method allows you to identify the elements and processes with the greatest losses and take further measures to improve the efficiency of the refrigeration system.
Full Text
Предлагаемая методика базируется на известных подходах к расчетам циклов холодильных установок [1], аналитическая часть основана на энтропийно-статистическом методе термодинамического анализа, широко применяемому в технике низких температур [2].
Анализ существующих транскритических циклов показал относительно низкую эффективность базового транскритического цикла по сравнению с применяемыми ранее циклом одноступенчатого сжатия с однократным дросселированием и циклом с экономайзером [3].
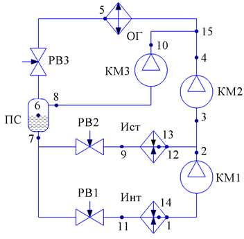
Рис. 1. Принципиальная схема транскритической холодильной системы СО2 с параллельным сжатием: КМ1 — компрессор первой ступени сжатия, КМ2 — компрессор второй ступени сжатия, КМ3 — компрессор параллельного сжатия, ОГ — охладитель газа, ПС — промежуточный сосуд, Ист — испаритель среднетемпературных потребителей, Инт — испаритель низкотемпературных потребителей, РВ1, РВ2, РВ3 — регулирующие вентили.
Fig. 1. Schematic diagram of transcritical refrigerating СО2 system (System 3): КМ1 — the compressor of the first stage of compression, KM2 — the compressor of the second stage of compression, KM3 — parallel compressor, OG — the cooler of gas, PS — an intermediate vessel, East — the evaporator of medium temperature consumers, Int — the evaporator of low-temperature consumers, PB1, PB2, PB3 — the regulating valves.
Для снижения потерь при дросселировании хладагента предложено установить компрессор параллельного сжатия [4] (рис. 1), таким образом, что понижение энтальпии от h6 до h7 осуществляется за счет установки дополнительного компрессора КМ3.
Транскритический цикл СО2 с параллельным сжатием работает следующим образом (рис. 2).
Рис. 2. Транскритический цикл СО2 с параллельным сжатием.
Fig. 2. Transcritical cycle CO2 with parallel compression.
Пары хладагента, образовавшиеся при кипении в испарителе Инт от тепловой нагрузки Qнт, сжимаются компрессором нижней ступени КМ1 от давления точки 1 до давления точки 2. Смешиваются с парами хладагента, образовавшимися при кипении хладагента на уровне в испарителе Ист от тепловой нагрузки Qст, после этого происходит сжатие в компрессоре второй ступени КМ2 от давления точки 3 до давления точки 4.
Далее происходит смешение с парами хладагента, сжатыми в компрессоре КМ3.
После этого пары попадают в охладитель газа ОГ, где охлаждаются от температуры нагнетания до температуры, превышающей температуру окружающей среды на величину недорекуперации. Процесс происходит в сверхкритической области.
Охлажденные пары дросселируются в РВ3 до давления промежуточного сосуда ПС, часть паров откачивается компрессором КМ3, энтальпия оставшейся части при этом понижается до состояния точки 7.
Далее насыщенная жидкость точки 7 дросселируется до среднетемпературного и низкотемпературного уровней в РВ2 и РВ1 соответственно. Цикл повторяется.
Произведем расчет цикла в следующей последовательности.
Удельная массовая холодопроизводительность среднетемпературного контура:
qо_ст = h12 −h9. (1)
Удельная массовая холодопроизводительность низкотемпературного контура:
qо_нт = h11 −h1. (2)
Массовые расходы низкотемпературного и среднетемпературного контуров
(3)
Относительные массовые расходы низкотемпературного и среднетемпературного контуров
(4)
Удельный массовый расход, который необходимо сжать в параллельном компрессоре, определяется согласно формуле:
gпар = g2 − gнт − gст . (5)
Энтальпию точки 3 найдем по уравнению смешения:
. (6)
Энтальпию в точке 15s находим по уравнению смешения удельных массовых расходов компрессора второй ступени и компрессора параллельного сжатия:
(7)
Энтальпию в точке 15 также находим по уравнению смешения:
(8)
Минимальная работа, необходимая для генерации холода, а также необходимые удельные затраты работы сжатия на компенсацию производства энтропии рассчитывались, как и в предыдущем случае, как суммы на соответствующих участках с учетом значений относительных массовых расходов.
Расчеты проводились по следующим зависимостям:
- минимальная необходимая удельная работа (электроэнергия) для генерации холода
(9)
- адиабатная работа сжатия
(10)
- действительная затрачиваемая удельная работа сжатия
(11)
- степень термодинамического совершенства
(12)
- холодильный коэффициент при адиабатном процессе сжатия
(13)
- действительное значение холодильного коэффициента
. (14)
Необходимые удельные затраты работы сжатия для компенсации производства энтропии в охладителе газа:
. (15)
Необходимые удельные затраты работы сжатия для компенсации производства энтропии при дросселировании определяем для 3 процессов (верхний индекс указывает на сам процесс):
(16)
Общие необходимые удельные затраты работы сжатия для компенсации производства энтропии в испарителе:
(17)
Необходимые удельные затраты работы сжатия для компенсации производства энтропии в других процессах (смешение в точке 3, смешение в точке 15, процессы в промежуточном сосуде):
(18)
Суммируя величины необходимых удельных затрат работы сжатия для компенсации производства энтропии во всех элементах холодильной системы, находим расчетную величину адиабатной работы сжатия:
. (19)
Энергетические потери в компрессоре:
. (20)
Расчетная работа сжатия:
. (21)
ЗАКЛЮЧЕНИЕ
- Предлагаемая методика основана на известных зависимостях, широко применяемых при анализе холодильных циклов;
- Расчет цикла включает анализ потерь работы сжатия по компонентам системы;
- Применение данной методики позволяет определить элементы и процессы с наибольшими потерями и принять меры для повышения эффективности работы холодильной системы.
ДОПОЛНИТЕЛЬНО
Конфликт интересов. Автор декларирует отсутствие явных и потенциальных конфликтов интересов, связанных с публикацией настоящей статьи.
Источник финансирования. Автор заявляют об отсутствии внешнего финансирования при проведении поисково-аналитической работы и подготовке рукописи.
ADDITIONAL INFORMATION
Competing interests. The author declares that there is no conflict of interest
Funding source. This study was not supported by external sources of funding.
About the authors
Maksim S. Talyzin
International Academy of Refrigeration
Author for correspondence.
Email: talyzin_maxim@mail.ru
ORCID iD: 0000-0001-7244-1946
SPIN-code: 6524-3085
Cand. Sci. (Tech.)
Russian Federation, 5 2nd Baumanskaya street, 105005 MoscowReferences
- Baranenko AV, Bukharin NN, Pekarev VI, et al. Refrigeration plants. St. Peterburg: Politekhnika; 2006. (In Russ).
- Arkharov AM. Fundamentals of cryology. Entropy-Statistical Analysis of Low-Temperature Systems. Moskva: MGTU im NE Baumana; 2014. (In Russ).
- Arkharov AM. About a single thermodynamic space, heat, cold, exergy and entropy, as the basic concepts of engineering cryology. Refrigeration technology. 2009;98(6):34–39. (In Russ). doi: 10.17816/RF97641
- Arkharov AM. Why the exergetic version of thermodynamic analysis is not rational for the study of basic low-temperature systems. Refrigeration technology. 2011;100(10):8–12. (In Russ). doi: 10.17816/RF98321
- Arkharov AM, Shishov VV, Talyzin MS. Comparison using entropy-statistical analysis of transcritical cycles on SO2 with cycles on traditional refrigerants for cold supply systems of retail. Refrigeration technology. 2017;106(2):34–41. (In Russ). doi: 10.17816/RF99213
Supplementary files





