Procedure for calculation and analysis of transcritical cycle CO2 with parallel compression and ejector
- Authors: Talyzin M.S.1
-
Affiliations:
- International Academy of Refrigeration
- Issue: Vol 110, No 4 (2021)
- Pages: 231-236
- Section: Short Communications
- URL: https://freezetech.ru/0023-124X/article/view/322752
- DOI: https://doi.org/10.17816/RF322752
- ID: 322752
Cite item
Abstract
Attempts to reduce the negative impact on the environment have led, among other things, to the use of so-called natural refrigerants. One of which is SO2.
At food processing enterprises, this refrigerant is used in two main cycles - cascade and transcritical.
Along with the negative impact on the environment, it is also necessary to take into account the increase in the efficiency of refrigeration plants, which is especially important for transcritical cycles.
The purpose of the study was to develop a method for calculating and analyzing the transcritical cycle of SO2 with parallel compression and an ejector.
The calculation of the transcritical cycle is based on the fundamental laws of thermodynamics, the analysis method is based on the entropy-statistical method of thermodynamic analysis. Cycle calculation includes analysis of compression loss by system components.
Description of operation of transcritical cycle of SO2 with parallel compression and ejector with two temperature levels is given, procedure of calculation and analysis of losses in elements of refrigerating unit operating according to transcritical cycle of SO2 with parallel compression and ejector is given.
The use of this method allows you to identify the elements and processes with the greatest losses and take further measures to improve the efficiency of the refrigeration system.
Full Text
ОСНОВНОЙ ТЕКСТ СТАТЬИ
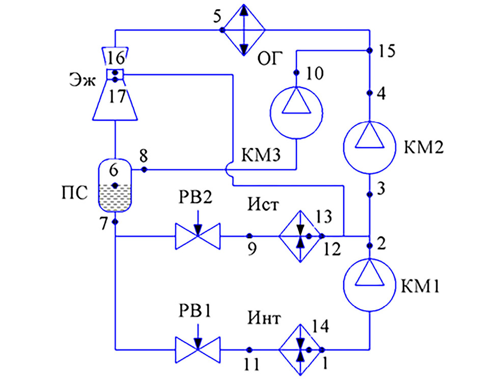
Приведем описание работы холодильной установки, работающей по транскритическому циклу СО2 с параллельным сжатием и эжектором, с двумя температурными уровнями. На рис. 1 приведена принципиальная схема холодильной установки. На рис. 2 представлен транскритический цикл с параллельным сжатием и эжектором в диаграмме энтальпия–давление.
Рис. 1. Принципиальная схема транскритической холодильной системы СО2 с параллельным сжатием и эжектором: КМ1 — компрессор первой ступени сжатия, КМ2 — компрессор второй ступени сжатия, ОГ — охладитель газа, ПС — промежуточный сосуд, Ист — испаритель среднетемпературных потребителей, Инт — испаритель низкотемпературных потребителей, РВ1, РВ2 — регулирующие вентили, Эж – эжектор.
Fig. 1. Schematic diagram of transcritical refrigerating CO2 system with parallel compression and ejector: KM1 — the compressor of the first stage of compression, KM2 — the compressor of the second stage of compression, OG — the cooler of gas, PS — an intermediate vessel, East — the evaporator of medium temperature consumers, Int — the evaporator of low-temperature consumers, PB1, PB2, — the regulating valvesб Ej — ejector.
Рис. 2. Транскритический цикл СО2 с параллельным сжатием и эжектором.
Fig. 2. Transcritical cycle CO2 with parallel compression and ejector.
Потери при дросселировании занимают значительную часть в общей доле потерь в процессах холодильного цикла. Поскольку дросселирование — это процесс расширения рабочего вещества без совершения внешней работы, целесообразно было бы использовать устройство, которое позволяло бы возвращать часть работы обратно в цикл, тем самым уменьшая потери. Идеальным решением данной проблемы явилось бы применение детандера. Однако, по сравнению с применяемыми расширительными устройствами (терморегулирующие вентили, электрические регулирующие клапаны, капиллярные трубки, дроссельные шайбы) конструкция детандера сложнее и его применение увеличивает капитальные затраты.
В качестве альтернативного решения для циклов с применением СО2 применяется эжектор Эж вместо регулирующего вентиля РВ3.
Пары хладагента, образовавшиеся при кипении на низком температурном уровне в испарителе Инт от тепловой нагрузки Qнт, сжимаются компрессором нижней ступени КМ1 от давления точки 1 до давления точки 2. Смешиваются с парами хладагента, образовавшимися при кипении хладагента на среднем температурном уровне в испарителе Ист от тепловой нагрузки Qст. При этом часть паров отбирается эжектором Эж. После этого происходит сжатие в компрессоре второй ступени КМ2 от давления точки 3 до давления точки 4.
Пары смешиваются с парами, сжимаемыми в компрессоре параллельного сжатия КМ3 в точке 15.
После этого пары попадают в охладитель газа (ОГ), где они охлаждаются от температуры нагнетания до температуры, превышающей температуру окружающей среды на величину недорекуперации. Процесс происходит в сверхкритической области.
Охлажденные пары расширяются в Эж до давления промежуточного сосуда ПС, часть паров откачивается компрессором параллельного сжатия КМ3, энтальпия оставшейся части при этом понижается до состояния точки 7.
Далее насыщенная жидкость точки 7 дросселируется до среднетемпературного и низкотемпературного уровней в РВ2 и РВ1 соответственно. После чего цикл повторяется.
Расчет и анализ цикла построен на методах, изложенных в [1] и [2].
Удельная массовая холодопроизводительность среднетемпературного контура:
qо_ст = h12 - h9 (1)
Удельная массовая холодопроизводительность низкотемпературного контура:
qо_нт = h11 - h1 (2)
Массовые расходы низкотемпературного и среднетемпературного контуров
Относительные массовые расходы низкотемпературного и среднетемпературного контуров
Расчет производим в следующей последовательности:
- Определяем энтропию точки 16 из условия адиабатного расширения рабочего потока, находим другие параметры в этой точке по диаграмме свойств хладагента.
- Находим энтальпию точки 17 из уравнения смешения в эжекторе, находим энтропию в этой точке по диаграмме свойств хладагента.
- Из условия адиабатного сжатия в эжекторе находим энтропию точки 6.
- Определяем значение удельного массового расхода параллельного сжатия.
Для определения указанных выше параметров составим систему уравнений:
(5)
Отношение удельного массового расхода эжектируемого потока gэ к удельному массовому расходу рабочего потока gр принимается на основании рекомендованных значений для данного типа струйных аппаратов [3]
Энтальпия точки 2 определяется по известному значению адиабатного КПД компрессора первой ступени:
h = h1 + (6)
Энтальпия в точке 4 находится аналогично уравнению (6).
Минимальная необходимая удельная работа для генерации холода:
(7)
Адиабатная работа сжатия:
(8)
Действительная затрачиваемая удельная работа сжатия:
(9)
Степень термодинамического совершенства:
(10)
Холодильный коэффициент при адиабатном процессе сжатия:
(11)
Действительное значение холодильного коэффициента:
(12)
Необходимые удельные затраты работы сжатия для компенсации производства энтропии в охладителе газа:
(13)
Необходимые удельные затраты работы сжатия для компенсации производства энтропии при дросселировании определяем для 2 процессов (верхний индекс указывает на сам процесс):
(14)
Необходимые удельные затраты работы сжатия для компенсации производства энтропии в испарителе при передаче теплоты от охлаждаемого объекта в цикле при средней температуре воздуха в потребителях (кипение жидкого хладагента):
(15)
Необходимые удельные затраты работы сжатия для компенсации производства энтропии в испарителе при передаче теплоты от охлаждаемого объекта в цикле при средней температуре воздуха в потребителях (перегрев хладагента в испарителе):
(16)
Общие необходимые удельные затраты работы сжатия для компенсации производства энтропии в испарителе:
(17)
Необходимые удельные затраты работы сжатия для компенсации производства энтропии в других процессах (смешение в точке 3, смешение в точке 15, процессы в промежуточном сосуде):
(18)
Необходимые удельные затраты работы сжатия для компенсации производства энтропии в эжекторе определяются следующими параметрами:
Работа, которая может быть передана в цикл за счет адиабатного расширения удельного массового расхода gр:
(19)
Необходимые удельные затраты работы сжатия на производство энтропии при смешении в эжекторе:
(20)
Необходимые удельные затраты работы сжатия на повышение давления в эжекторе:
(21)
Таким образом, необходимые удельные затраты работы сжатия для компенсации производства энтропии в эжекторе:
(22)
Суммируя величины необходимых удельных затрат работы сжатия для компенсации производства энтропии во всех элементах холодильной системы, находим расчетную величину адиабатной работы сжатия:
(23)
Энергетические потери в компрессоре:
(24)
Расчетная работа сжатия:
(25)
Погрешность определения работы сжатия:
(26)
Результаты анализа являются удовлетворительными, если величина погрешности, определяемой по уравнению (26), находится в переделах 3%.
Результаты, полученные по данной методике, представлены в [4].
ЗАКЛЮЧЕНИЕ
Предлагаемая методика основана на известных зависимостях, широко применяемых при анализе холодильных циклов. Расчет цикла включает анализ потерь работы сжатия по компонентам системы. Применение данной методики позволяет определить элементы и процессы с наибольшими потерями и принять меры для повышения эффективности работы холодильной системы.
ДОПОЛНИТЕЛЬНО
Источник финансирования. Автор заявляет об отсутствии внешнего финансирования при проведении поисково-аналитической работы и подготовке рукописи.
Конфликт интересов. Автор декларирует отсутствие явных и потенциальных конфликтов интересов, связанных с публикацией настоящей статьи.
ADDITIONAL INFORMATION
Funding source. This publication was not supported by any external sources of funding.
Competing interests. The authors declare that they have no competing interests.
About the authors
Maksim S. Talyzin
International Academy of Refrigeration
Author for correspondence.
Email: talyzin_maxim@mail.ru
ORCID iD: 0000-0001-7244-1946
Cand. Sci. (Technics), correspondent member of International Academy of Refrigeration (IAR)
Russian Federation, 5 2nd Baumanskaya street, 105005 MoscowReferences
- Baranenko AV, Bukharin NN, Pekarev VI. Refrigeration machines. St. Petersburg.: Politekhnika; 2006. (In Russ.)
- Arkharov AM. Fundamentals of cryology. Entropy-statistical analysis of low-temperature systems. Moscow: MGTU im NE Baumana; 2014. (In Russ.)
- Sokolov EYa, Zinger NM. Jet devices. Moscow, Leningrad: Gosudarstvennoe energeticheskoe izdatelstvo; 1960. (In Russ.)
- Arkharov AM, Shishov VV, Talyzin MS. Sravnenie s pomoshch’yu entropiynostatisticheskogo analiza transkriticheskikh tsiklov na SO₂ s tsiklami na traditsionnykh khladagentakh dlya sistem kholodosnabzheniya predpriyatiy torgovli. Refrigeration Technology. 2017;106(2):34–41. (In Russ.) doi: 10.17816/RF99213
Supplementary files





