Experimental investigation of enhanced CO₂ refrigeration systems at varying operating conditions
- Authors: Doerffel C.1, Barta R.B.1, Thomas C.1, Hesse U.1
- 
							Affiliations: 
							- Technische Universität Dresden Institute of Power Engineering, Bitzer Chair of Refrigeration, Cryogenics and Compressor Technology Dresden
 
- Issue: Vol 112, No 4 (2023)
- Pages: 195-204
- Section: Original Study Articles
- URL: https://freezetech.ru/0023-124X/article/view/634610
- DOI: https://doi.org/10.17816/RF634610
- ID: 634610
Cite item
Abstract
The efficiency of a CO₂ refrigeration system depends mainly on the operating conditions and the system design. To increase the energy efficiency, advanced system designs include additional components and their combinations such as parallel compression, ejectors, and expansion machines. For a direct comparison of different system designs, measurements were performed on an advanced CO₂ laboratory refrigeration system at different operating conditions. The system behaviour was investigated at different gas cooler outlet temperatures, varying cooling loads, different evaporation temperatures and amounts of superheating. The results of the measurements performed on a baseline system configuration and advanced system designs are presented. It was observed that the influence of operating conditions is less important for certain measures in terms of efficiency improvement than for others. For each system design, operating conditions were identified under which a particularly advantageous behaviour of the respective measures was found. In the future, this will allow the judgment of the efficiency enhancement of each of different respective features for each individual application.
This article is a translation of the article by Doerffel C, Barta R, Thomas C, Hesse U. Experimental investigation of enhanced CO2 refrigeration systems at varying operating conditions. In: Proceedings of the 9th IIR Conference on the Ammonia and CO2 Refrigeration Technologies. Ohrid: IIF/IIR, 2021.
DOI: 10.18462/iir.nh3-co2.2021.0023 Published with the permission of the copyright holder.
Keywords
Full Text
СОКРАЩЕНИЯ
p - давление (МПа)
Q0,ref - эталонная холодопроизводительность (Вт)
T - Температура (K)
Pc - Электрическая мощность (компрессор и инвертор) (Вт)
h - удельная энтальпия (Дж/кгК)
COPref - холодильный коэффициент (-)
m - массовый расход (кг/с)
x - паросодержание (-)
1. ВВЕДЕНИЕ
Благодаря экологической сознательности и законодательным мерам, количество систем охлаждения на базе CO₂ для коммерческого применения быстро растет и в 2020 году достигло более 30 000 систем по всему миру [1]. Несмотря на то, что эти системы работают с гораздо более высокой эффективностью при низких температурах окружающей среды, в летний период доминирует транскритический процесс, для которого требуется более высокая потребляемая мощность, что приводит к снижению удельной холодопроизводительности. Указанное обстоятельство обусловлено термодинамическими свойствами CO₂, так как энтальпия на выходе газоохладителя значительно выше при транскритическом режиме работы в сравнении с докритическим. Поэтому требуется более высокий массовый расход газоохладителя. Кроме того, транскритический процесс связан с высоким давлением в газоохладителе, что приводит к высокой удельной работе сжатия компрессора и высокому потреблению электроэнергии. Указанные аспекты приводят к снижению эффективности стандартного транскритического цикла CO₂. В системах, расположенных в теплом или умеренном климате, для экономии энергии могут быть полезны такие усовершенствования цикла, как параллельное сжатие, детандеры или эжекторы, а также такие технологии, как испарители с избыточной подачей жидкости.
Параллельное сжатие является наиболее часто используемой технологией, которая, по имеющимся данным, позволяет сэкономить от 3% до 9% годового потребления энергии для условий средней Европы, особенно если промежуточное давление соответствует температуре окружающей среды или температуре на выходе из газоохладителя [2–4]. Избыточная подача жидкости в испаритель может привести к повышению энергоэффективности на 12% [3]. Экспериментально достигнутое повышение эффективности при использовании эжекторов составляет от 7% до 17% [5–7]. Однако, следует отметить, что эти значения сильно зависят от конкретных условий эксплуатации. Сообщается, что детандеры для восстановления работы позволяют увеличить холодильный коэффициент на 7–40% [8–10]. В Дрезденском техническом университете были проведены исследования на лабораторной системе CO₂ для сравнения различных конструкций систем друг с другом при одинаковых граничных условиях. Предметом исследования данной статьи является влияние работы с частичной нагрузкой и дополнительные меры по снижению температуры на выходе из газоохладителя для конкретной системы, в дополнение к предыдущим работам по этой теме [11].
Благодаря быстро растущему количеству исследований по мерам повышения эффективности, применяемым в транскритических системах охлаждения на базе CO₂, стало ясно, что в этом контексте необходимо исследовать более широкие области применения таких систем. Таким образом, данная работа расширяет ранее представленные исследования, проведенные с использованием именно такой испытательной установки, и позволяет экспериментально изучить сочетание двух различных методов регулирования производительности с использованием работы расширения. В частности, были испытаны частотное управление двигателем компрессора и отключение цилиндров, а также тщательно изучено влияние переменной производительности на холодильный коэффициент и применимость использования работы расширения в зависимости от производительности и условий эксплуатации.
2. ИСЛЕДОВАННАЯ СИСТЕМА ОХЛАЖДЕНИЯ НА БАЗЕ CO₂
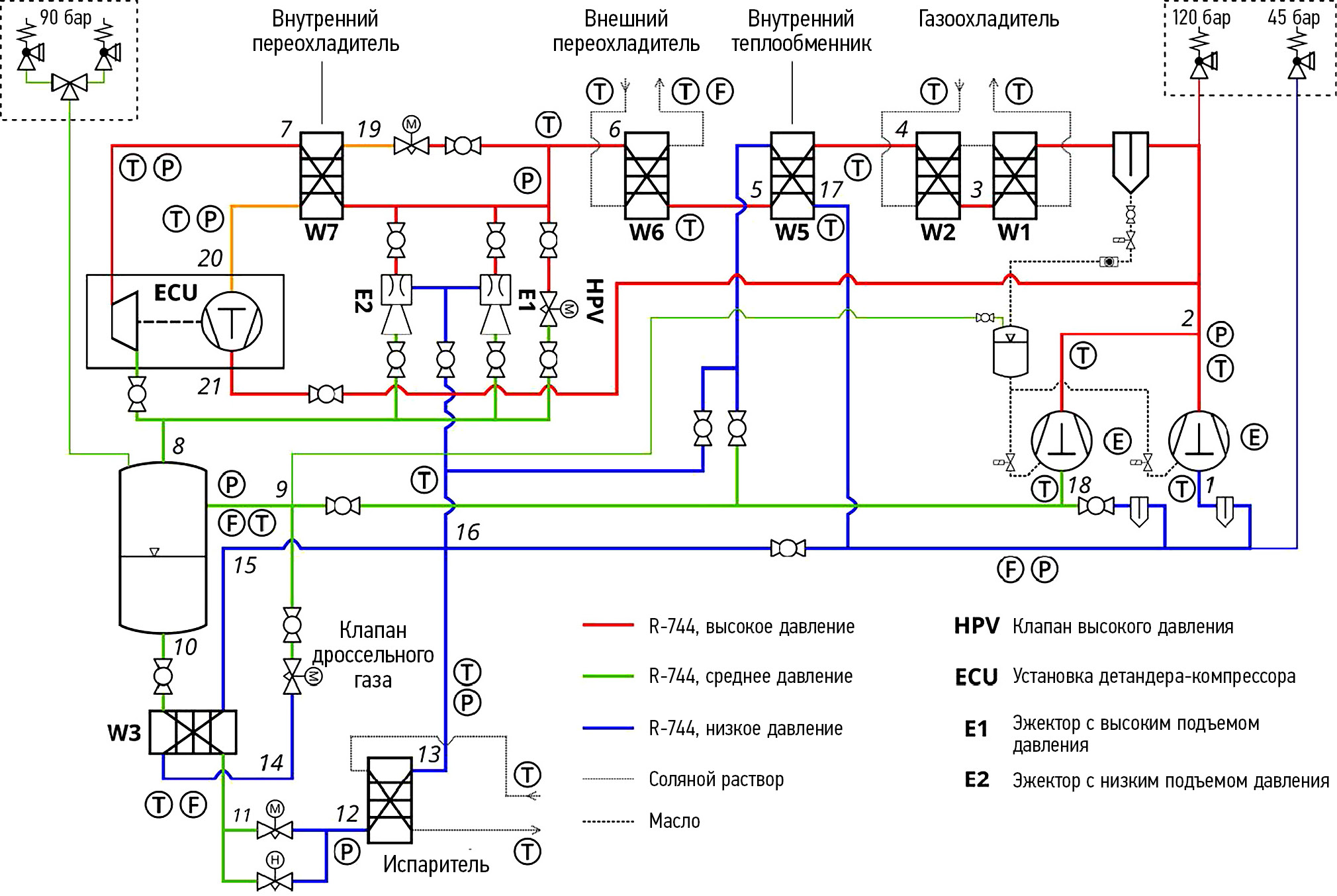
Измерения проводились в Техническом университете Дрездена с помощью лабораторной системы на базе CO₂, представленной на рис. 1. Исследуемая система состоит из среднетемпературного компрессора (MT) и параллельного компрессора, который может быть переключен в режим MT. Каждый компрессор представляет собой бессальниковый поршневой компрессор производства компании Bitzer, управляемый преобразователем частоты. Компрессор MT имеет номинальный объемный расход 15 м3/ч и оснащен системой разгрузки двух из четырех цилиндров. Отключение цилиндров осуществляется с помощью поршня, открывающего перепускной канал между камерами нагнетания и всасывания газа. Поршень управляется электромагнитным сервоклапаном. Внутренний обратный клапан используется для предотвращения перетекания хладагента из нагнетательной линии в камеру всасывания газа [12]. С помощью этой системы диапазон работы компрессора может быть расширен до меньшей холодопроизводительности, например, на 25% или даже в диапазоне от 10% до 100%. Используя только регулировку частоты, можно охватить диапазон от 50% до 140% (от 25 Гц до 70 Гц при номинальной частоте 50 Гц). Предполагается, что для компрессоров большой производительности механическое регулирование производительности менее затратно, чем с помощью частотных преобразователей. В данном материале для двух выбранных систем используется комбинация обоих способов.
Рис. 1. Схема экспериментальной холодильной системы на базе CO₂.
Fig. 1. Schematic of the experimental CO₂ refrigeration system.
Номинальный объемный расход параллельного компрессора составляет 3,3 м3/ч. Все теплообменники выполнены в виде пластинчатых теплообменников. Вторичной жидкостью для газоохладителя/конденсатора (в дальнейшем именуемого просто газоохладителем) и испарителя является соляной раствор, а вторичной жидкостью для внешнего переохладителя является вода. В системе предусмотрено четыре варианта расширения CO₂ от высокого давления до среднего: клапан высокого давления для базовой системы, два различных типа эжекторов, один из которых оптимизирован для высокого подъема давления с низким коэффициентом эжекции, а другой - для низкого подъема давления с высоким коэффициентом эжекции, и, наконец, блок детандера-компрессора для приведения в действие внутреннего цикла переохлаждения (экономайзер). Образующийся дроссельный газ отделяется в сосуде среднего давления и может быть либо дросселирован до низкого давления с помощью клапана дроссельного газа, либо сжат до высокого давления параллельным компрессором. Жидкий хладагент дросселируется и затем кипит в испарителе. При необходимости во внутреннем теплообменнике может создаваться перегрев. Давление и температура измеряются в каждой соответствующей точке цикла, как и потребление электроэнергии преобразователями частоты компрессоров.
В качестве базовой системы была выбрана система перепуска пара, образовавшегося при дросселировании, которая состоит из компрессора MT, охладителя газа, клапана высокого давления, ресивера среднего давления, клапана дроссельного газа, расширительного клапана жидкостной магистрали и испарителя. Все остальные компоненты и сегменты трубопроводов перекрываются с помощью шаровых кранов. В компрессорно-детандерном цикле с экономайзером (система ECU) вместо клапана высокого давления используется внутренний теплообменник переохлаждения и блок детандера-компрессора. Обе системы могут быть объединены с параллельным сжатием, при котором клапан дроссельного газа закрыт, а параллельный компрессор используется для сжатия отводящего газа до высокого давления. В системе эжектора высокого подъема давления используется эжектор для сжатия газа на выходе из испарителя до среднего давления, что увеличивает массовый расход испарителя и приводит к увеличению холодопроизводительности. Впоследствии массовый расход параллельного компрессора увеличивается, в то время как массовый расход компрессора MT остается неизменным. В отличие от этого, в системе эжектора с низким подъемом давления используется один уровень компрессора - от среднего до высокого давления. Эжектор используется для сжатия всего массового расхода испарителя от давления кипения до среднего давления. Более подробное описание всей системы и ее деталей приведено в работе [11].
Для всех измерений было выбрано давление среды 3,5 МПа ± 0,025 МПа, температура кипения около 5,5°C (что соответствует давлению кипения 3,0 МПа ± 0,025 МПа) и перегрев на входе в компрессор 10 К ± 0,6 К. Из-за этих ограничений перегрев после испарителя необходимо регулировать для достижения заданных условий на входе в компрессор. Следовательно, перегрев рассматривается как бесполезный перегрев и только доступная теплота парообразования принимается во внимание для определения базовой холодопроизводительности, :
где , .
Затем эталонный холодильный коэффициент (COP) определяется как:
3. РЕЗУЛЬТАТЫ ЭКСПЕРИМЕНТА И ИХ ОБСУЖДЕНИЕ
Рис. 2. Эффективность (эталонный COP) базовой системы и системы с экономайзером ECU с разгрузкой цилиндров и без нее при различных температурах на выходе из газоохладителя.
Fig. 2. Efficiency (reference COP) of the baseline system and ECU-economizer-system with and without cylinder unloading at varying gas cooler outlet temperatures.
На рис. 2 показаны контрольные значения COP для базовой системы и для системы ECU для различных температур на выходе газоохладителя при использовании одной и той же частоты вращения компрессора MT. Давление среды поддерживалось постоянным на уровне 3,5 МПа, а давление в газоохладителе было слегка отрегулировано для достижения максимальной эффективности, что показано на рис. 3.
Рис. 3. Давление в газоохладителе в точках измерений, указанных на Рис. 2.
Fig. 3. Gas cooler pressures of measurements points associated with Fig. 2.
При снижении температуры на выходе из газоохладителя COP системы повышается за счет уменьшения работы по сжатию и увеличения холодопроизводительности. При использовании компрессорно-детандерного цикла с экономайзером COP повышается примерно на 20%. При низких температурах на выходе из газоохладителя это повышение эффективности наиболее значительно, тогда как при более высоких температурах на выходе из газоохладителя работа системы с частичной нагрузкой за счет разгрузки цилиндров приводит к снижению эффективности как компрессора, так и установки детандера-компрессора. Вследствие ограничений по отводу теплоты в системе, было невозможно провести измерения без разгрузки цилиндров при температуре на выходе из газоохладителя ниже 20°C. При использовании разгрузки цилиндров массовый расход хладагента и, следовательно, отводимый тепловой поток уменьшаются. Соответственно, можно снизить давление и температуру на выходе газоохладителя и проводить измерения при более низкой температуре на выходе. Измерения, проведенные при температуре на выходе из газоохладителя 15°C, отличаются несколько более высоким давлением и большей разницей температур переохлаждения по сравнению с измерениями при 16°C, что также является результатом ограниченной теплопередачи в газоохладителе. Это оказывает незначительное влияние на КС. Самый высокий COP был измерен при самой низкой температуре на выходе из газоохладителя, которая составляет 15°C для базовой системы и 16°C для системы ECU. Измерения параметров систем с разгрузкой цилиндров показывают несколько меньший COP без использования такой разгрузки как для базовой системы, так и для системы с ECU. Потери эффективности в базовом цикле происходят главным образом в компрессоре, что означает, что работа с частичной нагрузкой влияет на эффективность компрессора и системы.
Поскольку работа с частичной нагрузкой оказывает значительное влияние на эффективность, это стало предметом дальнейшего изучения. Параметры процесса были выбраны при температуре на выходе из газоохладителя 30°C ± 0.1 К и давлении 7.5 МПа ±0.05 МПа Частота работы компрессора MT изменялась в диапазоне от 25 Гц до 65 Гц с шагом 5 Гц без использования разгрузки цилиндра и в диапазоне от 30 Гц до 60 Гц с шагом 10 Гц с использованием разгрузки цилиндра. Результаты этих измерений представлены на рис. 4. Эталонная система достигает наибольшей эффективности при частоте инвертора компрессора МТ от 40 до 45 Гц и общем диапазоне холодопроизводительности от 10 кВт до 44 кВт как при использовании частотного регулирования, так и при разгрузке цилиндров. В системе с использованием детандерно-компрессорного цикла с экономайзером (система ECU) доступная холодопроизводительность увеличивается примерно с 10 кВт до почти 50 кВт при частоте компрессора МТ 55 Гц. Эффективность усовершенствованной системы была повышена по всему диапазону на 20–40%, в зависимости от условий нагрузки.
Рис. 4. Эталонный COP базовой системы и цикла детандер-компрессора с экономайзером при различной холодопроизводительности с температурой на выходе из газоохладителя 30°C и давлением 7,5 МПа.
Fig. 4. Reference COP of baseline system and expander compressor economizer system at varying cooling capacities with 30°C gas cooler outlet temperature and 7.5 MPa gas cooler outlet pressure.
Вследствие ограничения максимального объемного расхода установки детандера-компрессора измерения с частотой компрессора MT выше 55 Гц или холодопроизводительностью 50 кВт не проводились. В системе ECU есть два способа достичь более высокой холодопроизводительности за счет снижения эффективности. Первый — увеличить высокое давление и плотность на входе в детандер для увеличения массового расхода при неизменном объемном расходе. За счет увеличения высокого давления и плотности на входе в детандер можно было бы достичь холодопроизводительности 56 кВт (см. рис. 5). Второй вариант заключается в параллельном использовании клапана высокого давления, что снижает эффективность за счет того, что не происходит переохлаждения всего массового расхода хладагента, но позволяет получить холодопроизводительность, определяемую ограничениями компрессоров. Оба варианта приводят к меньшему увеличению эффективности по сравнению с эталонной системой, но усовершенствованная система все равно демонстрирует преимущества по эффективности и холодопроизводительности по сравнению с базовой системой.
Рис. 5. Эталонный COP при различной холодопроизводительности для различных конструкций систем при температуре на выходе из газоохладителя 30°C и давлении 7,5 МПа.
Fig. 5. Reference COP at varying cooling capacities for various system designs at 30°C gas cooler outlet temperature and 7.5 MPa gas cooler outlet pressure.
Рис. 5 дополняет рис. 4, демонстрируя эффективность работы системы параллельного сжатия, комбинации системы параллельного сжатия и ECU (PC+ECU), эжекторной системы низкого давления, а также их комбинации с испарителями с избыточной подачей жидкости (маркировка “0 Ksh”). Каждая система имеет оптимальную рабочую температуру, которая определяется максимальной эффективностью при определенной холодопроизводительности. Это является результатом особенностей работы компрессора MT при частичной нагрузке и влияния других компонентов, к которым относятся параллельный компрессор, эжекторы и установка детандера-компрессора. Режим частичной нагрузки компрессора MT отображается в виде кривой эталонной системы. В условиях фиксированного цикла изменяющиеся потери эффективности являются следствием изоэнтропного и объемного КПД компрессора при соответствующей скорости вращения, а также электрического КПД инвертора и двигателя при различных частотах и нагрузках двигателя. Система эжектора с низким подъемом давления демонстрирует аналогичное поведение и эффективность, как и система ECU, но предел применения эжектора находится на более низкой холодопроизводительности в 34 кВт при максимальной степени открытия регулировочной иглы. Кроме того, её эффективность выше, чем у эталонной системы, и близка к эффективности системы параллельного сжатия и цикла детандер-компрессора с экономайзером. Минимальная холодопроизводительность системы параллельного сжатия и ее комбинаций с циклом детандер-компрессора с экономайзером составляет около 27 кВт. Максимальная холодопроизводительность при параллельном сжатии не измерялась, так как она практически зависит только от производительности компрессора. Предел для его сочетания с системой ECU опять же определяется максимальным объемным расходом детандера и, таким образом, составляет около 50 кВт. Изображенная точка измерения системы PC+ECU холодопроизводительностью 56 кВт была выбрана при повышенном давлении, что приводит к вышеупомянутому снижению эффективности по сравнению с оптимальными параметрами.
Кроме того, измерения систем с избыточной подачей жидкости на испарители проводились при частоте компрессора МТ 30 Гц, а для системы ECU - дополнительно 25 Гц и 35 Гц. В результате повышения температуры кипения (+2,5 К) и, следовательно, давления всасывания холодопроизводительность увеличивается примерно на 10%. Эффективность базовой системы повышается примерно на 20%, в то время как для системы ECU и эжекторной системы эффективность повышается примерно на 10%. Для системы PC+ECU с испарителями с избыточной подачей жидкости увеличение холодопроизводительности и эффективности было незначительно. Одной из причин указанного эффекта является уменьшение количества дроссельногогаза за счет использования внутреннего теплообменника и, как следствие, дополнительного переохлаждения. Эффективность параллельного сжатия строго связана с количеством дроссельного газа. Одним из вариантов усовершенствования системы является установка дополнительного внутреннего теплообменника в линии жидкости в качестве первичного контура и подключение выхода испарителя к стороне вторичного контура этого теплообменника. Это обеспечивает минимальный перегрев вне испарителя без уменьшения количества дроссельного газа. Необходимо сохранить внутренний теплообменник между стороной высокого давления и стороной всасывания MT, а температуру всасывания можно регулировать с помощью трехходового клапана, чтобы обеспечить достаточный перегрев и избежать недопустимо высоких температур на выходе из компрессора из-за высокой температуры всасываемого газа.
4. ВЫВОДЫ
В результате проведенных измерений можно утверждать, что использование усовершенствованных циклов CO₂ приводит к значительному повышению эффективности, особенно при транскритическом режиме работы. Благодаря сочетанию двух технологий, к которым относятся цикл детандер-компрессора с экономайзером (система ECU) с параллельным сжатием, испарители с избыточной подачей жидкости и эжекторы с избыточной подачей жидкости, можно добиться максимального COP. Кроме того, COP зависит от эффективности компрессора, которая является функцией холодопроизводительности. Поэтому необходимо тщательно подбирать компрессоры для систем, чтобы минимизировать потери из-за неблагоприятных условий работы компрессоров. Наконец, для оптимизации эффективности необходимо оптимизировать управление и уставки для каждой системы в отдельности, при этом простые системы с небольшим количеством параметров и взаимозависимостей, например, параллельное сжатие и система ECU, имеют преимущество перед системами с сильной зависимостью технологических параметров, например, эжекторными системами и испарителями с избыточной подачей жидкости. Поэтому дальнейшая работа может быть сосредоточена на разработке простых и легко управляемых, но при этом эффективных циклов и систем.
БЛАГОДАРНОСТИ
Авторы выражают признательность Федеральному министерству экономики и энергетики Германии (Bundesministerium für Wirtschaft und Energie), которое поддержало эту работу в рамках проекта 03ET1541A.
ACKNOWLEDGMENTS
The authors gratefully acknowledge the German Federal Ministry for Economic Affairs and Energy (Bundesministerium für Wirtschaft und Energie), who supported this work within the project 03ET1541A.
ДОПОЛНИТЕЛЬНАЯ ИНФОРМАЦИЯ
Настоящая статья представляет собой перевод статьи Doerffel C, Barta R, Thomas C, Hesse U. Experimental investigation of enhanced CO₂ refrigeration systems at varying operating conditions. In: Proceedings of the 9th IIR Conference on the Ammonia and CO₂ Refrigeration Technologies. Ohrid: IIF/IIR, 2021.
DOI: 10.18462/iir.nh3-co2.2021.0023
Публикуется с разрешения правообладателя.
ADDITIONAL INFORMATION
This article is a translation of the article by Doerffel C, Barta R, Thomas C, Hesse U. Experimental investigation of enhanced CO₂ refrigeration systems at varying operating conditions. In: Proceedings of the 9th IIR Conference on the Ammonia and CO₂ Refrigeration Technologies. Ohrid: IIF/IIR, 2021.
DOI: 10.18462/iir.nh3-co2.2021.0023
Published with the permission of the copyright holder.
About the authors
Christian Doerffel
Technische Universität Dresden Institute of Power Engineering, Bitzer Chair of Refrigeration, Cryogenics and Compressor Technology Dresden
							Author for correspondence.
							Email: christian.doerffel@tu-dresden.de
				                					                																			                												                	Germany, 							Dresden
						
Riley B. Barta
Technische Universität Dresden Institute of Power Engineering, Bitzer Chair of Refrigeration, Cryogenics and Compressor Technology Dresden
														Email: christian.doerffel@tu-dresden.de
				                	ORCID iD: 0000-0002-8833-7411
				                																			                												                	Germany, 							Dresden						
Christiane Thomas
Technische Universität Dresden Institute of Power Engineering, Bitzer Chair of Refrigeration, Cryogenics and Compressor Technology Dresden
														Email: christian.doerffel@tu-dresden.de
				                	ORCID iD: 0000-0003-3031-9138
				                																			                												                	Germany, 							Dresden
						
Ullrich Hesse
Technische Universität Dresden Institute of Power Engineering, Bitzer Chair of Refrigeration, Cryogenics and Compressor Technology Dresden
														Email: christian.doerffel@tu-dresden.de
				                					                																			                												                	Germany, 							Dresden
						
References
- World Guide to Transcritical CO₂ Refrigeration. Brussels, Belgium. Shecco; 2020.
- Javerschek O, Reichle M, Karbiner J. Optimization of Parallel Compression Systems. In: Proceedings of the 12th IIR Gustav Lorentzen Natural Working Fluids Conference. Edinburgh; 2016. doi: 10.18462/iir.gl.2016.1184
- Karampour M, Sawalha S. State-of-the-art integrated CO₂ refrigeration system for supermarkets: A comparative analysis. Int. J. Refrigeration. 2018;86:239–257.
- Dugaria S, Calabrese L, Azzolin M, et al. Energy analysis of CO₂ refrigeration systems using measured values of compressor efficiency. In: Proceedings of the 13th IIR Gustav Lorentzen Conference on Natural Refrigerants. Valencia; 2018. doi: 10.18462/iir.gl.2018.1372
- Elbel S, Hrjnak P. Experimental validation of a prototype ejector designed to reduce throttling losses encountered in transcritical R744 system operation. Int. J. Refrigeration. 2008;31:411–422.
- Lucas C, Koehler J. Experimental investigation of the COP improvement of a refrigeration cycle by use of an ejector. Int. J. Refrigeration. 2012;36:1595–1603.
- Haida M, Banasiak K, Smolk J, et al. Experimental analysis of the R744 vapour compression rack equipped with the multiejector expansion work recovery module. Int. J. Refrigeration. 2016;64:93–107.
- Nickl J, Will G, Quack H, Kraus WE. Integration of a threestage expander into a CO₂ refrigeration system. Int. J. Refrigeration. 2005;28:1219-1224.
- Baek JS, Groll EA, Lawless PB. Piston-cylinder work producing expansion device in a transcritical carbon dioxide cycle. Part I: experimental investigation. Int. J. Refrigeration. 2005;28:141–151.
- Ferrara G, Ferrari L, Fiaschi D, et al. Energy recovery by means of a radial piston expander in a CO₂ refrigeration system. Int. J. Refrigeration. 2016;72:147–155.
- Doerffel C, Thomas C, Hesse U. Experimental Results of various efficiency enhancing measures for CO₂ refrigeration systems. In: Proceedings of the 14th IIR Gustav-Lorentzen Conference on Natural Fluids, Virtual. Kyoto; 2020. doi: 10.18462/iir.gl.2020.1009
- Technical Information CRII system: Capacity control for reciprocating compressors for transcritical CO₂ applications. Bitzer Kühlmaschinenbau GmbH; 2018.
Supplementary files
 
				
			 
					 
						 
						 
									

 Open Access
		                                Open Access Access granted
						Access granted Subscription or Fee Access
		                                							Subscription or Fee Access
		                                					





