Two years of data monitoring of all-CO₂ retail stores within the MultiPACK project
- Authors: Artuso P.1, Minetto S.1, Rossetti A.1, Tosato G.2, Marinetti S.1
- 
							Affiliations: 
							- Consiglio Nazionale delle Ricerche, Istituto per le Tecnologie della Costruzione
- Enex Srl, Via Veneto
 
- Issue: Vol 112, No 4 (2023)
- Pages: 247-255
- Section: Original Study Articles
- URL: https://freezetech.ru/0023-124X/article/view/635511
- DOI: https://doi.org/10.17816/RF635511
- ID: 635511
Cite item
Abstract
This paper presents the results of a 24-month field monitoring of CO₂ transcritical units designed to satisfy all the thermal needs of food retail stores, namely refrigeration, heating and cooling. The units, adopting state-of the art technologies, such as two phase ejectors and parallel compression, are developed within the H2020 project MultiPACK. The monitored supermarkets are located in Italy, in two different climatic areas, featuring different heating and cooling demands for indoor comfort, as well as diverse building type and display cabinets mix. Long lasting measurements allow for evaluation of energy and efficiency related KPIs, together with operational indicators. These figures are relevant for benchmarking with traditional solutions.
This article is a translation of the article by Artuso P, Minetto S, Rossetti A, Tosato G, Marinetti S. Two years of data monitoring of all-CO₂ retail stores within the MultiPACK project. In: Proceedings of the 9th IIR Conference on the Ammonia and CO₂ Refrigeration Technologies. Ohrid: IIF/IIR, 2021. DOI: 10.18462/iir.nh3-co2.2021.0025 Published with the permission of the copyright holder.
Full Text
СОКРАЩЕНИЯ
| Скорость теплового потока [кВт] | COP | Коэффициент преобразования [-] | |
| Pel | Потребляемая электрическая мощность [K] | inv | Сигнал инвертора [%] | 
| p | Давление [бар] | T | Температура [°C] | 
| 
 | Нижние индексы | 
 | 
 | 
| LT | Низкая температура | MT | Средняя температура | 
| DHW | Горячая вода для бытовых нужд | AUX | Вспомогательная компрессионная стойка | 
| H | Отопление | C | Охлаждение | 
1. ВВЕДЕНИЕ
Вследствие регулирования выбросов парниковых газов и Кигалийской поправки к Монреальскому протоколу в сфере коммерческого холодильного оборудования пришлось быстро внедрять альтернативные экологичные решения в традиционные системы. За последние двадцать лет CO₂ зарекомендовал себя как надежная и устойчивая альтернатива и доступное решение для супермаркетов после наступления крайних сроков использования фторированных парниковых газов в 2020 и 2022 гг. Финансируемый ЕС проект SuperSmart [1] показал, как нетехнологические барьеры могут препятствовать распространению энергоэффективных решений в секторе систем кондиционирования и вентиляции. После завершения проекта SuperSmart, ЕС профинансировал новый проект, MultiPACK, цель которого — убедить рынок в надежности и эффективности интегрированной системы CO₂ путем установки, мониторинга и анализа результатов, собранных в ходе эксплуатации современной интегрированной системы в климатических условиях Южной Европы. В установках MultiPACK реализовано параллельное сжатие, использование двухфазного эжектора для использования работы расширения и обеспечения рециркуляции жидкости, как описано в [2] , а также функции кондиционера и теплового насоса. В данной статье анализируются результаты 24-месячного наблюдения за эксплуатацией двух установок MultiPACK, установленных в двух супермаркетах. В частности, представлена зависимость эффективности, т.е. COP, системы, работающей в конфигурации теплового насоса в зимних условиях и обеспечивающей охлаждение в летних условиях, от температуры внешней среды.
2. МЕСТА УСТАНОВКИ И КОМПОНОВКА СИСТЕМ
В данной статье рассматриваются две различные интегрированные установки, установленные в типичных итальянских районных супермаркетах. Два супермаркета расположены соответственно в северо-восточной части Италии (Тренто, рис. 1a), для которой характерен относительно мягкий климат летом и суровая зима, и в центральной части Италии (Рим, рис. 1b), для которой характерна более теплая зима и жаркое лето.
Рис. 1. Установка интегрированного блока в Тренто (1a) и Риме (1b).
Fig. 1. Installation of the integrated unit in Trento (1a) and Rome (1b).
Такая разница в типе климатических условий, в которых расположены установки, дает возможность проанализировать и сравнить эффективность работы интегрированных установок MultiPACK CO₂ в различных условиях внешней среды. Согласно EN ISO 13926-6:2008, количество градусо-суток отопительного сезона в Риме и Тренто составляет 1415 и 3001 день соответственно. Данные о внешних условиях (температура сухого термометра и относительная влажность воздуха) взяты с официальной метеостанции, расположенной недалеко от супермаркетов (http://storico.meteotrentino.it для Тренто и http://meteoeplus.pd.cnr.it/stations/summary-rm01e.php для Рима).
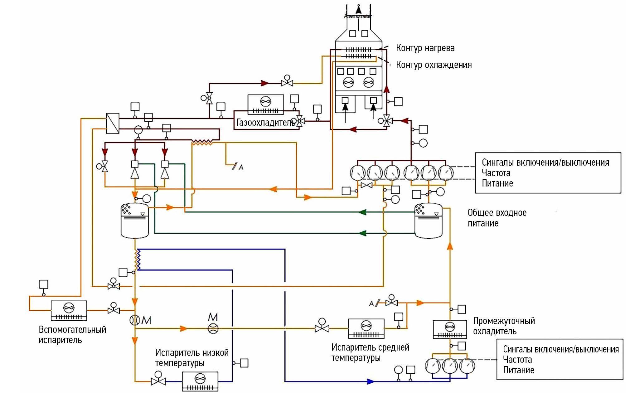
Рис. 2. Компоновка площадки в Тренто.
Fig. 2. Trento site layout.
Согласно проекту MultiPACK, интегрированная установка должна обеспечивать полное обслуживание объектов тепловой энергией и при этом использовать самые современные технологии для систем на основе CO₂, работающих в теплом климате. В системе применяются технологии параллельного сжатия, двухфазная мультиэжекторная система для использования работы расширения и минимизации перегрева в испарителях. Более подробное описание двух установок MultiPACK, рассмотренных в этой статье, режимов их работы и анализ производительности в течение обычного летнего и зимнего дня можно найти в статье [3]. Компоновка системы, установленной в Тренто, представлена на рис. 2, а компоновка системы, установленной в Риме, представлена на рис. 3.
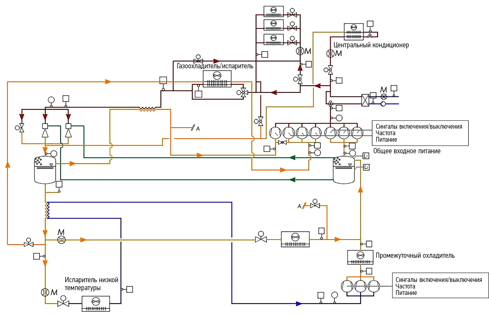
Рис. 3. Компоновка площадки в Риме.
Fig. 3. Rome site Layout.
Одной из основных целей проекта MultiPACK является мониторинг работы установок в полевых условиях: по этой причине обе системы полностью оснащены датчиками температуры (обозначены квадратными элементами), датчиками давления (обозначены кружками) и измерителями массового расхода воздуха (обозначены буквами M). Также измеряется уровень жидкости (L) в ресиверах и потребляемая компрессорами электрическая мощность (Pel). Подробное описание точности измерительного прибора можно найти в [4]. Температура измеряется резистивными датчиками с отрицательным температурным коэффициентом 10 кОм ±1% при 25 °C, заявленная точность которых составляет ±0,5 °C при 25 °C и ±1,0 °C в диапазоне от -40 °C до +90 °C. Давление измеряется шестью пьезорезистивными датчиками давления коммерческого типа с точностью от ±1% полной шкалы до ±4 % полной шкалы (полная шкала = 60 105 Па и 150 105 Па на стороне высокого давления) в зависимости от давления на уровне температуры. Трехфазные счетчики электроэнергии, расположенные перед каждым компрессорным агрегатом, измеряют потребляемую мощность низкотемпературных (pel,LT), среднетемпературных (pel,MT) и вспомогательных (pel,AUX) компрессоров с точностью ±0,5% полной шкалы (полная шкала составляет 24 кВт для компрессорного агрегата низкой температуры и 120 кВт для компрессоров средней температуры и вспомогательных компрессоров). Точность кориолисовых массовых расходомеров составляет 0,1% от фактического расхода. На главном воздуховоде установлен термоанемометр (точность ±0,2 м/с +3% от измеренного значения). Точность показаний датчиков относительной влажности составляет ±3% (диапазон температур от 0 °C до -40 °C, относительная влажность до 90%) и ±0,5 °C для температуры от +10 °C до +30 °C.
Таблица 1. Размеры двух установок MultiPACK
Table 1. Sizing of the two MultiPACK installations
| Рим | Тренто | |
| QMT,D | 50 кВт при температуре -4°C | 90 кВт при температуре -4°C | 
| QLT,D | 19 кВт при температуре -30°C | 22 кВт при температуре -30°C | 
| QH,D | 75 кВт при внешней температуре 10°C | 200 кВт при внешней температуре 10°C | 
| QC,D | 110 кВт при внешней температуре 30°C | 280 кВт при внешней температуре 30°C | 
| Торговая площадь | 1450 м2 | 1750 м2 | 
| Общая площадь | 1900 м2 | 2200 м2 | 
Несмотря на то, что компоновка обеих установок в принципе одинакова, основное различие между ними заключается в типе охлаждения воздуха, выбранном для обогрева и охлаждения внутреннего пространства. В Риме система отопления, вентиляции и кондиционирования воздуха (ОВКВ) подключена к блоку управления воздушным потоком, а в Тренто внутренние блоки под потолком распределены по торговым площадям, как описано в [5]. Чтобы получить представление о размерах двух установок, в табл. 1 приведены расчетные тепловые нагрузки и общая площадь супермаркетов соответственно.
3. СБОР И ОБРАБОТКА ДАННЫХ
В данной статье представлены экспериментальные данные, собранные в ходе масштабной испытательной кампании, проходившей с января 2019 г. по декабрь 2020 г. В частности, будет представлена работа интегрированной системы в зависимости от конфигурации теплового насоса и конфигурации охлаждения. Режим работы теплового насоса включается в самые суровые зимние дни, когда зданию требуется дополнительная теплопроизводительность для обогрева. В этом режиме для обеспечения дополнительной тепловой мощности внутреннего воздуха здания используется дополнительный испаритель с внешним оребрением для получения теплоты от внешней среды, а вспомогательные компрессоры работают на поддержание потока хладагента внутри дополнительного теплообменника. С другой стороны, в летние месяцы воздух внутри здания необходимо охлаждать и осушать, чтобы соблюсти требования комфорта: в режиме охлаждения хладагент, поступающий из системы высокого давления, расширяется до рабочего давления в ресивере и кипит, обеспечивая необходимый эффект охлаждения. В самые жаркие дни летнего сезона активируется также вспомогательный испаритель, чтобы удалить избыток пара в ресивере и обеспечить точный контроль давления.
Холодопроизводительность испарителей средней и низкой температуры (QMT , QLT) оценивается по тепловому балансу хладагента, поскольку измеряются значения температуры, давления и массового расхода хладагента. Однако, оценка мощности, выделяемой на отопление/охлаждение здания, для этих двух установок рассчитывается по-разному. В установке в Тренто теплопроизводительность ГВС (QDHW) и теплопроизводительность/холодопроизводительность (QH, Q) оценивается по тепловому балансу хладагента с измерением температуры, давления и массового расхода хладагента, протекающего на входе в теплообменники. На установке в Риме теплопроизводительность/холодопроизводительность, направленная на удовлетворение потребностей здания, оценивается с помощью теплового баланса воздуха в канале блока управления воздушным потоком, поскольку измеряется средняя температура на входе и выходе, относительная влажность и средняя скорость воздуха, при этом площадь поперечного сечения канала известна.
3.1. Определение устойчивого режима работы
С целью охарактеризовать типичные характеристики интегрированных блоков при большом диапазоне рабочих условий, тепловых нагрузок и внешней температуры окружающей среды, экспериментальные данные, собранные в течение двух лет, регистрировались с частотой 60 секунд, что позволило создать обширную базу данных. Поскольку работа системы в основном определяется переходными режимами из-за высокой изменчивости тепловых нагрузок, производительность системы рассматривалась только в определенные интервалы времени, когда считалось, что агрегаты работают в установившемся режиме. Для определения типичного интервала установившегося режима учитываются в общей сложности 10 переменных: расход теплового потока в системе QMT , QL , QDHW для установки в Тренто, QH или QC в зависимости от рабочей конфигурации, потребляемая компрессорами электроэнергия
на компрессорах и сигнал инвертора на компрессоре с инверторным приводом в каждом компрессорном агрегате invMT , invAUX , invLT . Если рассматривать скользящее среднее за 15 минут, то в типичном установившемся интервале значение всех упомянутых переменных не должно изменяться более чем на 10% между предыдущей минутой j и следующей j+1, как показано в следующем уравнении:
(1)
Кроме того, чтобы пренебречь переходными процессами, вызванными включением/выключением компрессоров, необходимо ввести дополнительное ограничение, согласно которому состояние включения или выключения всех компрессоров должно быть постоянным в рассматриваемых интервалах времени. После определения установившихся интервалов они привязываются к средним значениям внешней температуры окружающей среды, рабочего давления, тепловых потоков и COP, рассчитанным в соответствии с уравнениями для установок в Тренто и Риме соответственно:
(2)
(3)
При таком определении COP учитывается весь эффект нагрева и охлаждения, обеспечиваемый системой, а электрической мощностью вентиляторов газоохладителя и блока управления воздушным потоком пренебрегается.
4. РЕЗУЛЬТАТЫ
В этом разделе обсуждается работа двух интегрированных блоков в определенных интервалах установившегося состояния. Однако, в данном обсуждении рассматривается только работа в конфигурации теплового насоса с использованием вспомогательного внешнего испарителя и конфигурации охлаждения, обеспечивающей охлаждение и осушение воздуха здания.
4.1. Установка в Тренто
Используя определение установившегося режима работы, приведенное в уравнении (1), было определено в общей сложности 1112 интервалов, когда система работает в конфигурации теплового насоса и в конфигурации охлаждения соответственно. Для данной установки установившиеся интервалы времени в среднем составляют 10 минут, а соответствующая средняя температура окружающей среды находится в диапазоне от -5,3 °C до 34,5 °C. На рис. 4a показана динамика тепловых потоков в системе, а на рис. 4b приведены значения рабочих давлений и коэффициента полезного действия, определенные в соответствии с уравнениями (2) и (3), в зависимости от температуры внешней среды.
Рис. 4. Динамика: (4a) основные тепловые нагрузки установки в Тренто в зависимости от температуры окружаю-щей среды (4b) КПД и рабочее давление в зависимости от температуры окружающей среды.
Fig. 4. Trend of: (4a) main heat loads of the Trento unit as a function of ambient temperature (4b) COP and operating pressure as a function of ambient temperature.
При работе в режиме теплового насоса высокое давление ρHP поддерживается постоянным с заданным значением 85 бар за счет рекуперации теплоты и производства горячей воды для бытовых нужд. Хладагент, протекающий в дополнительном теплообменнике с внешним оребрением, кипит под давлением ρPD, а затем взаимодействует с температурой внешней среды, что способствует уменьшению по мере снижения температуры окружающей среды. Тепловая мощность, подаваемая в здание в зимнее время года, в среднем составляет 91,6 кВт и постоянно меняется. Следовательно, COPHEAT PUMP имеет тот же постоянный тренд со средним значением 3,5. Тем не менее, из-за высокой изменчивости условий эксплуатации значения QH и COPHEAT PUMP в результате оказываются разбросанными вокруг среднего значения. Когда система работает в режиме охлаждения в летние месяцы, высокое давление ρHP увеличивается с повышением температуры внешней среды: аналогичная тенденция наблюдается и в отношении мощности охлаждения, достигающей максимального значения в 107,6 кВт. Холодопроизводительность, необходимая для испарителей средней температуры, очевидно, увеличивается с ростом температуры окружающей среды. Наконец, COPCOOLING имеет тенденцию, отличную от предыдущей конфигурации, и немного уменьшается при увеличении температуры окружающей среды. В этом случае значения COP намного сильнее разбросаны по конфигурации теплового насоса, что затрудняет выявление решающей тенденции.
Рис. 5. Динамика: (5a) основные тепловые нагрузки и рабочая температура (5b) рабочие давления и КПД в интер-валах установившегося режима, в октябре 2020 года для установки в Тренто.
Fig. 5. Trend of: (5a) main heat loads and operating temperature (5b) operating pressures and COP in the steady state intervals, during October 2020 for the Trento installation.
На рис. 5 представлен анализ работы холодильного агрегата в Тренто в октябре 2020 года: на рис. 5a показана динамика мощности охлаждения на испарителях средней и низкой температуры, мощности нагрева ГВС, рабочей температуры ресивера низкого давления и средней температуры кипения компрессоров средней и низкой температуры с учетом скользящего среднего за 15 минут. Как можно видеть, 14 октября было задано повышение заданной температуры кипения компрессора средней температуры, в результате чего среднее значение температуры кипения увеличилось с -6,6 °C до -5,0 °C.
Рис. 6. Динамика: (6a) основных расходов установки в Риме в зависимости от температуры окружающей среды (6b) КПД и рабочего давления в зависимости от температуры окружающей среды.
Fig. 6. Trend of: (6a) main flowrates of the Roma unit as a function of ambient temperature (6b) COP and operating pres-sure as a function of ambient temperature.
С другой стороны, 22 октября может наблюдаться резкое снижение температуры кипения компрессора низкого давления: средняя температура кипения компрессора низкого давления изменяется с -30,2 °C до -34,6 °C. На рис. 5b показана динамика рабочих давлений и COP в установившихся интервалах, определенных в течение рассматриваемого месяца. Однако, значительных изменений в среднем значении COP за выбранный период не наблюдается.
4.2. Установка в Риме
Для этой установки, используя определение установившегося режима работы, приведенное в уравнении (1), было определено в общей сложности 681 интервал, когда система работает в конфигурации теплового насоса и в конфигурации охлаждения соответственно. В отличие от установки в Тренто, где высокое давление в системе поддерживается на заданном уровне 85 бар из-за необходимости рекуперации тепла для производства горячей воды для бытовых нужд, высокое давление в установке в Риме меняется в зависимости от температуры внешней среды. Из-за низкой температуры окружающей среды, которая в зимний сезон составляет от 5,1 °C до 16,7 °C, среднее рабочее высокое давление составляет 74,8 бар. Следовательно, поскольку рабочее давление ресивера низкого давления и среднее давление кипения испарителей компрессоров средней и низкой температуры аналогичны таковым в установках в Тренто, соответствующее значение COP оказывается выше, со средним значением 3,9, поскольку система работает в конфигурации теплового насоса. Как видно из рис. 6b, в течение летнего месяца, когда система удовлетворяет потребность здания в охлаждении, COP системы линейно снижается в зависимости от температуры внешней среды. Однако, как видно из тепловых нагрузок системы на рис. 6b, для большинства выявленных интервалов установившегося режима обычно требуется низкое значение мощности охлаждения — менее 20 кВт, в то время как холодопроизводительность, требуемая испарителям компрессоров средней и низкой температуры, возрастает по мере повышения температуры внешней среды.
5. ВЫВОДЫ
В настоящей статье представлены результаты длительной измерительной кампании, проведенной на двух площадках супермаркетов, установленных в рамках проекта ЕС MultiPACK. Из-за огромного количества данных необходимо провести надлежащую фильтрацию данных, чтобы выявить периоды установившегося режима, по которым можно рассчитать COP. В статье приведены параметры энергопотребления и эффективности для обоих объектов; в частности, график COP в зависимости от температуры наружного воздуха открывает путь к сравнению с другими объектами. Однако для достоверного сравнения необходимо тщательно проанализировать нагрузки и, в частности, их соотношение. Дальнейшее развитие этой работы будет включать анализ влияния на COP соотношения нагрузок, а также других параметров, например, температуры наружного воздуха.
ДОПОЛНИТЕЛЬНАЯ ИНФОРМАЦИЯ
Настоящая статья представляет собой перевод статьи Artuso P, Minetto S, Rossetti A, Tosato G, Marinetti S. Two years of data monitoring of all-CO₂ retail stores within the MultiPACK project. In: Proceedings of the 9th IIR Conference on the Ammonia and CO₂ Refrigeration Technologies. Ohrid: IIF/IIR, 2021.
DOI: 10.18462/iir.nh3-co2.2021.0025
Публикуется с разрешения правообладателя.
ADDITIONAL INFORMATION
This article is a translation of the article by Artuso P, Minetto S, Rossetti A, Tosato G, Marinetti S. Two years of data monitoring of all-CO₂ retail stores within the MultiPACK project. In: Proceedings of the 9th IIR Conference on the Ammonia and CO₂ Refrigeration Technologies. Ohrid: IIF/IIR, 2021.
DOI: 10.18462/iir.nh3-co2.2021.0025
Published with the permission of the copyright holder.
БЛАГОДАРНОСТИ
Проект MultiPACK получил финансирование от программы исследований и инноваций Европейского союза Horizon 2020 по грантовому соглашению № 723137.
ACKNOWLEDGEMENTS
The MultiPACK Project has received funding from the European Union’s Horizon 2020 research and
innovation programme, under grant agreement No 723137.
About the authors
Paolo Artuso
Consiglio Nazionale delle Ricerche, Istituto per le Tecnologie della Costruzione
							Author for correspondence.
							Email: paolo.artuso@itc.cnr.it
				                					                																			                												                	Italy, 							35127, Padova
						
Silvia Minetto
Consiglio Nazionale delle Ricerche, Istituto per le Tecnologie della Costruzione
														Email: paolo.artuso@itc.cnr.it
				                					                																			                												                	Italy, 							35127, Padova
						
Antonio Rossetti
Consiglio Nazionale delle Ricerche, Istituto per le Tecnologie della Costruzione
														Email: paolo.artuso@itc.cnr.it
				                					                																			                												                	Italy, 							35127, Padova						
Giacomo Tosato
Enex Srl, Via Veneto
														Email: paolo.artuso@itc.cnr.it
				                					                																			                												                	Italy, 							Padernello di Paese
						
Sergio Marinetti
Consiglio Nazionale delle Ricerche, Istituto per le Tecnologie della Costruzione
														Email: paolo.artuso@itc.cnr.it
				                					                																			                												                	Italy, 							35127, Padova
						
References
- Minetto S, Marinetti S, Saglia P, et al. Non-technological barriers to the diffusion of energy-efficient HVAC&R solutions in the food retail sector. International Journal of Refrigeration. 2018;86:422–434. doi: 10.1016/j.ijrefrig.2017.11.022
- Gullo P, Hafner A, Banasiak K, et al. Multi-Ejector Concept: A Comprehensive Review on its Latest Technological Developments. Energies. 2019;12:406. doi: 10.3390/en12030406
- Tosato G, Minetto S, Rossetti A, et al. Field data of CO₂ integrated refrigeration, heating and cooling systems for supermarkets. In: 14th Gustav Lorentzen Conference, Kyoto, Japan, 6–9 December 2020. IIR; 2020. doi: 10.18462/iir.gl.2020.1162
- Minetto S, Tosato G, Rossetti A, et al. Not-in-kind approach to remote monitoring in CO₂ refrigeration systems. In: Proceedings of the 25th IIR International Congress of Refrigeration, Montreal, Quebec, Canada. IIF/IIR; 2019. doi: 10.18462/iir.icr.2019.1266
- Tosato G, Minetto S, Hafner A, et al. Field assessment of the performance of a state-of-the-art CO₂ integrated system for supermarket with distributed HVAC terminals in the shopping area. In: 6th IIR ICCC Conference, Nantes, France, 26–28 August 2020. doi: 10.18462/iir.iccc.2020.292847
Supplementary files
 
				
			 
					 
						 
						 
									

 Open Access
		                                Open Access Access granted
						Access granted Subscription or Fee Access
		                                							Subscription or Fee Access
		                                					






